GM Service Manual Online
For 1990-2009 cars only
Makes
🢒
Chevrolet
🢒
2008
🢒
Vivant
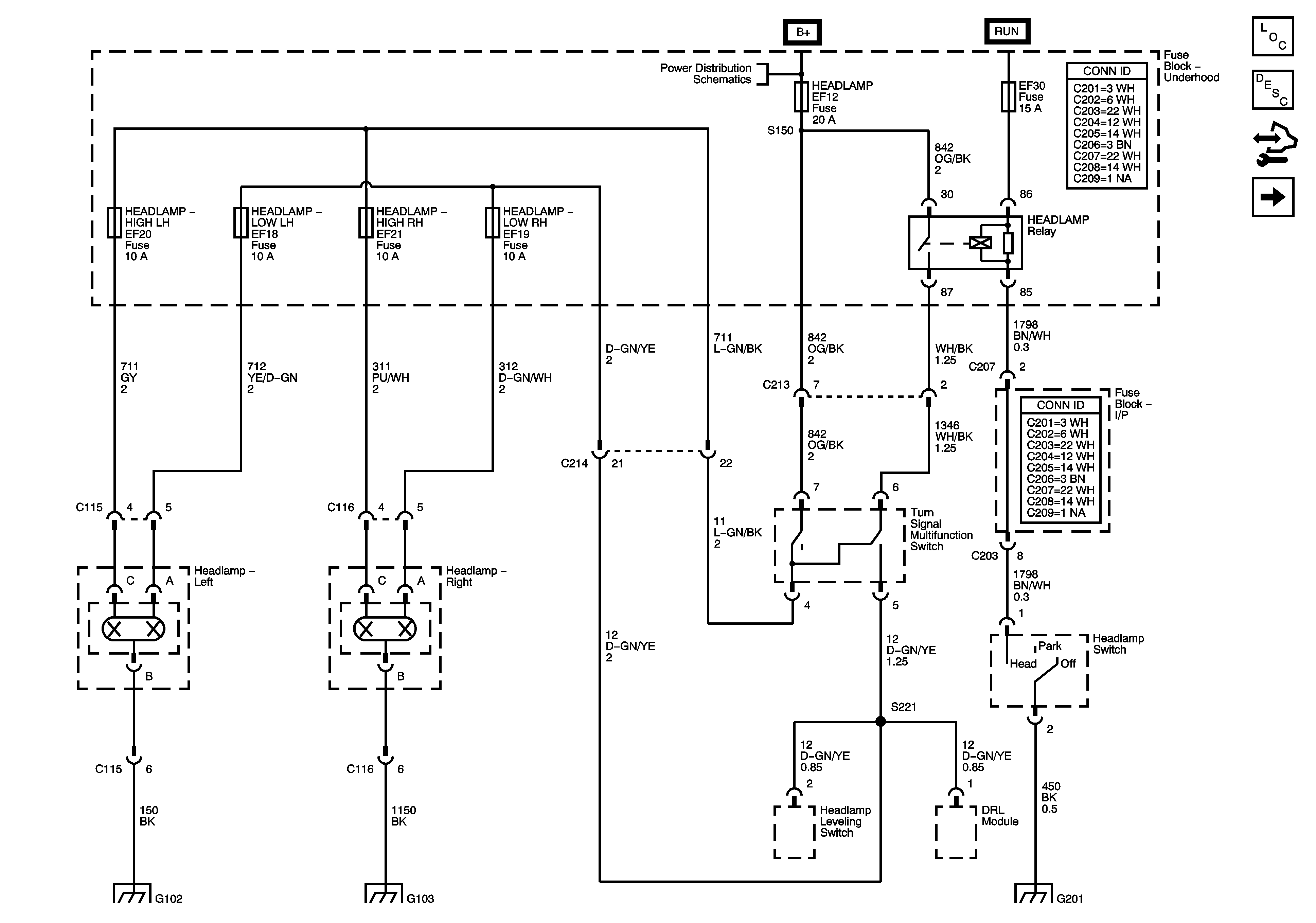
🢒 Headlights (RHD)
Headlights (RHD)
Headlights (RHD)
Master Electrical Component List
Exterior Lighting Systems Description and Operation
Control Module References
Headlights (LHD)
Fuse Block - Underhood B+ Bus, 2 of 2