GM Service Manual Online
For 1990-2009 cars only
Figure 1:

B+ Bus Bar - 1 of 2


Object Number: 1943030  Size: FS
Master Electrical Component List
Control Module References
B+ Bus - 2 of 2
Figure 2:

B+ Bus Bar - 2 of 2


Object Number: 1943035  Size: FS
Master Electrical Component List
Control Module References
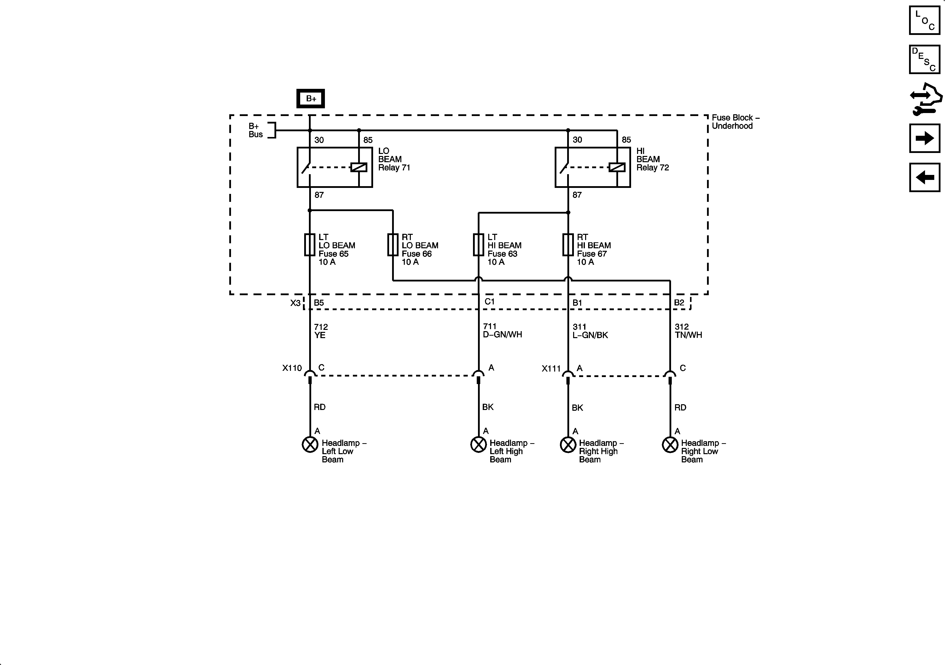
LT LO Beam, LT HI Beam, RT LO Beam, and RT HI Beam Fuses
B+ Bus - 1 of 2
Figure 3:

LT LO Beam, LT HI Beam, RT LO Beam, and RT HI Beam Fuses


Object Number: 1943056  Size: FS
Master Electrical Component List
Control Module References
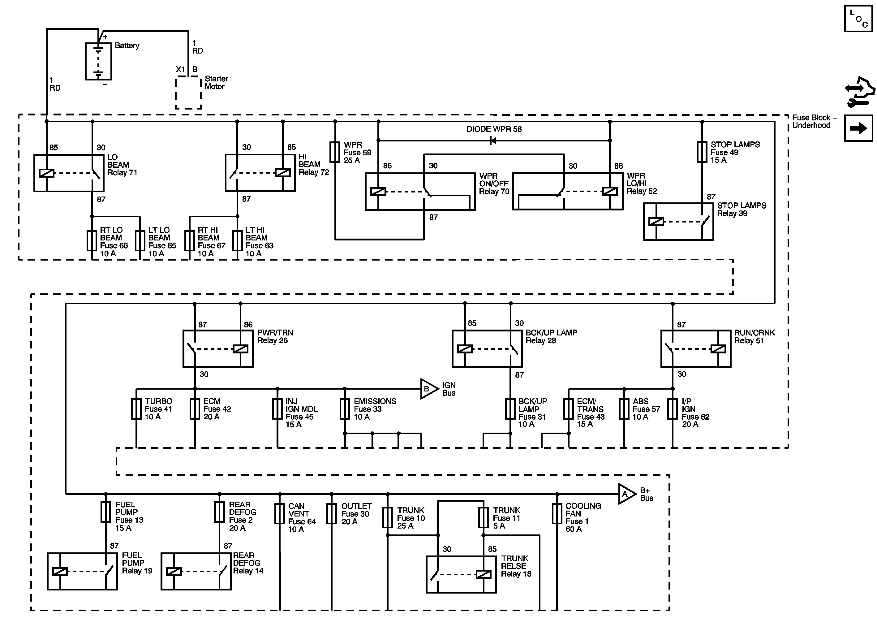
ECM/TRANS, I/P IGN, OUTLET, CAN VENT, ABS, AIRBAG, EPS/STR WHL CNTRL, HVAC/IP IGN, WPR Fuses
B+ Bus - 2 of 2
Figure 4:

ECM/TRANS, I/P IGN, OUTLET, CAN VENT, ABS, AIRBAG, EPS/STR WHL CNTRL, HVAC/IP IGN, WPR Fuses


Object Number: 1943389  Size: FS
Master Electrical Component List
Control Module References
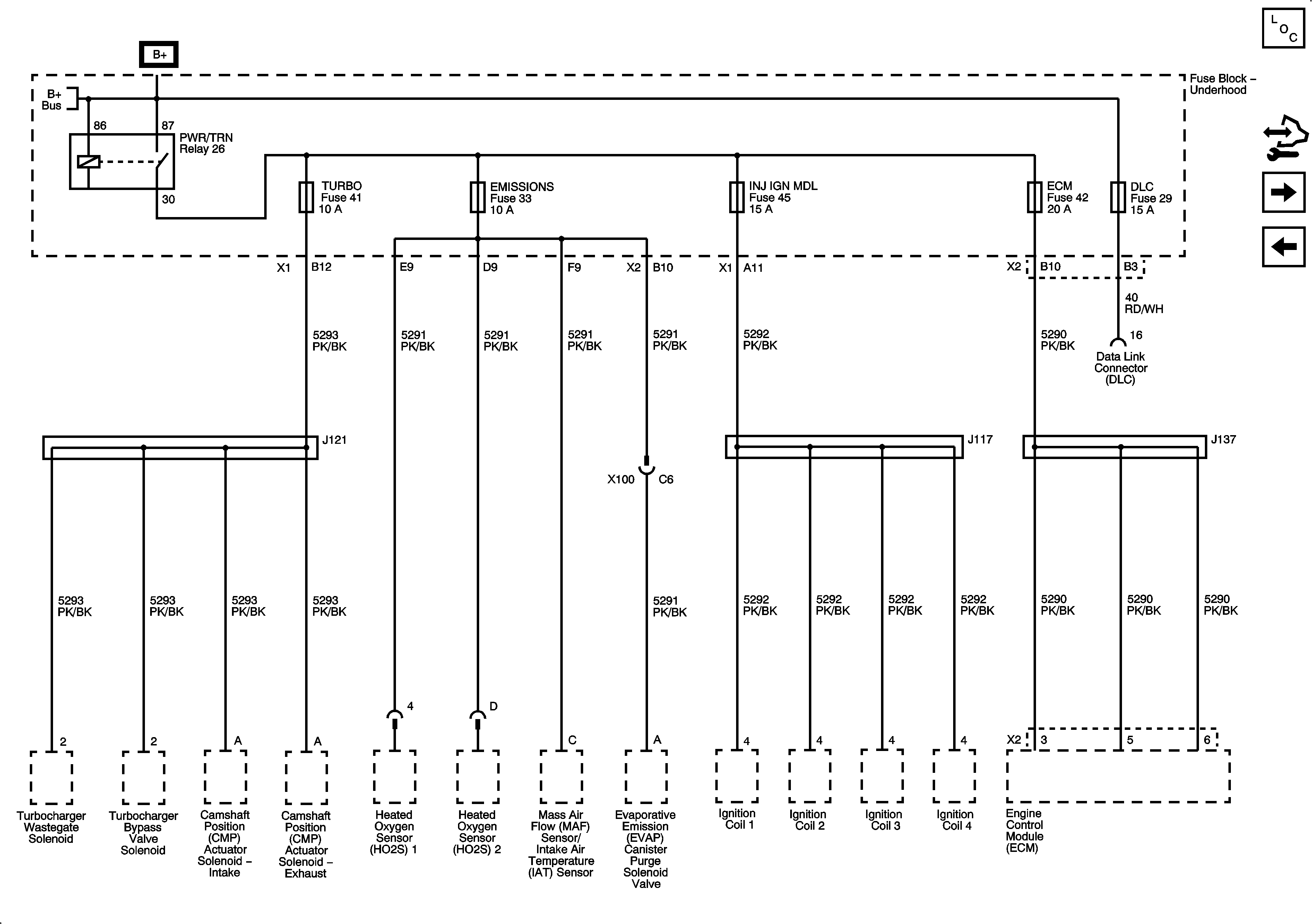
DLC, ECM, EMISSIONS, INJ IGN MDL, and TURBO Fuses
LT LO Beam, LT HI Beam, RT LO Beam, and RT HI Beam Fuses
Figure 5:

DLC, ECM, EMISSIONS, INJ IGN MDL, and TURBO Fuses


Object Number: 1943408  Size: FS
Master Electrical Component List
Control Module References
MIR, COOLING FAN, ABS, RKE Fuses and PWR SEATS Circuit Breaker
ECM/TRANS, I/P IGN, OUTLET, CAN VENT, ABS, AIRBAG, EPS/STR WHL CNTRL, HVAC/IP IGN, WPR Fuses
Figure 6:

MIR, COOLING FAN, ABS, RKE Fuses and PWR SEATS Circuit Breaker


Object Number: 1943416  Size: FS
Master Electrical Component List
Control Module References
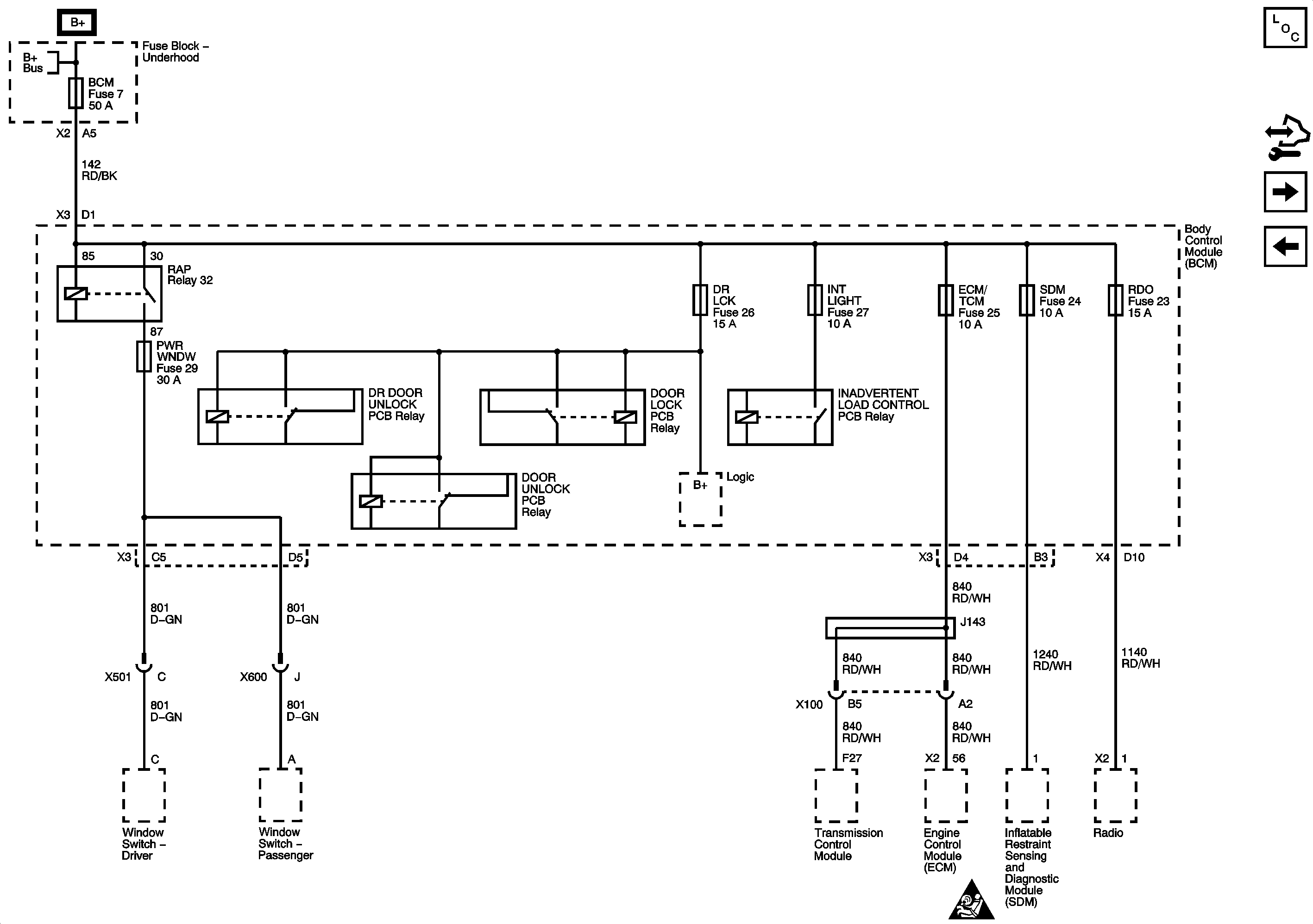
BCM, PWR WNDW, DR LCK, INT LIGHT, ECM/TCM, SDM, and RDO Fuses
DLC, ECM, EMISSIONS, INJ IGN MDL, and TURBO Fuses
Figure 7:

BCM, PWR WNDW, DR LCK, INT LIGHT, ECM/TCM, SDM, and RDO Fuses


Object Number: 1943420  Size: FS
Master Electrical Component List
Control Module References
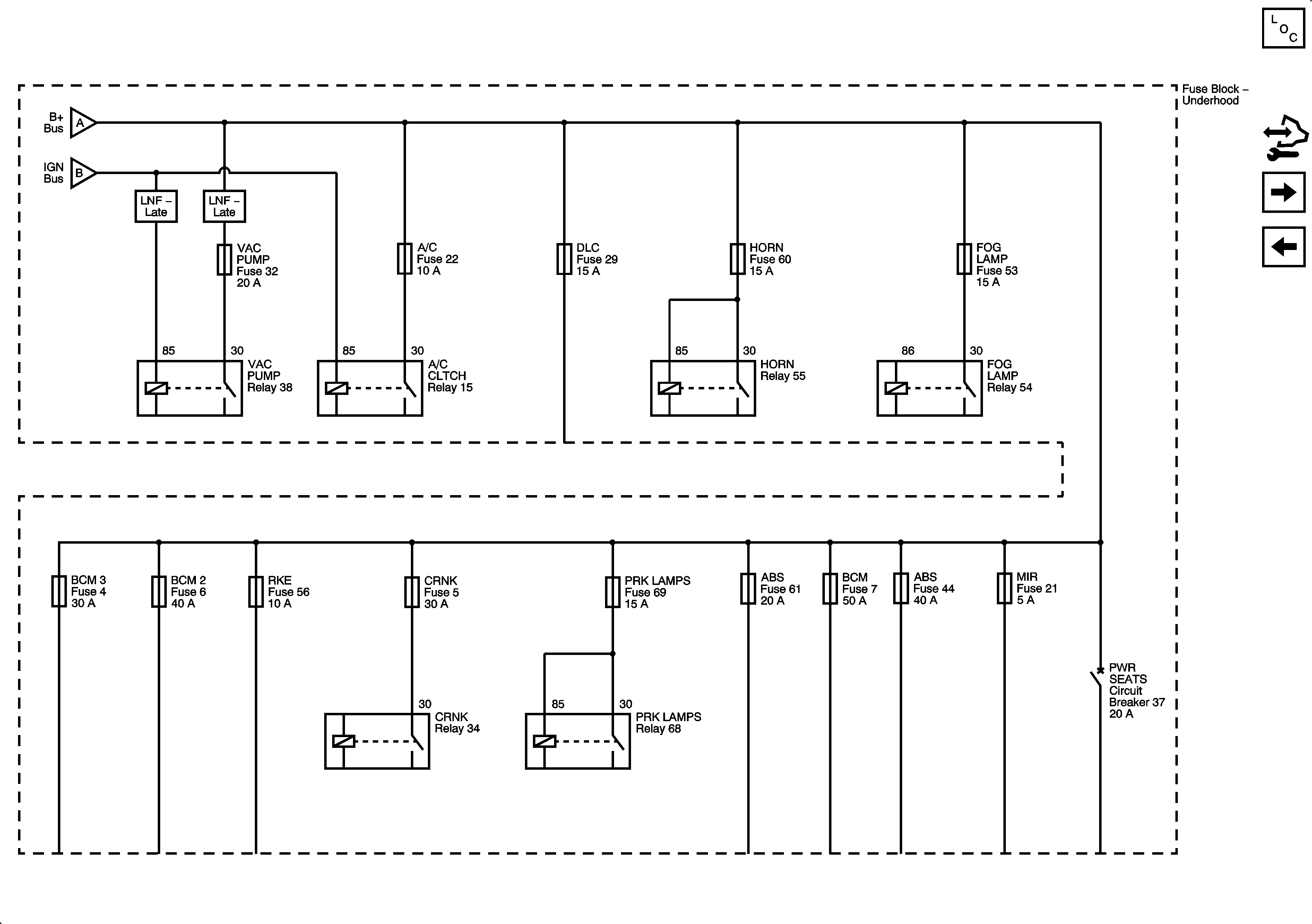
CLSTR, AMP, HVAC/PK3+, IGN SW/PK3+, BCM 2 and BCM 3 Fuses
MIR, COOLING FAN, ABS, RKE Fuses and PWR SEATS Circuit Breaker
Figure 8:

CLSTR, AMP, HVAC/PK3+, IGN SW/PK3+, BCM 2 and BCM 3 Fuses


Object Number: 1943425  Size: FS
Master Electrical Component List
Control Module References
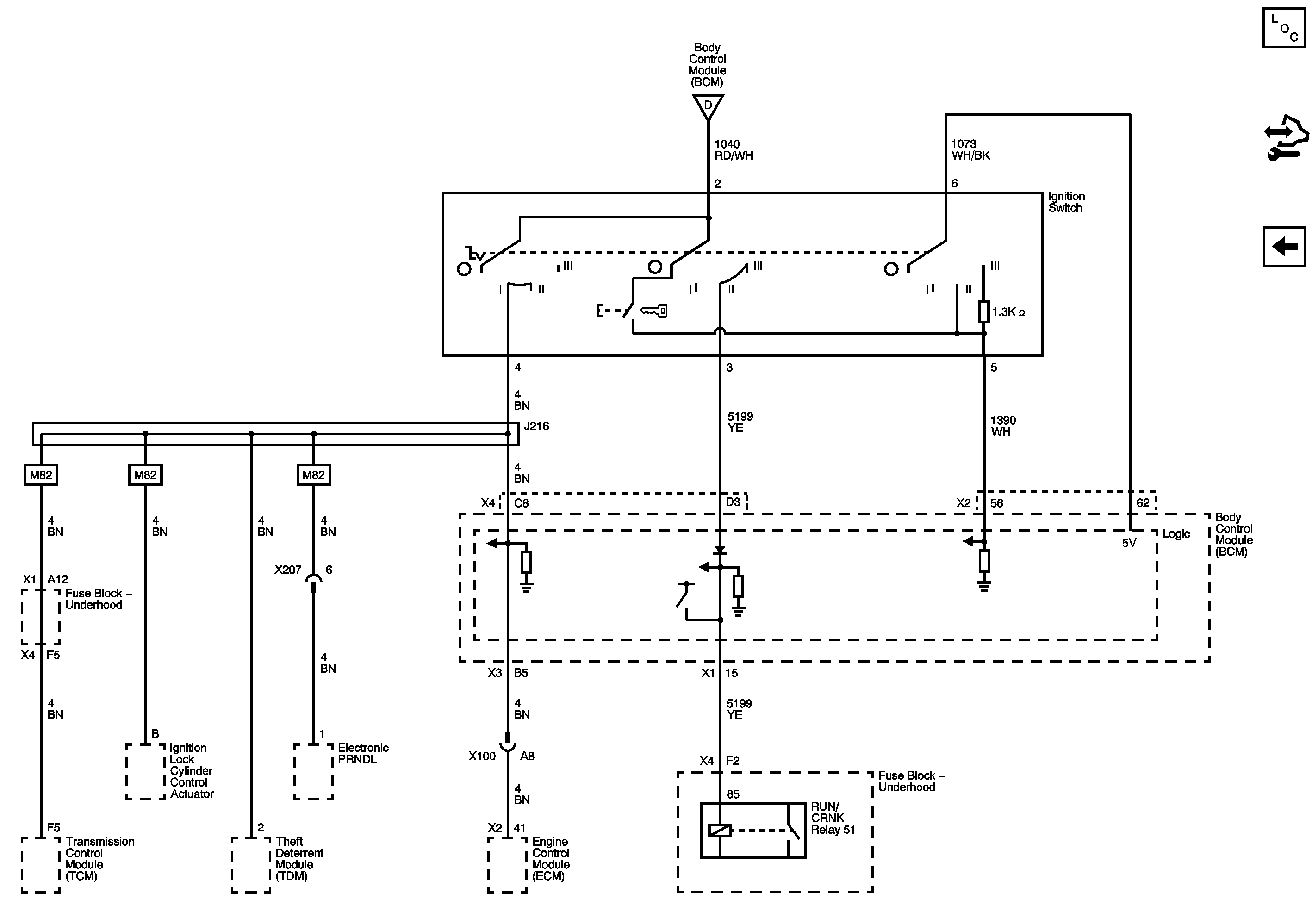
Ignition Switch Modes
BCM, PWR WNDW, DR LCK, INT LIGHT, ECM/TCM, SDM, and RDO Fuses
Figure 9:

Ignition Switch Modes


Object Number: 1943429  Size: FS
Master Electrical Component List
Control Module References
CLSTR, AMP, HVAC/PK3+, IGN SW/PK3+, BCM 2 and BCM 3 Fuses