GM Service Manual Online
For 1990-2009 cars only
Makes
🢒
Daewoo
🢒
2008
🢒
G2X
🢒
Diagnostic Navigation
🢒
Vehicle Diagnostic Information
🢒 Exterior Lights Schematics
Figure
1:
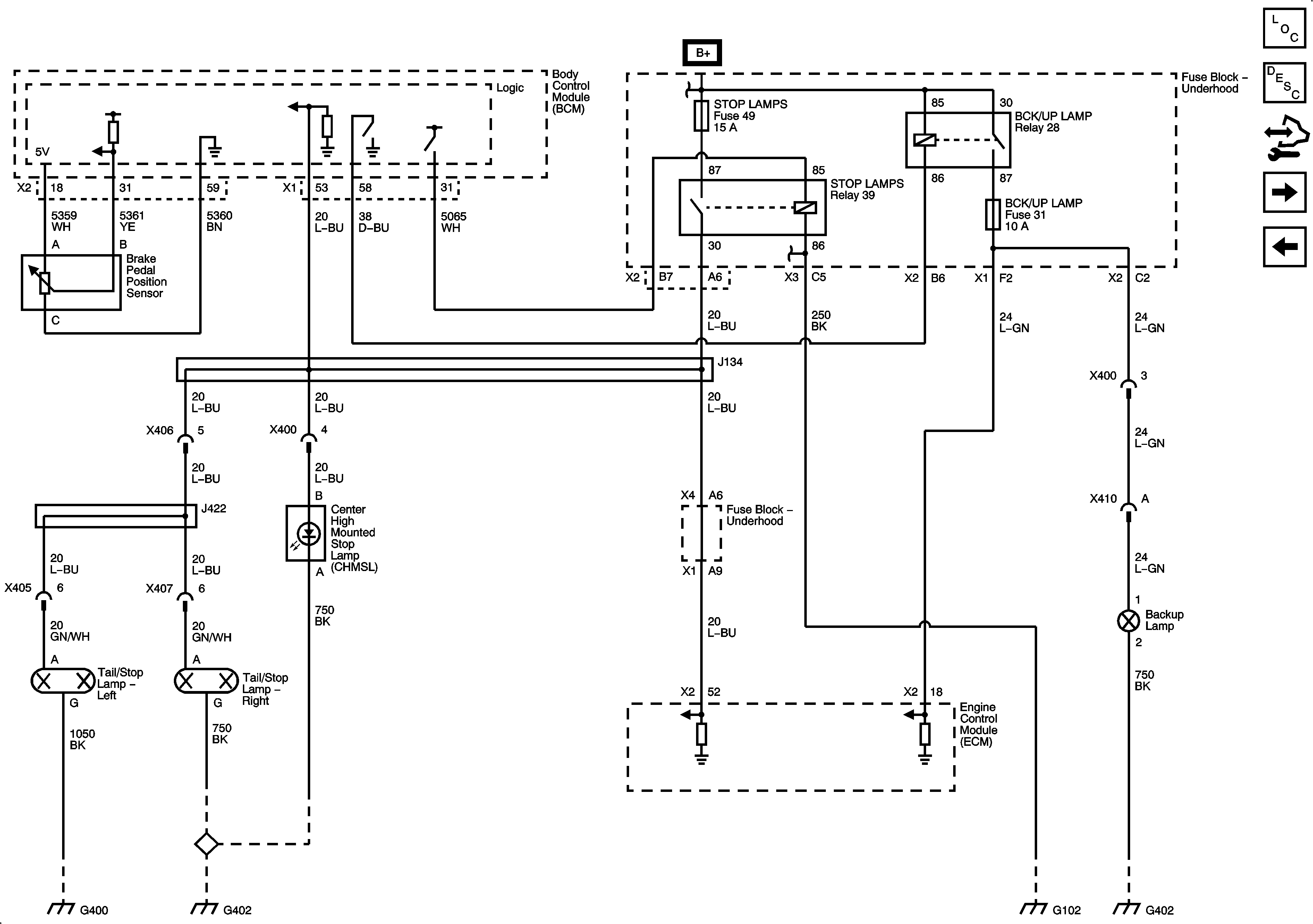
Backup and Stop Lamps
Master Electrical Component List
Exterior Lighting Systems Description and Operation
Control Module References
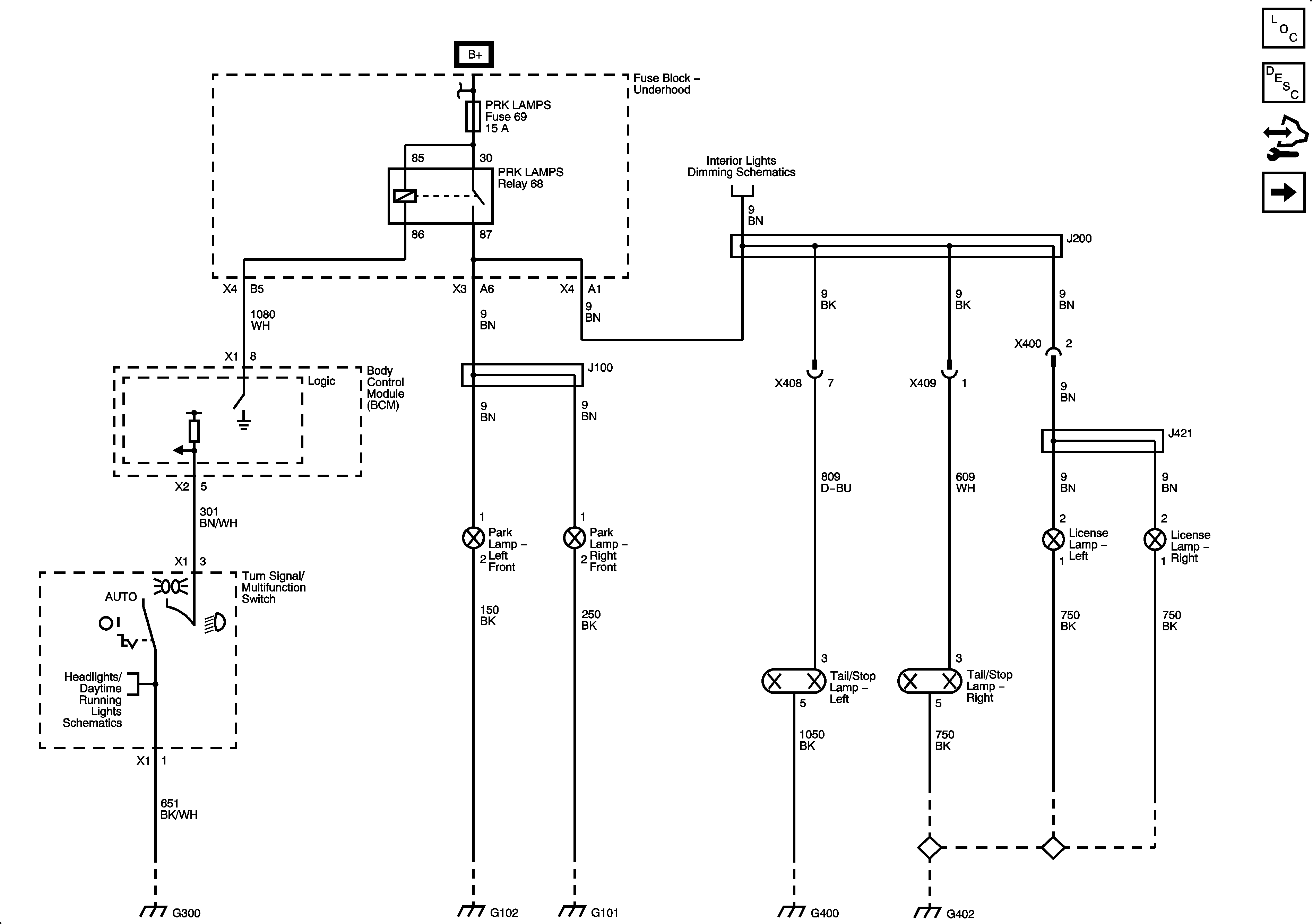
Turn Signals and Hazard Lamps
Park Lamps
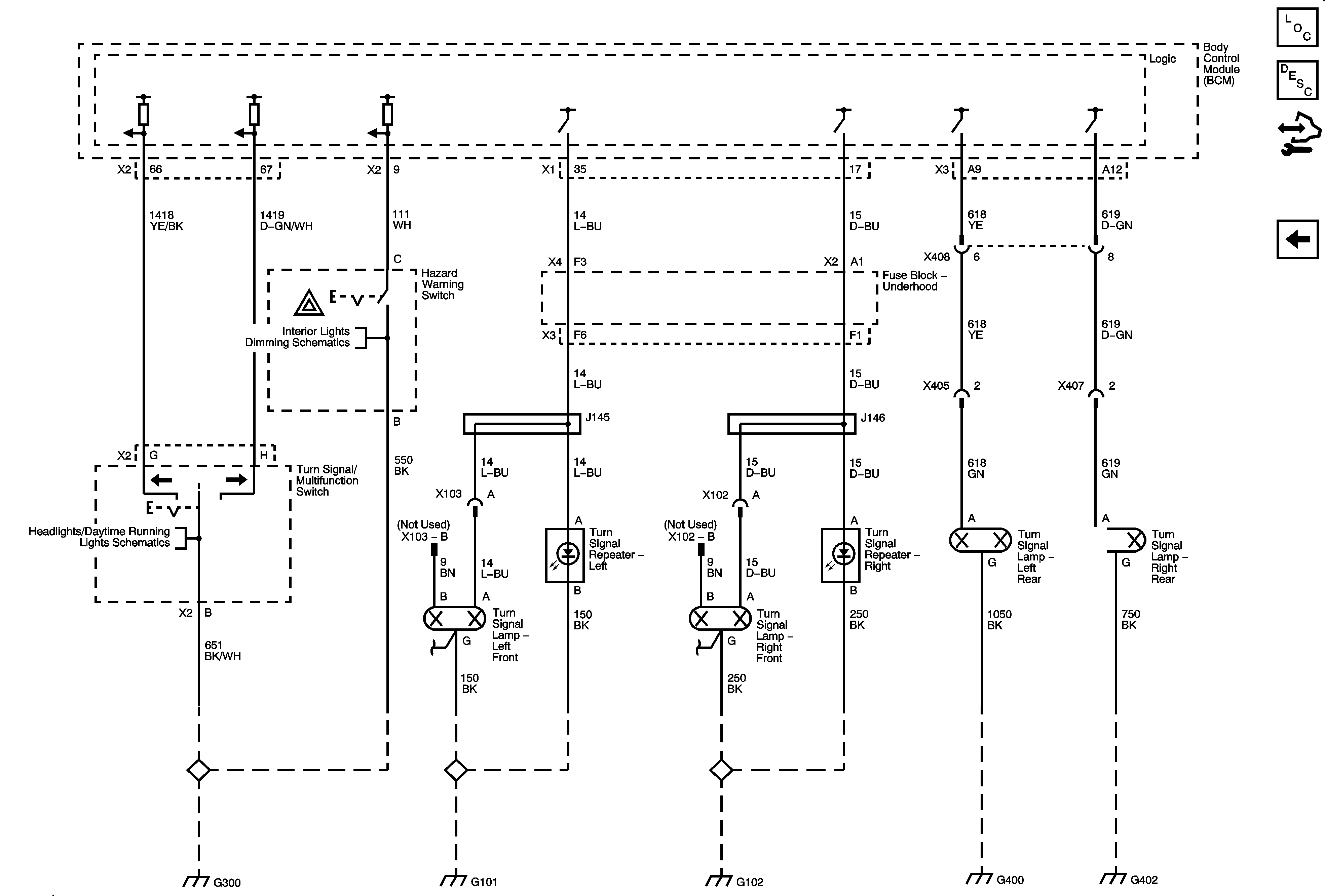
Figure
2:
Turn Signals and Hazard Lamps
Master Electrical Component List
Exterior Lighting Systems Description and Operation
Control Module References
Backup and Stop Lamps
Figure
3:
Park Lamps
Master Electrical Component List
Exterior Lighting Systems Description and Operation
Control Module References
Backup and Stop Lamps