GM Service Manual Online
For 1990-2009 cars only
Makes
🢒
Daewoo
🢒
2008
🢒
G2X
🢒
Diagnostic Navigation
🢒
Vehicle Diagnostic Information
🢒 Interior Lights Dimming Schematics
Figure
1:
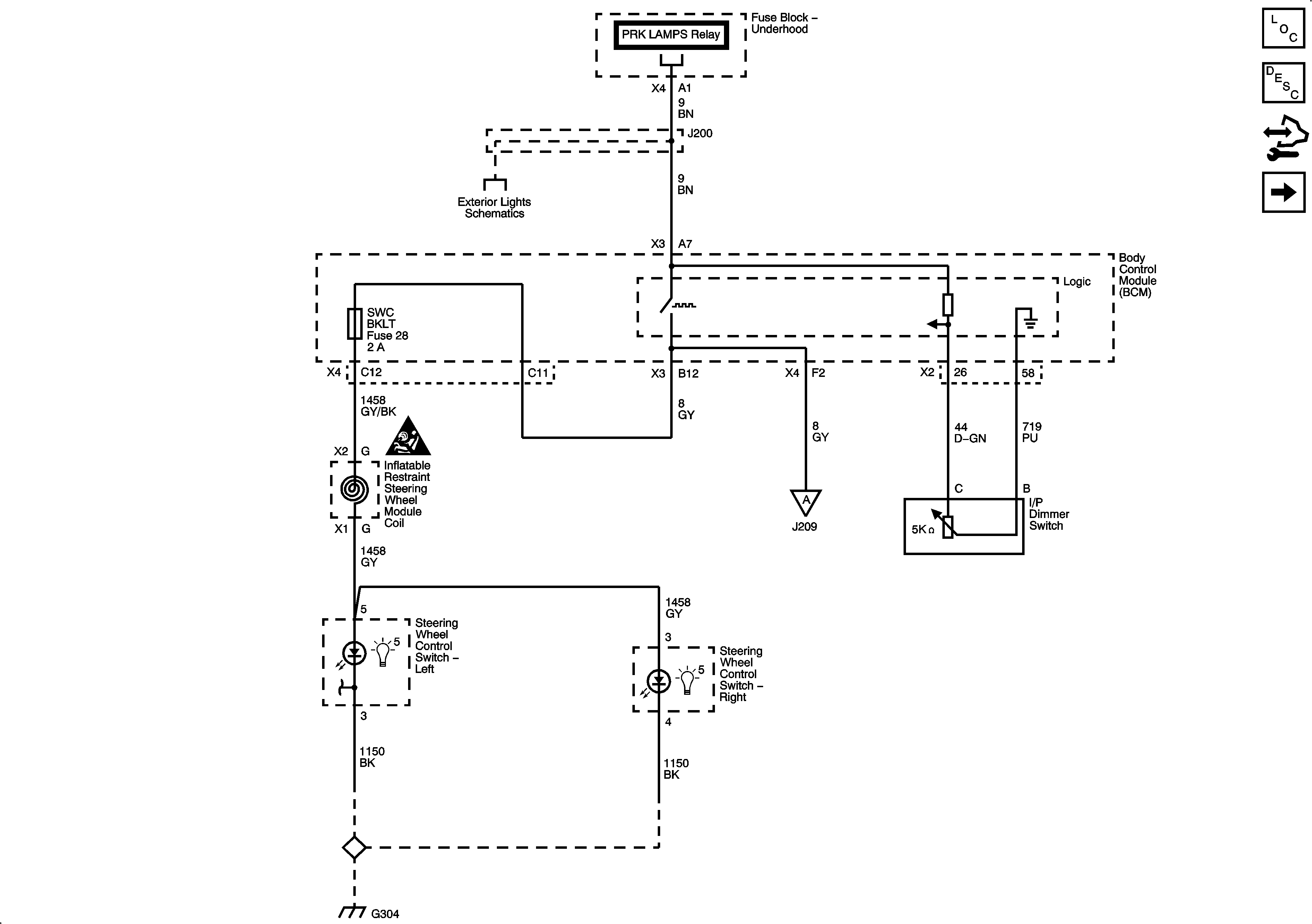
Dimmer Switch
Master Electrical Component List
Interior Lighting Systems Description and Operation
Control Module References
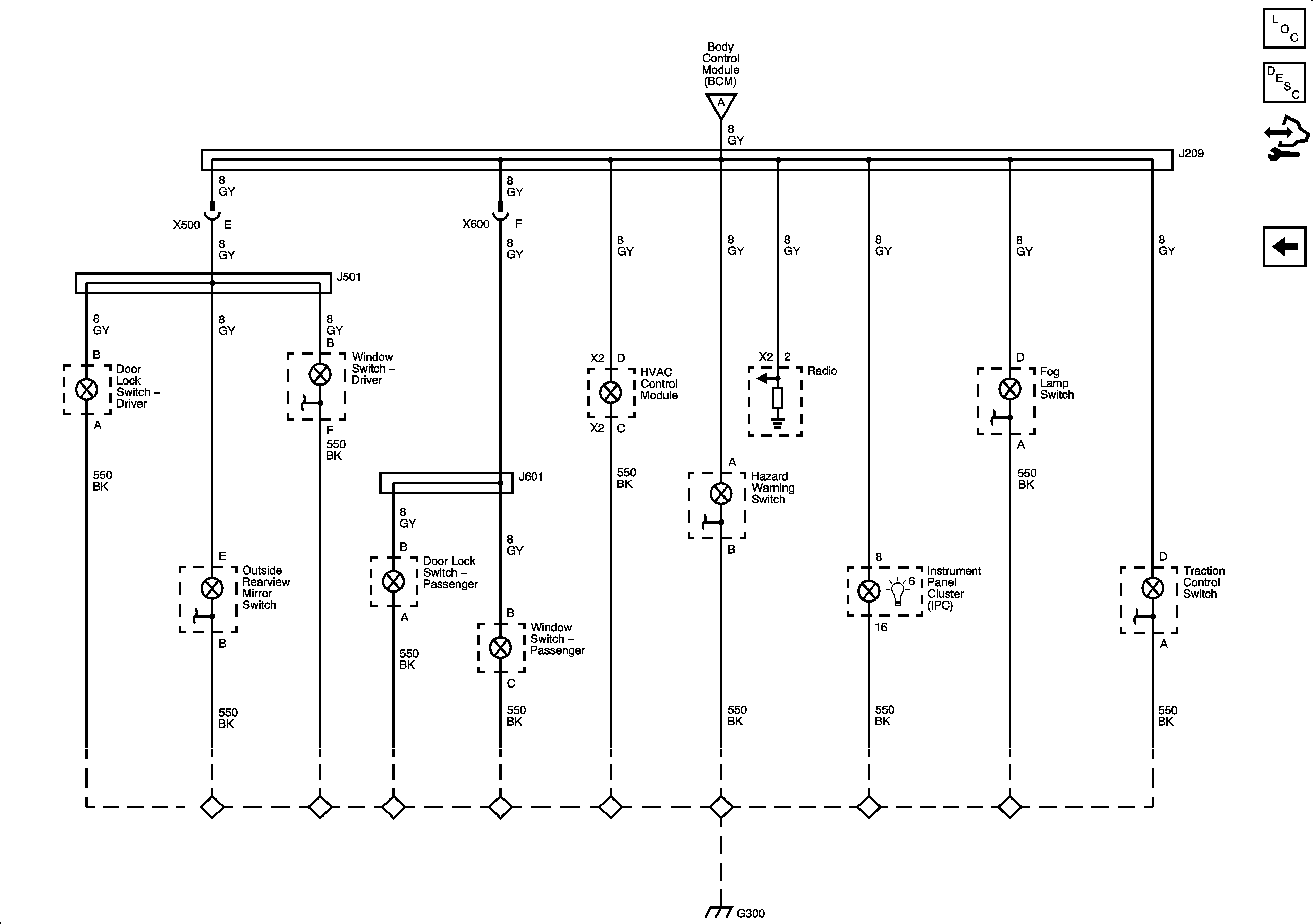
Lights
Figure
2:
Lights
Master Electrical Component List
Interior Lighting Systems Description and Operation
Control Module References
Dimmer Switch