GM Service Manual Online
For 1990-2009 cars only
Figure 1:

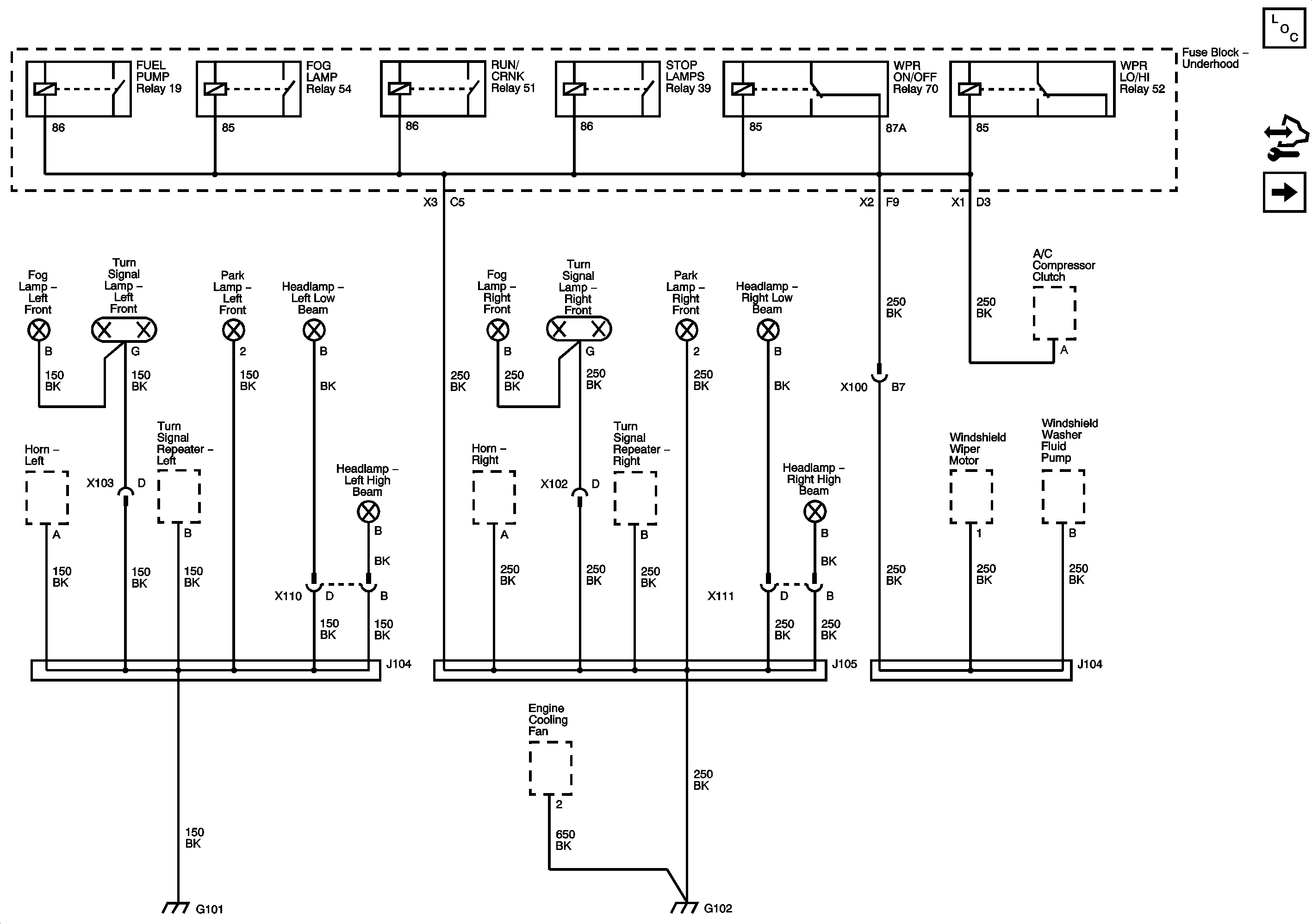
G101 and G102


Object Number: 1947054  Size: FS
Master Electrical Component List
Control Module References
G103, G104, G105, G106, G304
Figure 2:

G103, G104, G105, G106, G304


Object Number: 1947057  Size: FS
Master Electrical Component List
Control Module References
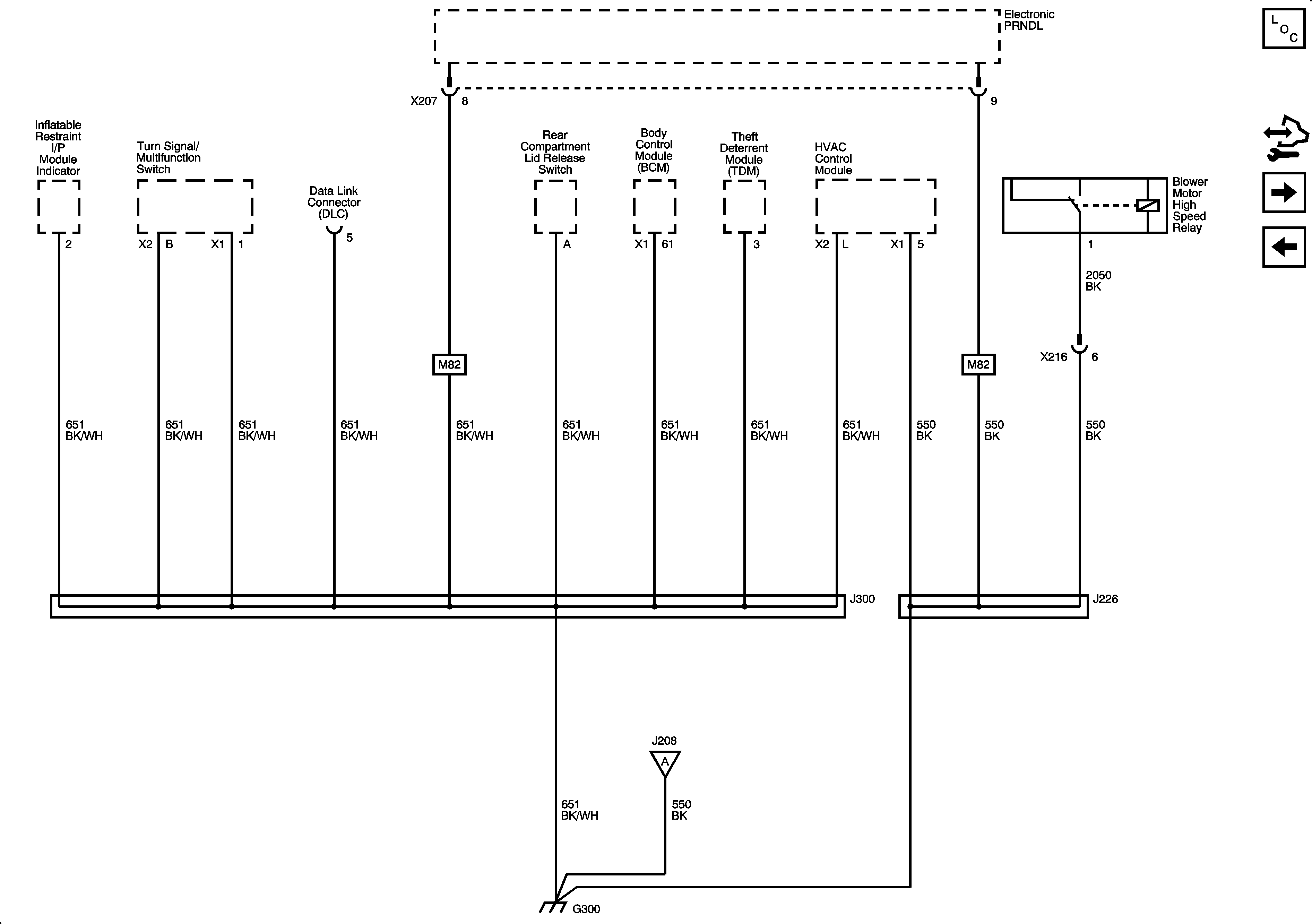
G300 (1 of 2)
G101 and G102
Figure 3:

G300 (1 of 2)


Object Number: 1947059  Size: FS
Master Electrical Component List
Control Module References
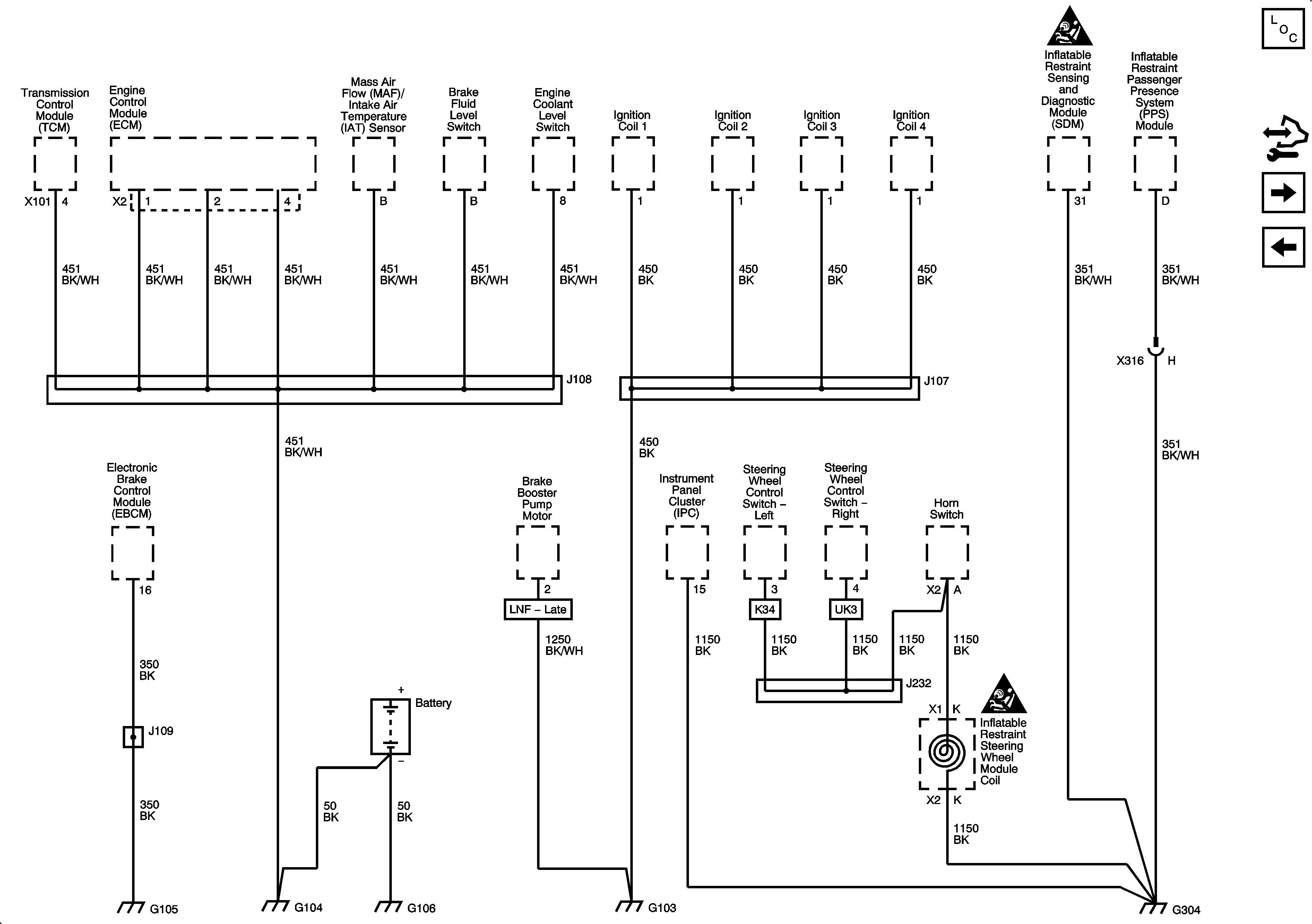
G300 (2 of 2)
G103, G104, G105, G106, G304
Figure 4:

G300 (2 of 2)


Object Number: 1947062  Size: FS
Master Electrical Component List
Control Module References
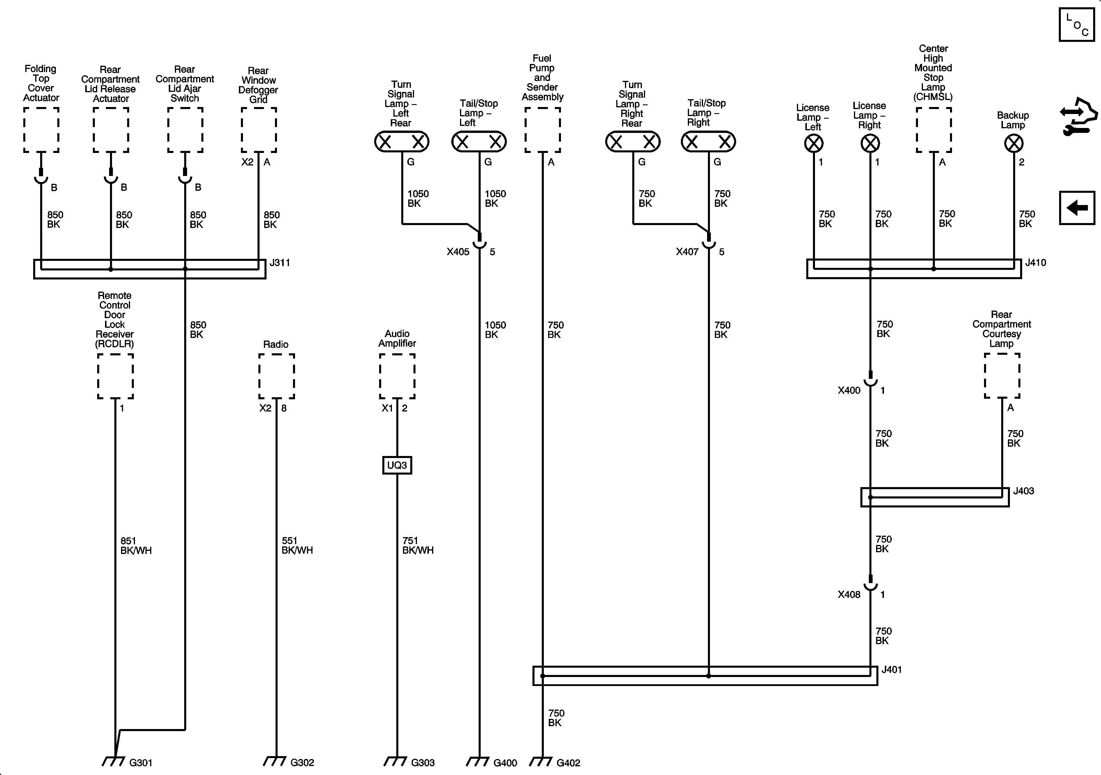
G301, G302, G303, G400, G402
G300 (1 of 2)
Figure 5:

G301, G302, G303, G400, G402


Object Number: 1947064  Size: FS
Master Electrical Component List
Control Module References
G300 (2 of 2)