GM Service Manual Online
For 1990-2009 cars only
Figure 1:

Power, Ground, Indicators, Pretensioners, and Front Air Bag Modules


Object Number: 1942448  Size: FS
Master Electrical Component List
SIR System Description and Operation
Control Module References
Front End Sensors
Master Electrical Schematic Icons
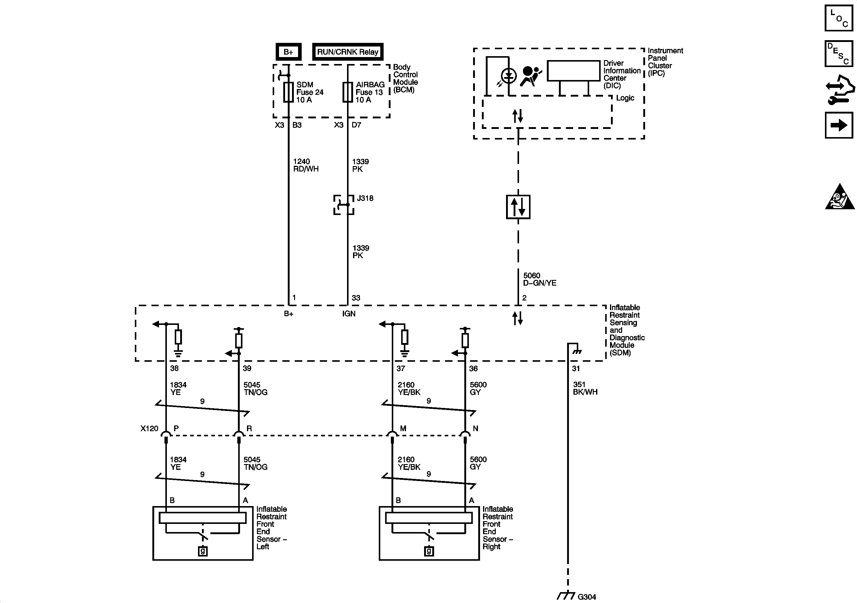
Figure 2:

Front End Sensors


Object Number: 1942455  Size: FS
Master Electrical Component List
SIR System Description and Operation
Control Module References
Passenger Presence System
Power, Ground, Indicators, Pretensioners, and Front Air Bag Modules
Master Electrical Schematic Icons
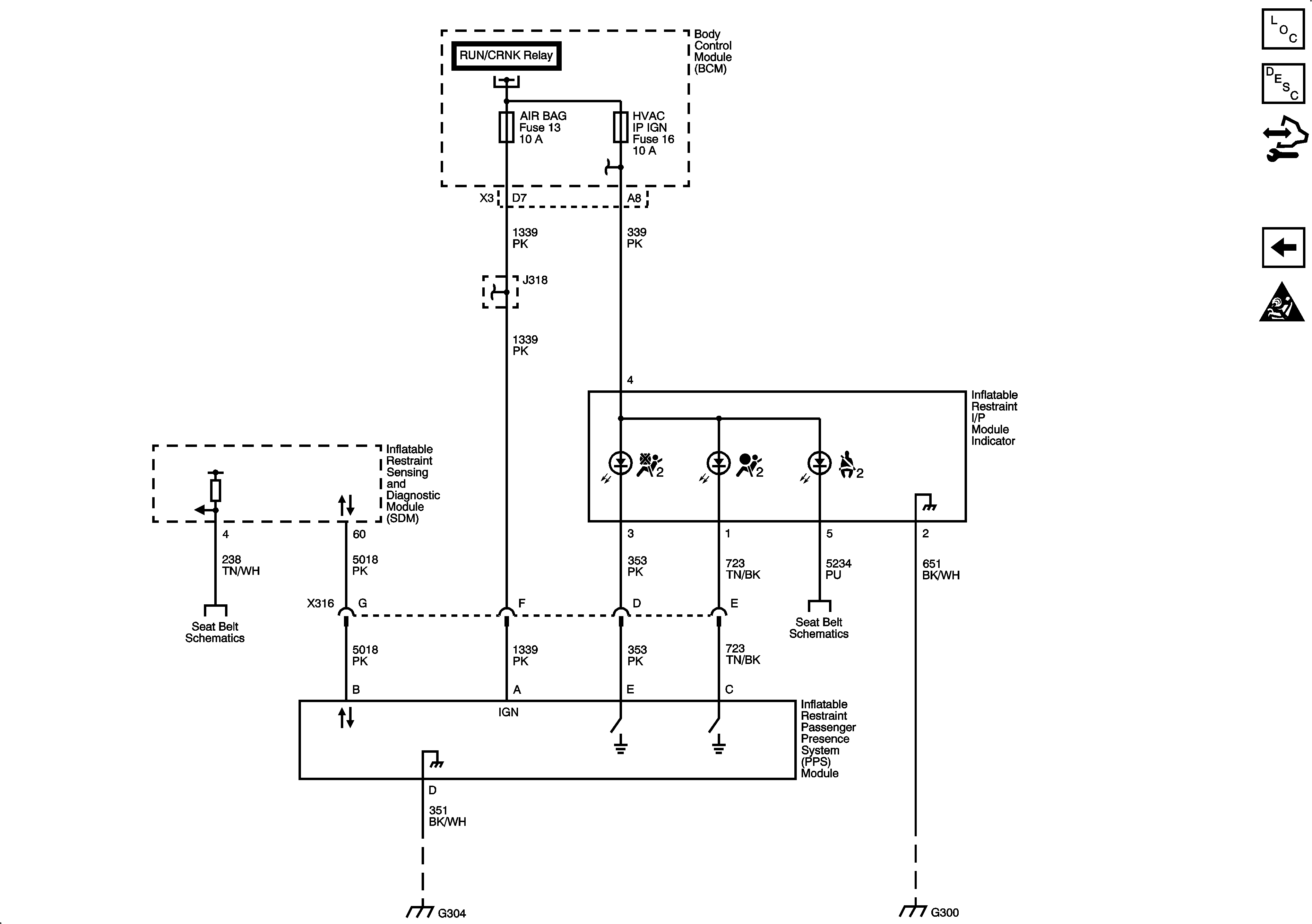
Figure 3:

Passenger Presence System (PPS)


Object Number: 1942501  Size: FS
Master Electrical Component List
SIR System Description and Operation
Control Module References
Front End Sensors
Master Electrical Schematic Icons