GM Service Manual Online
For 1990-2009 cars only
Makes
🢒
Daewoo
🢒
2009
🢒
G2X
🢒
Diagnostic Navigation
🢒
Vehicle Diagnostic Information
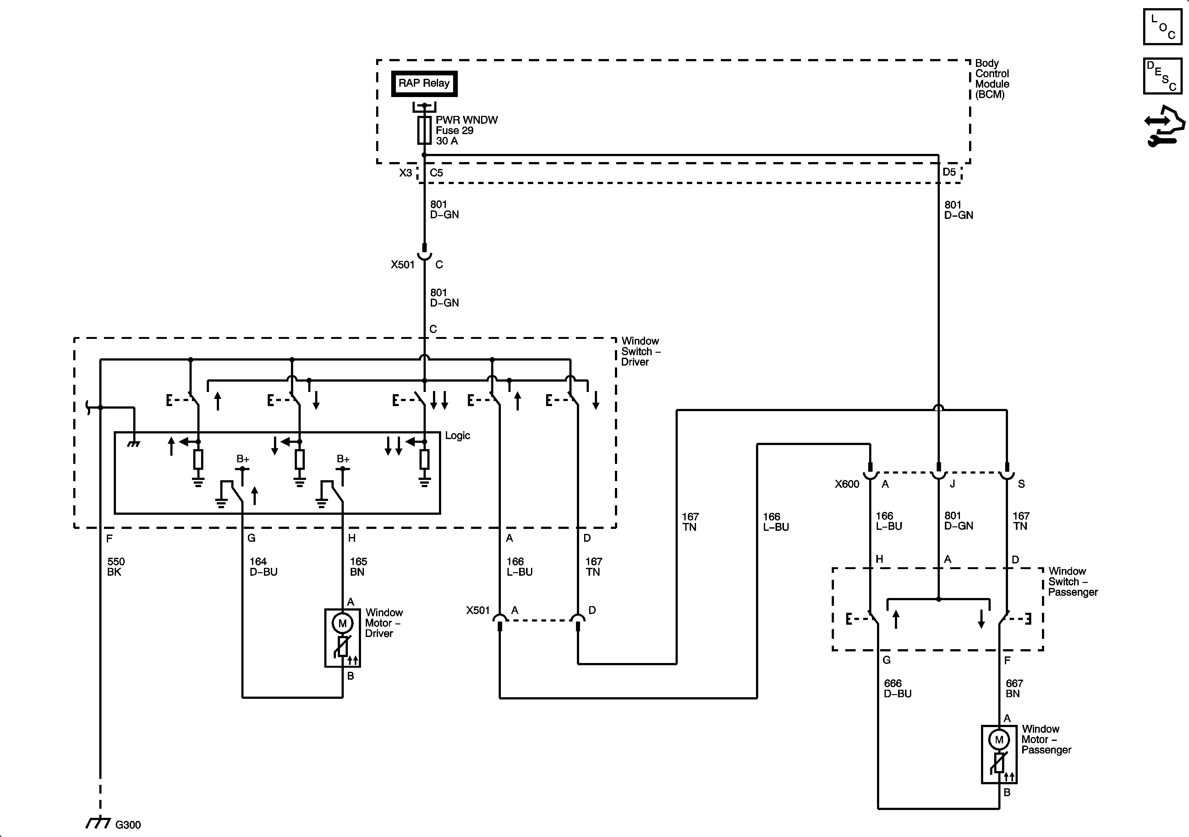
🢒 Moveable Window Schematics