GM Service Manual Online
For 1990-2009 cars only
Figure 1:

Power, Ground, and Sensors


Object Number: 2050640  Size: FS
Figure 2:

Modules and Pretensioners


Object Number: 2050643  Size: FS
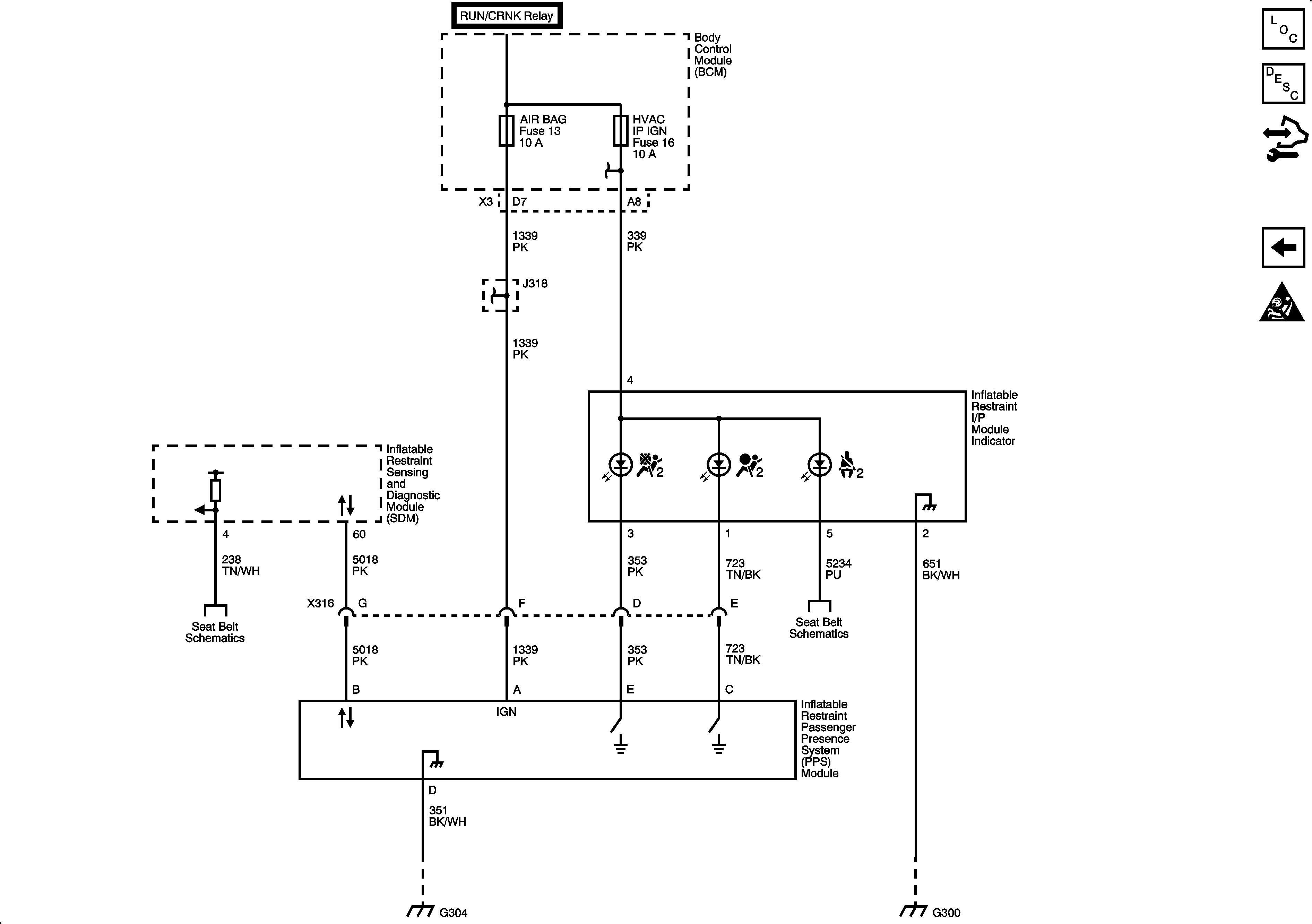
Figure 3:

Indicator and Passenger Presence System (PPS)


Object Number: 2050652  Size: FS