| Figure 1: |
B+ Bus Bar (1 of 2)
|
| Figure 2: |
B+ Bus Bar (2 of 2)
|
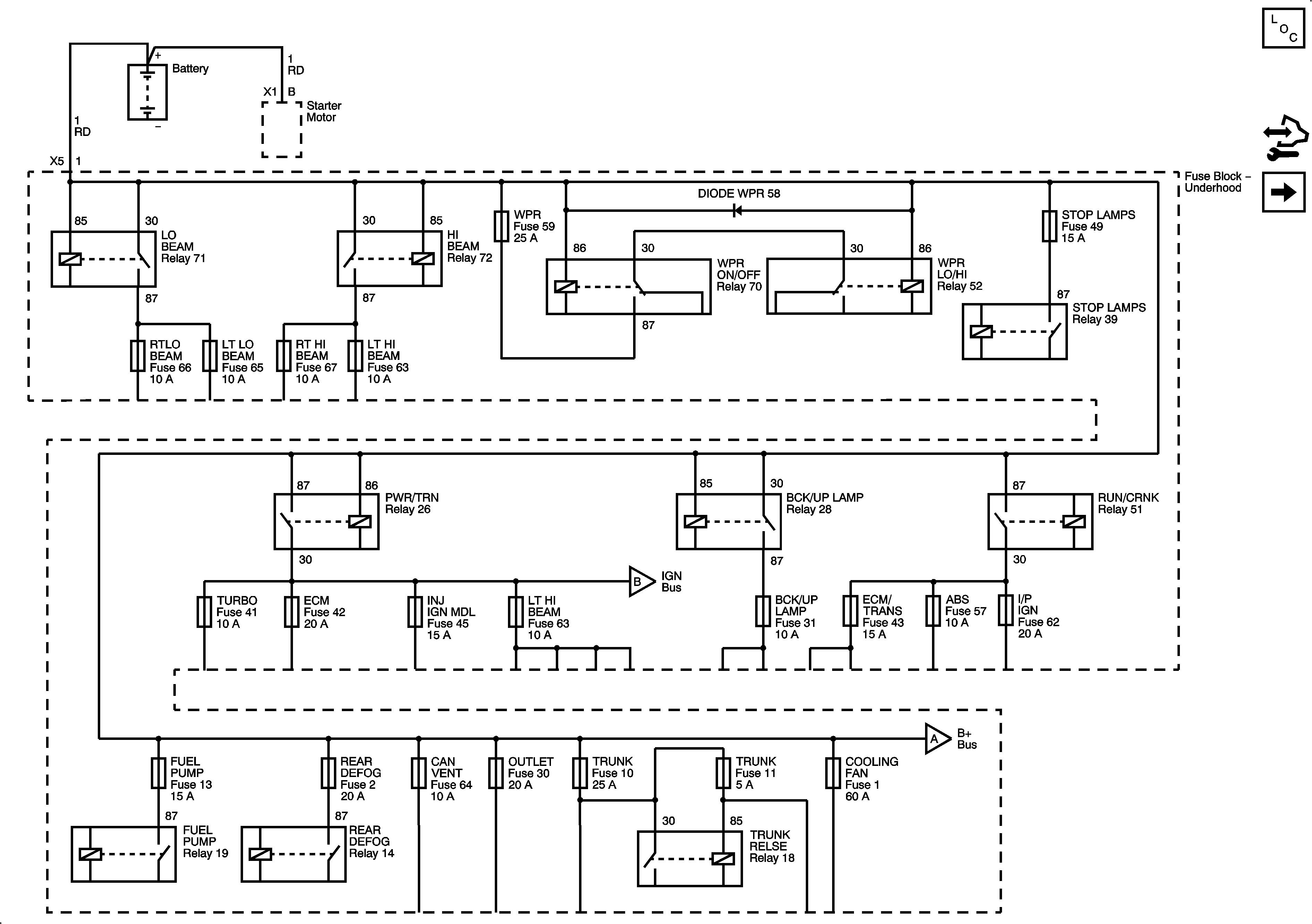
| Figure 3: |
LT LO Beam, LT HI Beam, RT LO Beam, and RT HI Beam Fuses
|
| Figure 4: |
ECM/TRANS, I/P IGN, OUTLET, CAN VENT, AIRBAG, EPS/STR WHL CNTRL, HVAC/IP IGN, and WPR Fuses
|
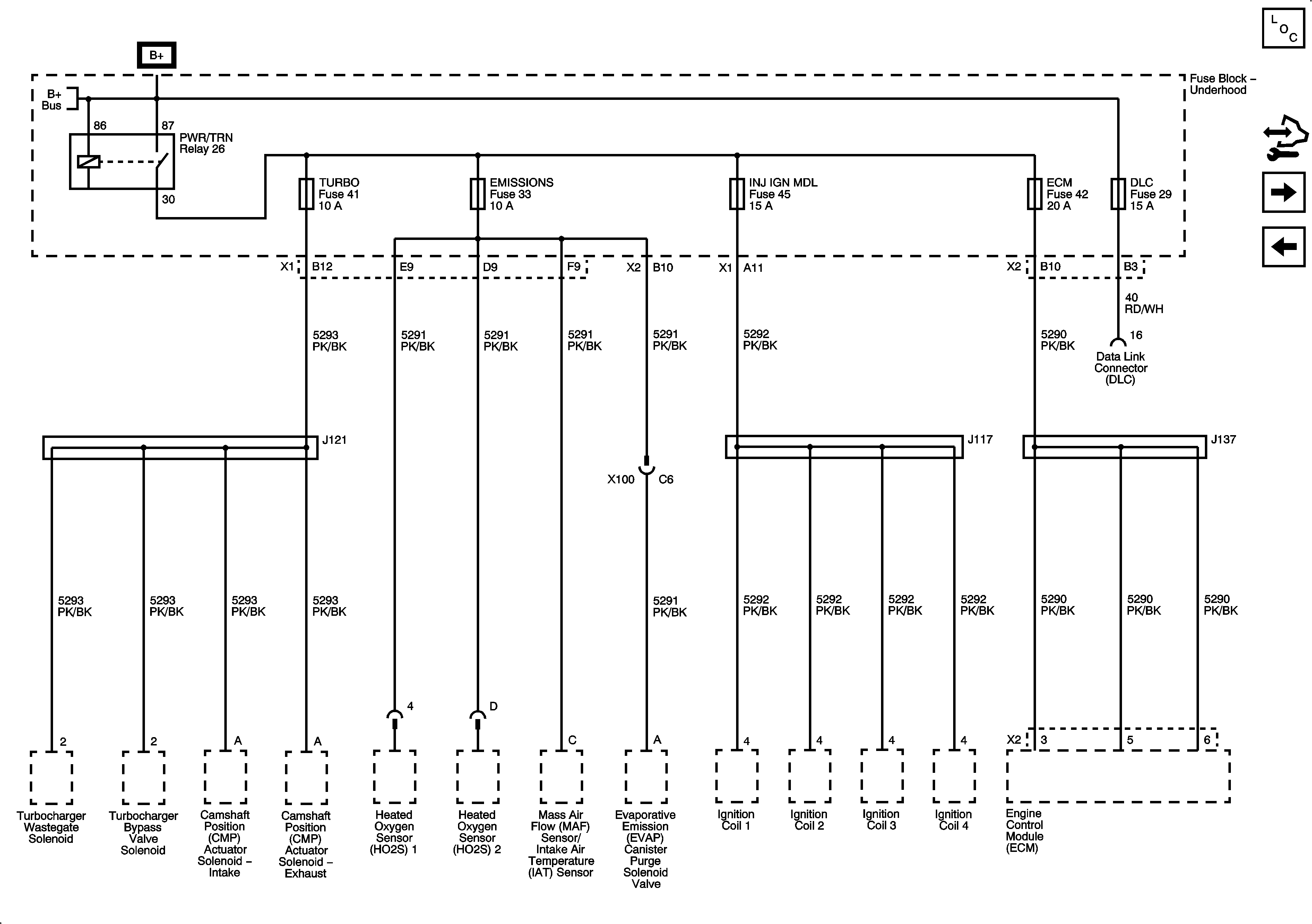
| Figure 5: |
DLC, ECM, EXH, INJ IGN MDL, and TURBO Fuses
|
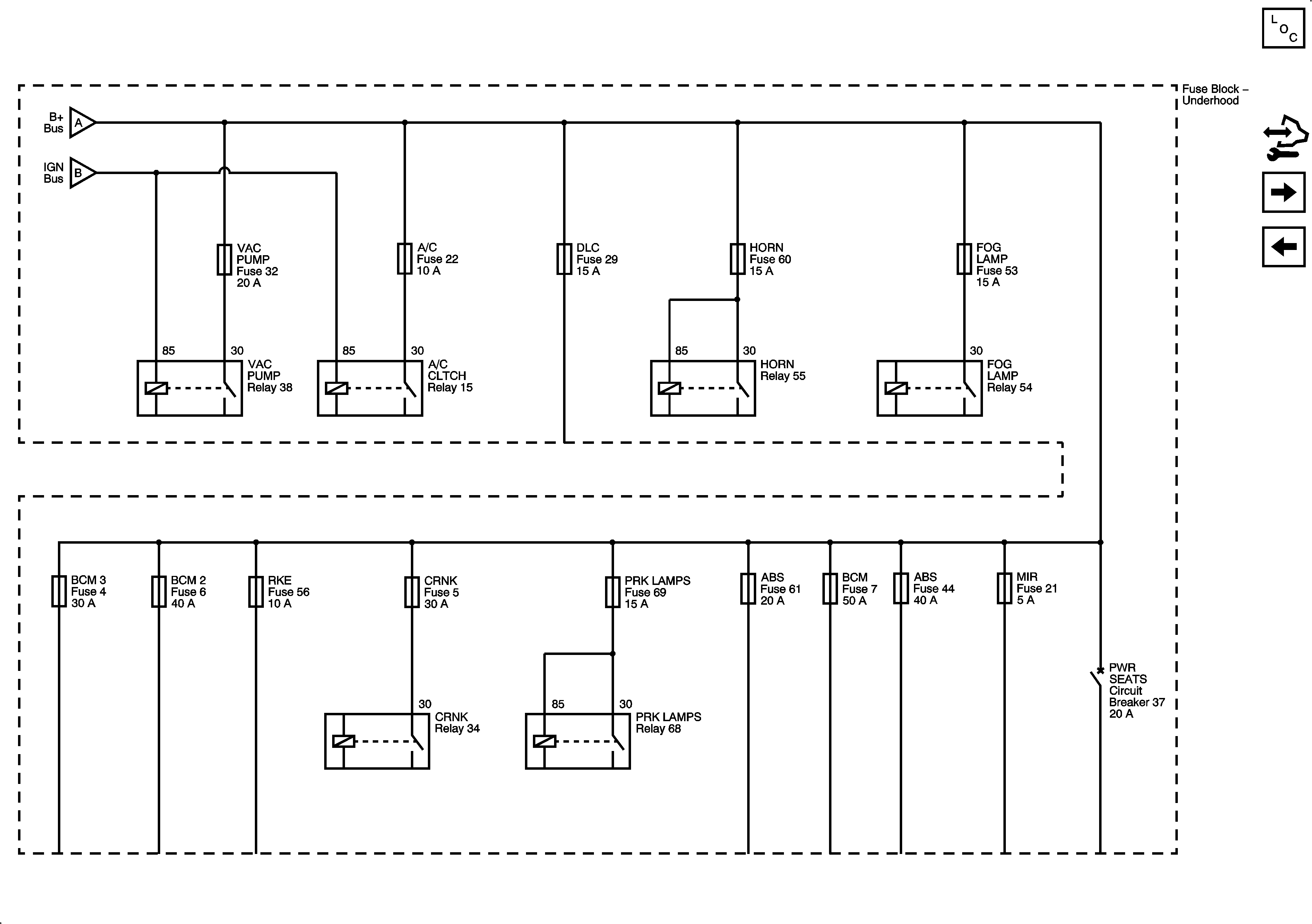
| Figure 6: |
MIR, COOLING FAN, ABS, RKE Fuses and PWR SEATS Circuit Breaker
|
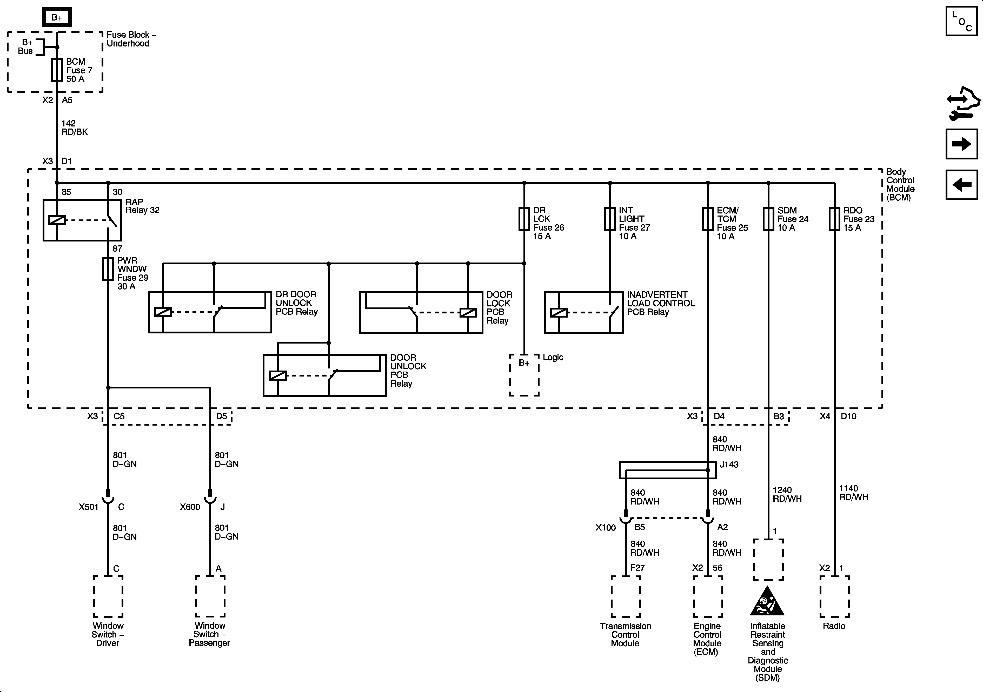
| Figure 7: |
BCM, PWR WNDW, DR LCK, INT LIGHT, ECM/TCM, SDM, and RDO Fuses
|
| Figure 8: |
CLSTR, AMP, HVAC/PK3+, IGN SW/PK3+, BCM 2 and BCM 3 Fuses
|
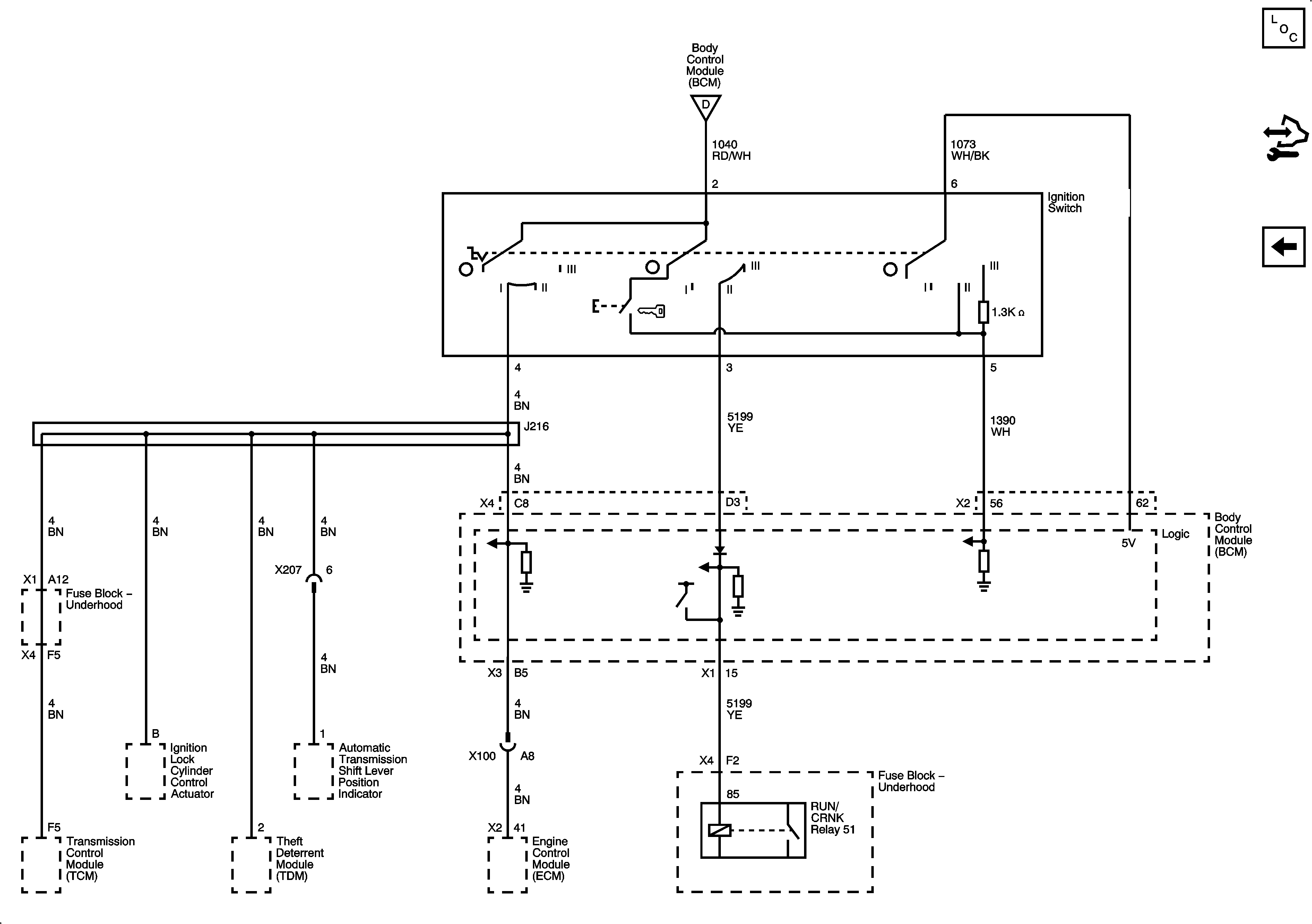
| Figure 9: |
Ignition Switch Modes
|