GM Service Manual Online
For 1990-2009 cars only
Makes
🢒
Daewoo
🢒
2009
🢒
G2X
🢒
Body Systems
🢒
Lighting
🢒 Interior Lights Dimming Schematics
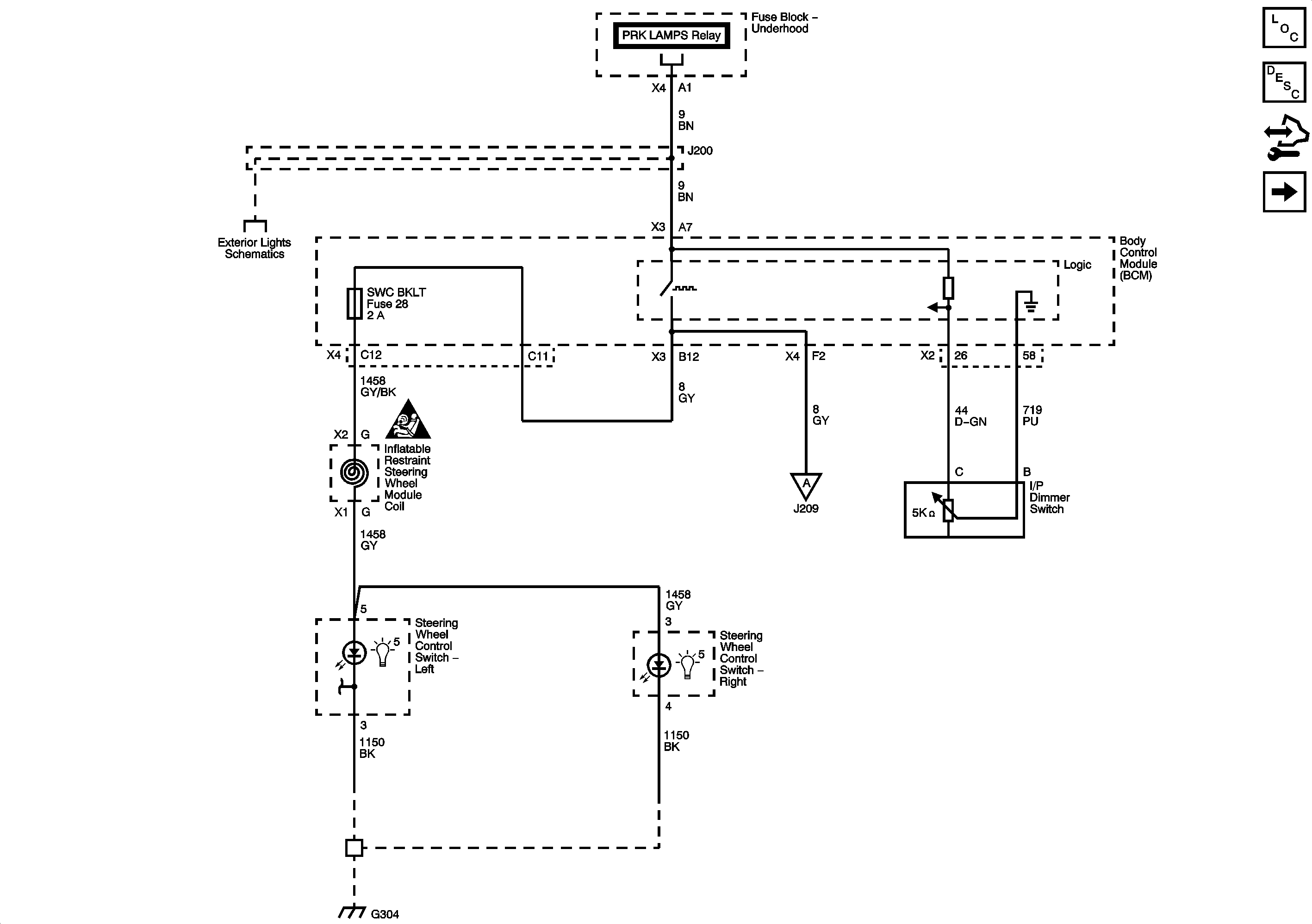
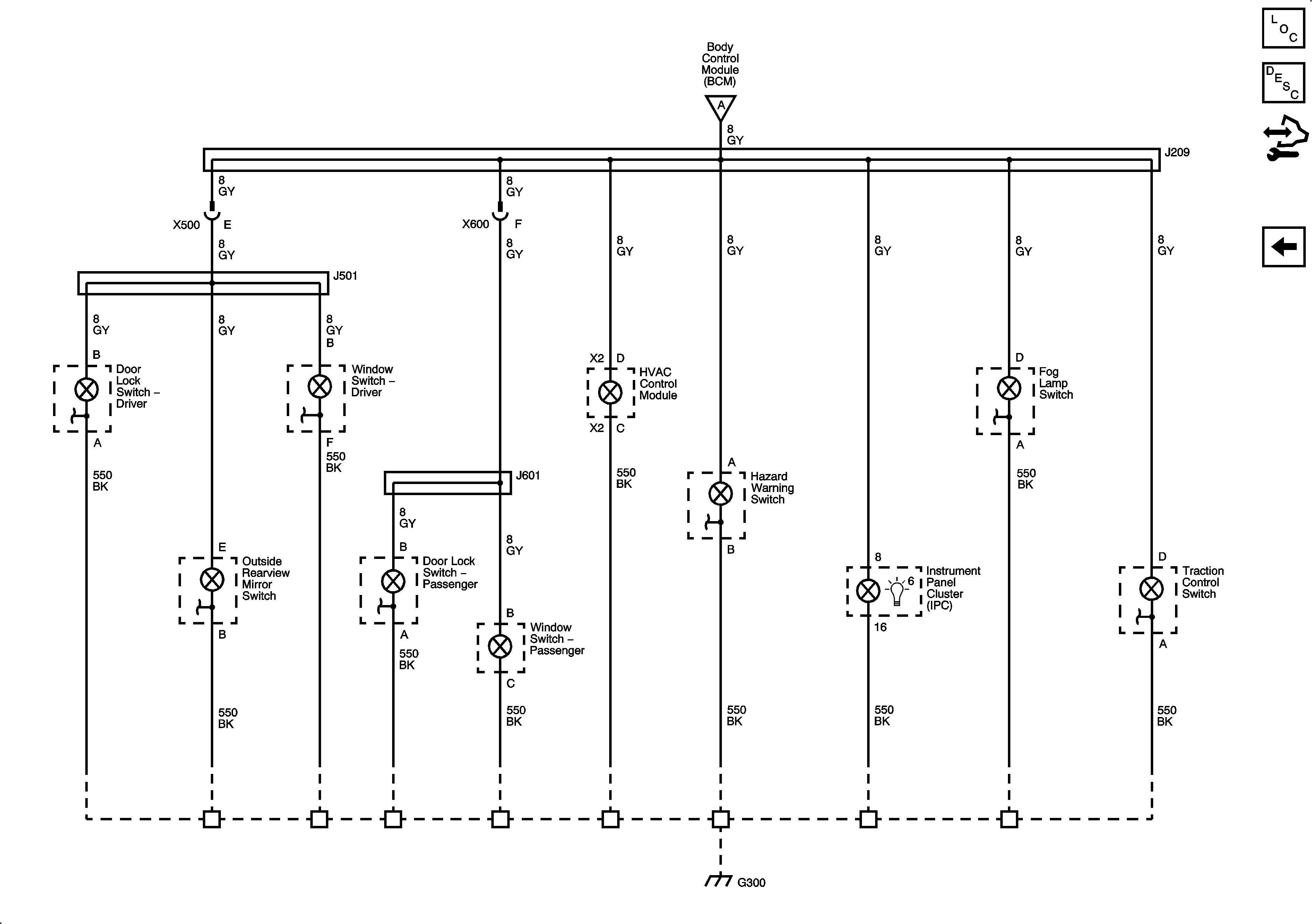
Figure
1:
Dimmer Switch
Figure
2:
Lights