GM Service Manual Online
For 1990-2009 cars only
Figure 1:

G101 and G102


Object Number: 2050399  Size: FS
Figure 2:

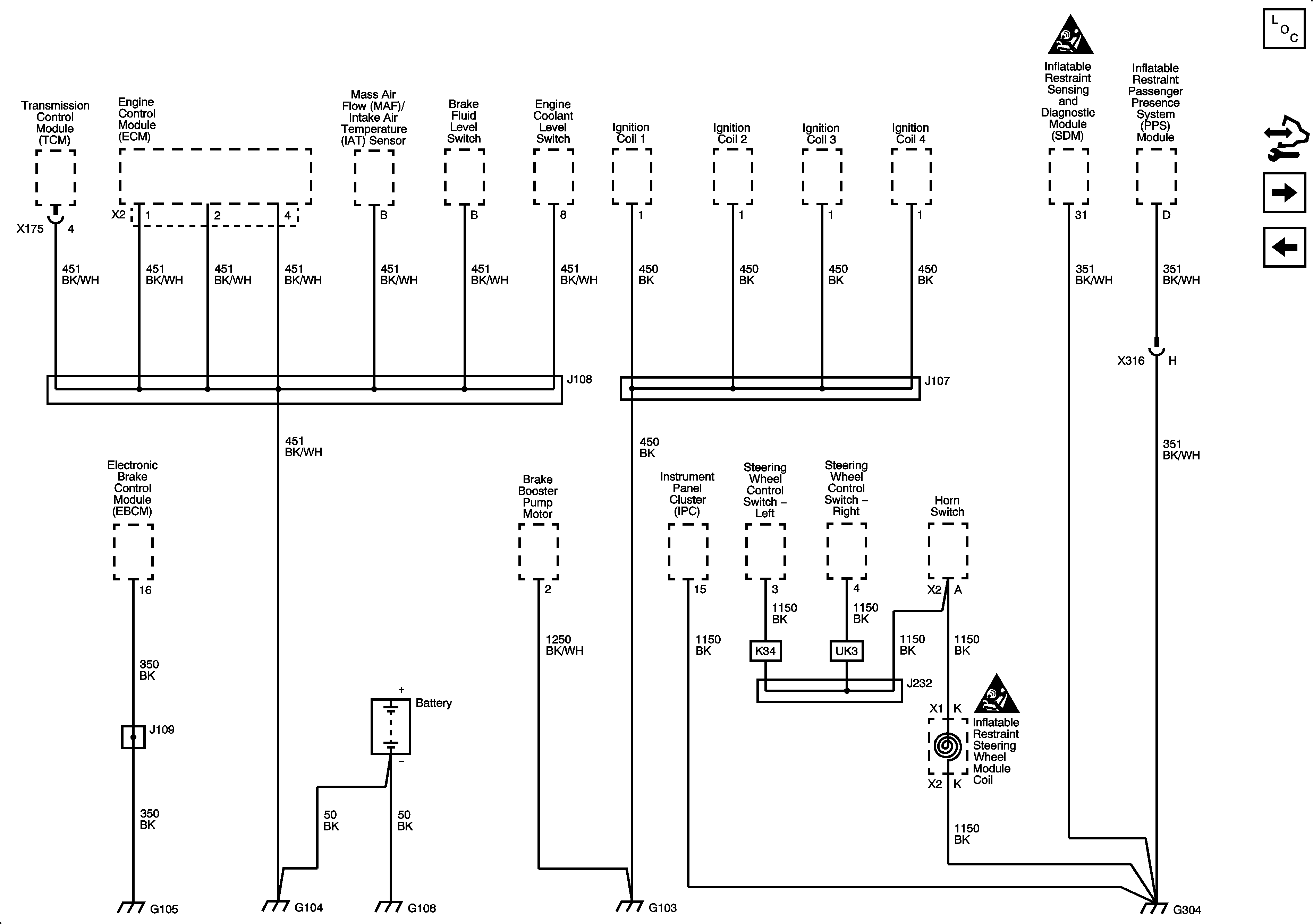
G103, G104, G105, G106, G304


Object Number: 2050401  Size: FS
Figure 3:

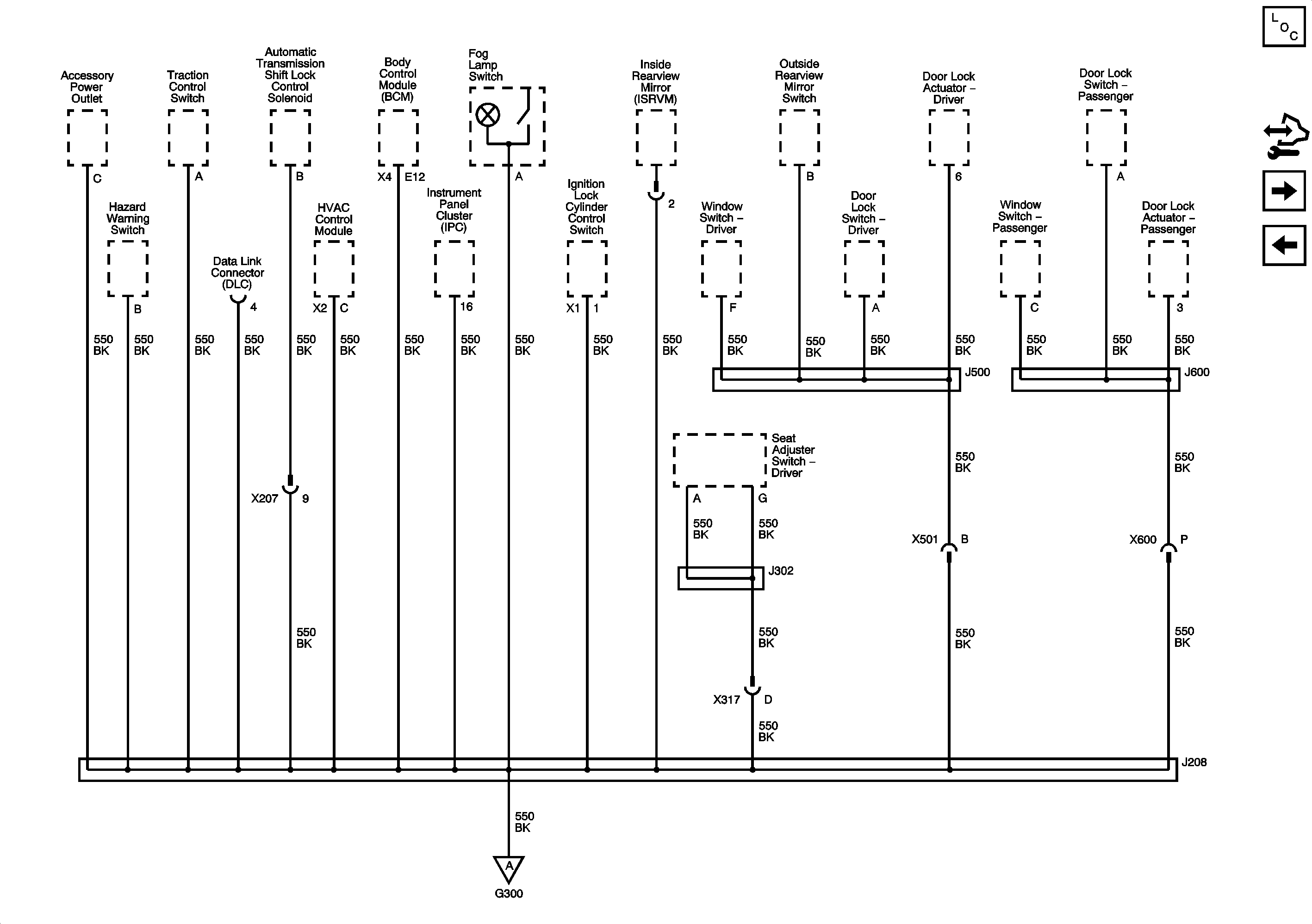
G300 (1 of 2)


Object Number: 2050404  Size: FS
Figure 4:

G300 (2 of 2)


Object Number: 2050408  Size: FS
Figure 5:

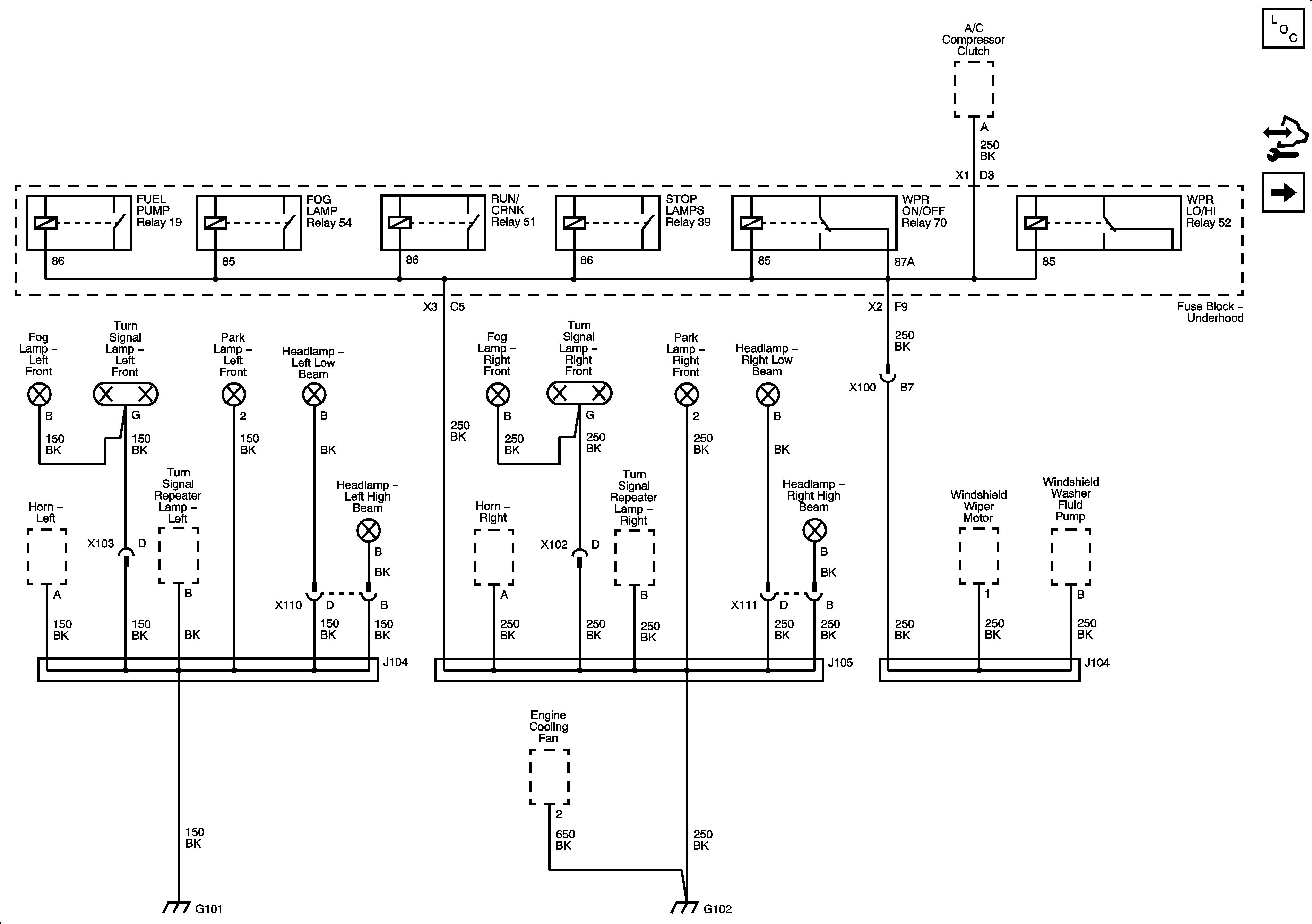
G301, G302, G303, G400, G402


Object Number: 2050416  Size: FS