GM Service Manual Online
For 1990-2009 cars only
Figure 1:

Power, Ground, and Blower Motor


Object Number: 2050472  Size: FS
Figure 2:

Mode and Air Temperature Controls


Object Number: 2050475  Size: FS
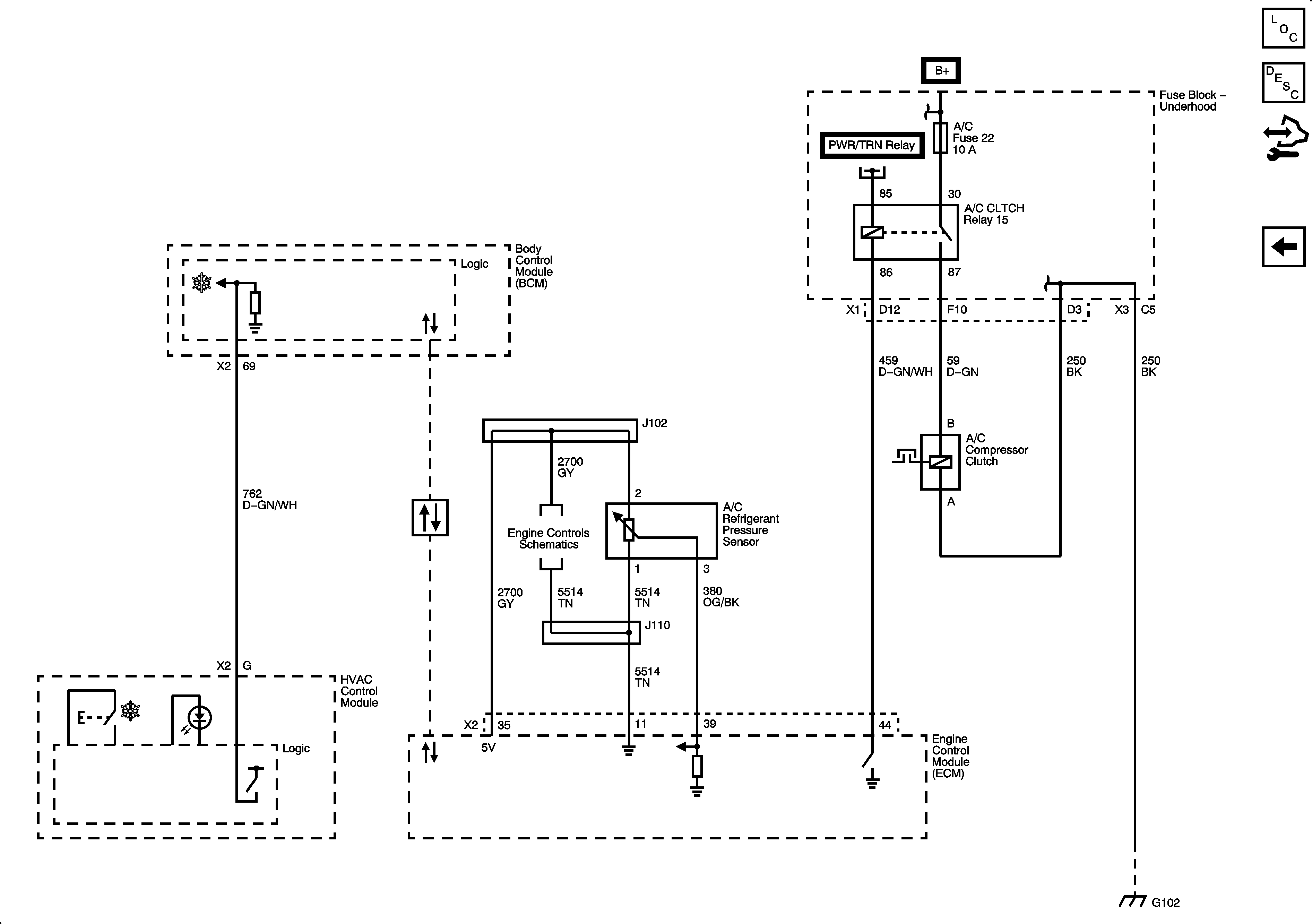
Figure 3:

Compressor Controls


Object Number: 2050478  Size: FS