GM Service Manual Online
For 1990-2009 cars only
Makes
🢒
Daewoo
🢒
2009
🢒
Lacetti (Global Delta)
🢒
Engine
🢒
Engine Mechanical - 2.0L (Diesel)
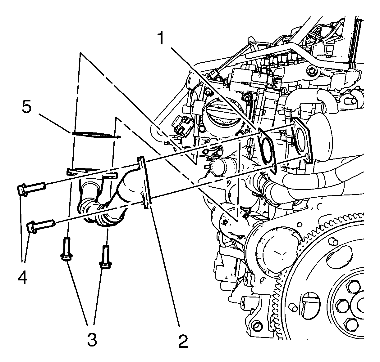
🢒 Exhaust Gas Recirculation Pipe Removal
Remove the 2 EGR pipe nuts (4).
Remove the 2 EGR pipe bolts (3).
Remove the EGR pipe (2).
Remove the EGR pipe gaskets (1, 5).