GM Service Manual Online
For 1990-2009 cars only
Figure 1:

CAN-Bus High Speed (1 of 2)


Object Number: 2135133  Size: FS
Figure 2:

CAN-Bus High Speed (2 of 2)


Object Number: 2135134  Size: FS
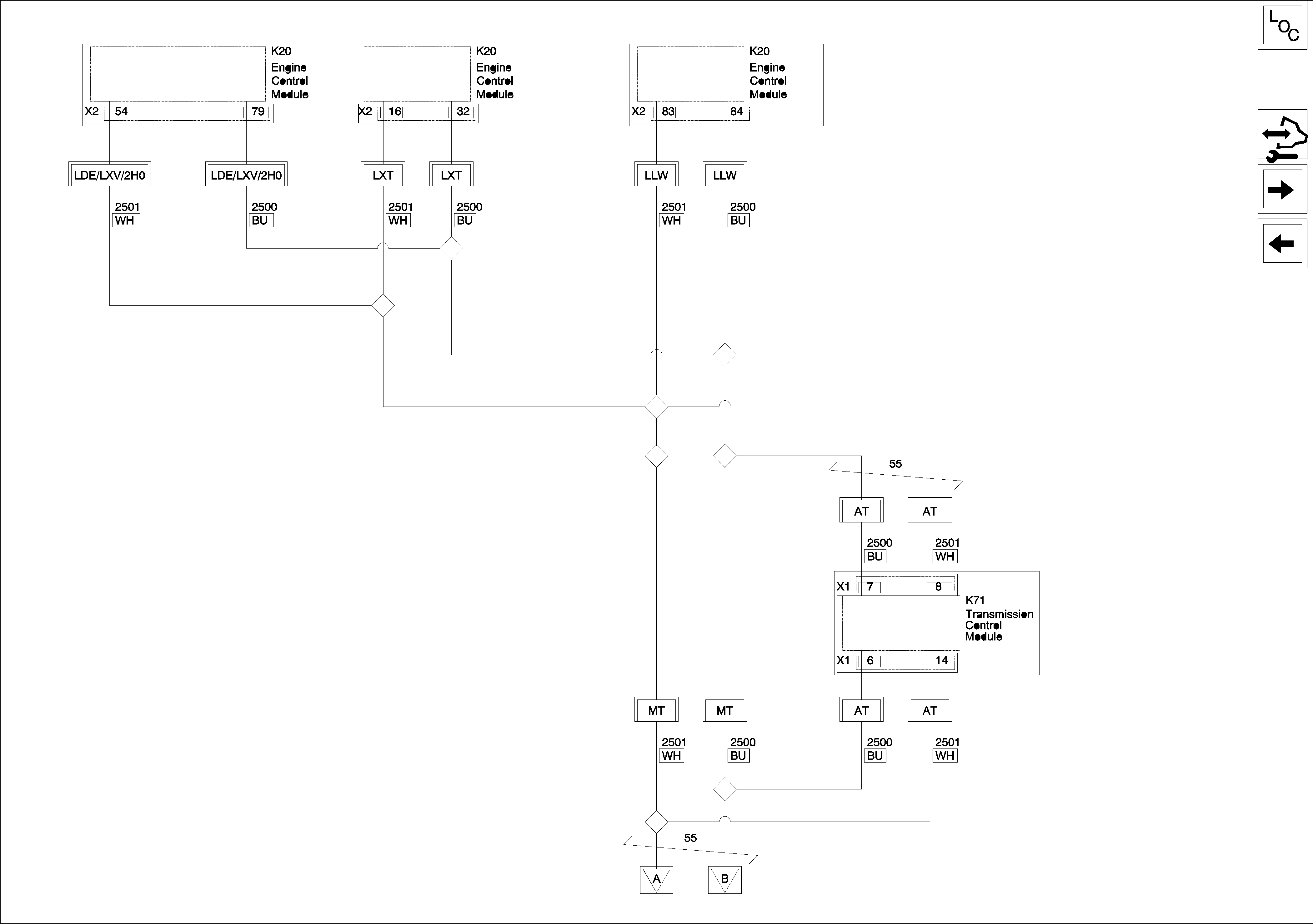
Figure 3:

CAN-Bus Low Speed


Object Number: 2135138  Size: FS
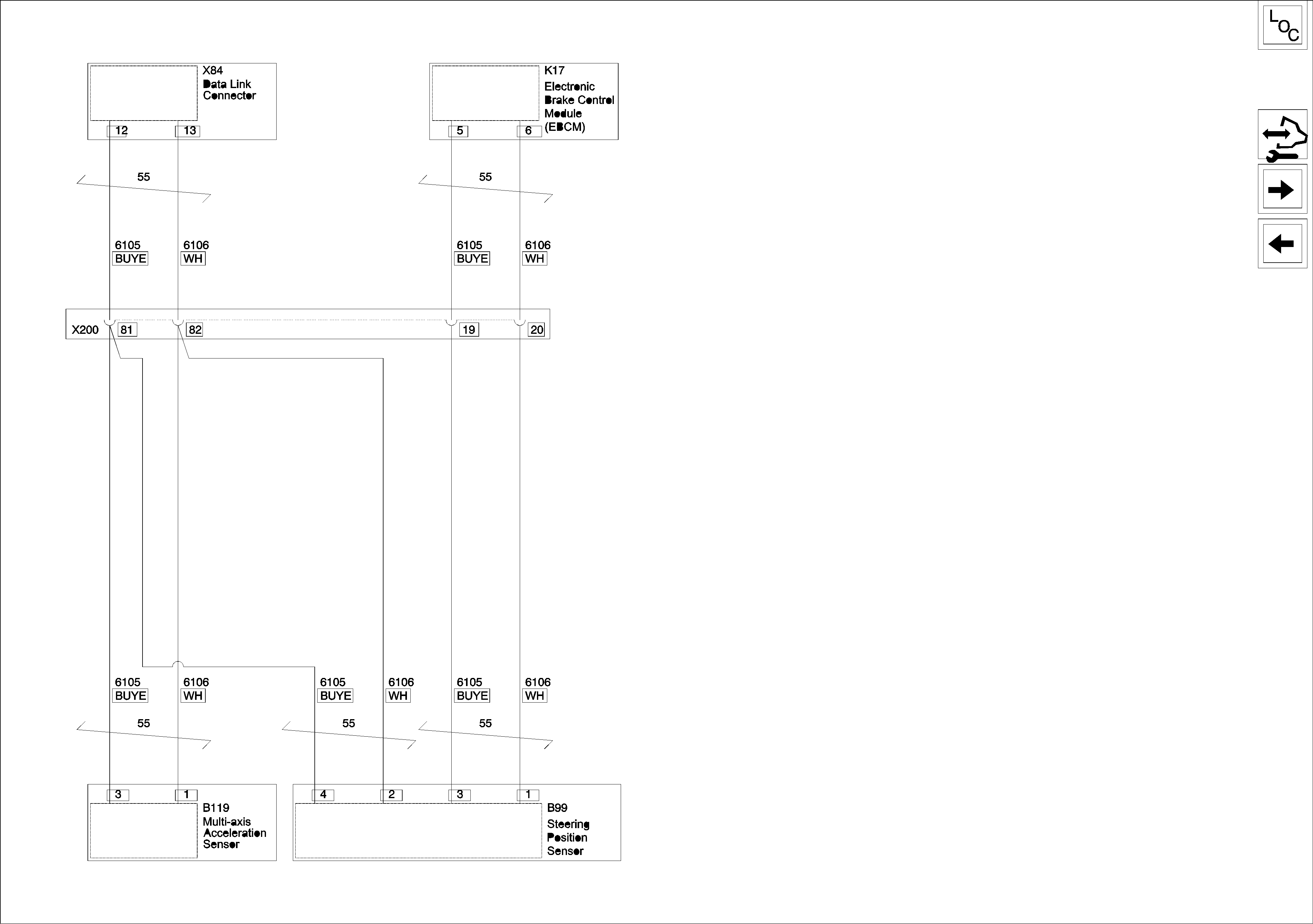
Figure 4:

Chassis Speed GMLAN


Object Number: 2135139  Size: FS
Figure 5:

Serial Data Communication Enable


Object Number: 2135141  Size: FS
Figure 6:

Serial Data - LIN 1


Object Number: 2135143  Size: FS
Figure 7:

Data Link


Object Number: 2135146  Size: FS