GM Service Manual Online
For 1990-2009 cars only
Makes
🢒
Daewoo
🢒
2009
🢒
Lacetti (Global Delta)
🢒
Diagnostic Navigation
🢒
Vehicle Diagnostic Information
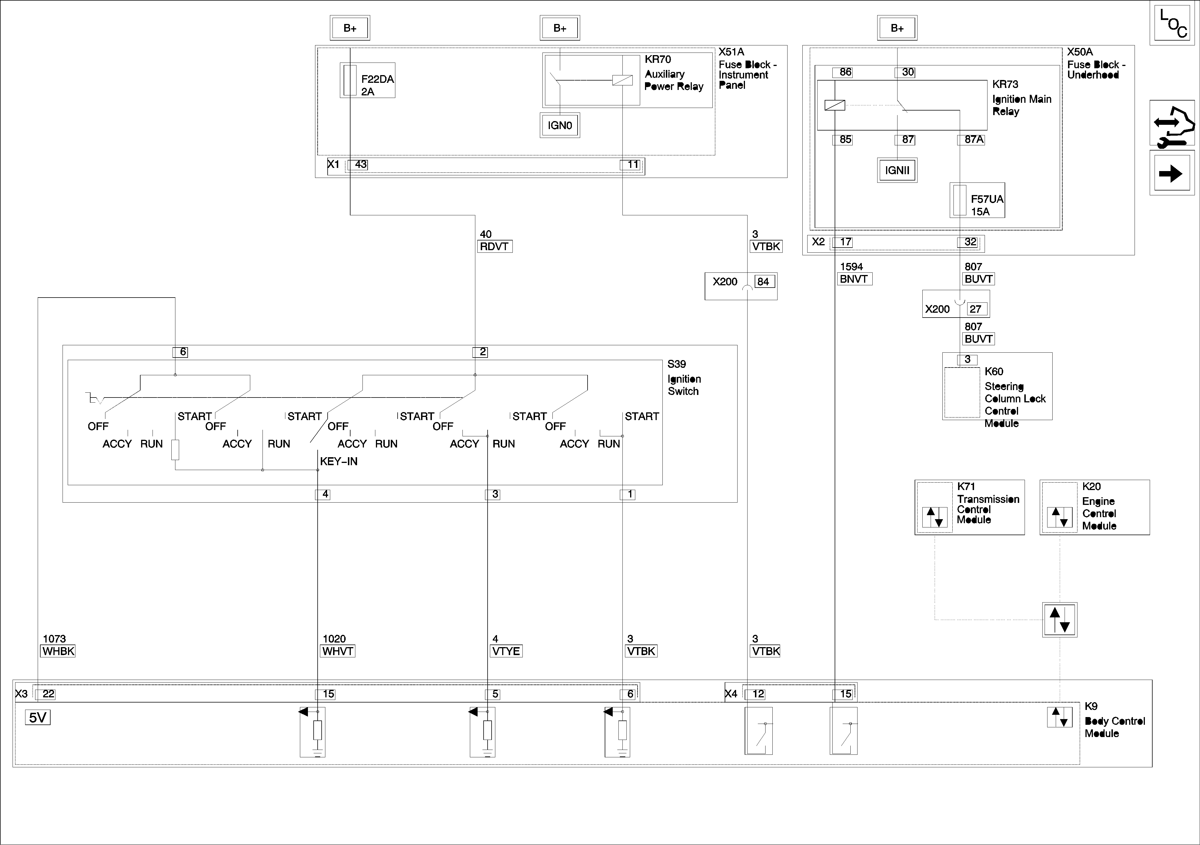
🢒 Power Moding Schematics
Figure
1:
Ignition Switch (Without Lock Control, Entry Remote Entry, Extended Range, Passive Entry)
Figure
2:
Ignition Switch (Lock Control, Entry Remote Entry, Extended Range, Passive Entry)