GM Service Manual Online
For 1990-2009 cars only

Removal Procedure

  1. Disconnect the battery negative cable. Refer to Battery Negative Cable Disconnection and Connection.

  2. Object Number: 2027762  Size: SH
  3. Remove the negative cable nut (1).
  4. Remove the negative cable (2).

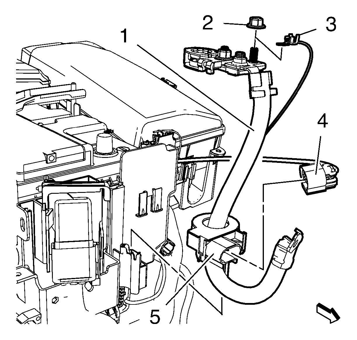
  5. Object Number: 2027817  Size: SH
  6. Disconnect the wiring harness current sensor plug (4).
  7. Remove the current sensor  (5) from the battery tray.
  8. Remove the ground cable nut (2).
  9. Remove the ground cable (3).
  10. Remove the battery negative cable (1).

  11. Object Number: 2027819  Size: SH
  12. Remove the current sensor (2) from the battery negative cable (1).

Installation Procedure


    Object Number: 2027819  Size: SH
  1. Install the current sensor (2) at the battery negative cable (1).

  2. Object Number: 2027817  Size: SH
  3. Install the battery negative cable (1).
  4. Install the ground cable (3).
  5. Caution: Refer to Fastener Caution in the Preface section.

  6. Install the ground cable nut (2) and tighten to  9 N·m (80 lb in).
  7. Install the current sensor (5) at the battery tray.
  8. Connect the wiring harness current sensor plug (4).

  9. Object Number: 2027762  Size: SH
  10. Install the negative cable (2).
  11. Install the negative cable nut (1) and thicken to  9 N·m (80 lb in).
  12. Connect the battery negative cable. Refer to Battery Negative Cable Disconnection and Connection.