GM Service Manual Online
For 1990-2009 cars only
Figure 1:

B+ Bus


Object Number: 2135158  Size: FS
Figure 2:

B+ Bus UEC (1 of 6)


Object Number: 2135162  Size: FS
Figure 3:

B+ Bus UEC (2 of 6)


Object Number: 2135163  Size: FS
Figure 4:

B+ Bus UEC (3 of 6)


Object Number: 2135165  Size: FS
Figure 5:

B+ Bus UEC (4 of 6)


Object Number: 2135166  Size: FS
Figure 6:

B+ Bus UEC (5 of 6)


Object Number: 2135168  Size: FS
Figure 7:

B+ Bus UEC (6 of 6)


Object Number: 2135171  Size: FS
Figure 8:

B+ Bus IEC (1 of 3)


Object Number: 2135172  Size: FS
Figure 9:

B+ Bus IEC (1 of 3)


Object Number: 2135172  Size: FS
Figure 10:

B+ Bus IEC (2 of 3)


Object Number: 2135174  Size: FS
Figure 11:

B+ Bus IEC (3 of 3)


Object Number: 2135176  Size: FS
Figure 12:

F5UA, F54UA and F57UA Fuses


Object Number: 2135177  Size: FS
Figure 13:

F13UA, F16UA, F17UA, F18UA, F20UA, F52UA and F53UA Fuses


Object Number: 2135181  Size: FS
Figure 14:

F24UA, F32UA, F35UA, F55UA, F69UA and F70UA Fuses


Object Number: 2135184  Size: FS
Figure 15:

F11UA, 59UA and F62UA Fuses


Object Number: 2135186  Size: FS
Figure 16:

F47UA Fuse


Object Number: 2135189  Size: FS
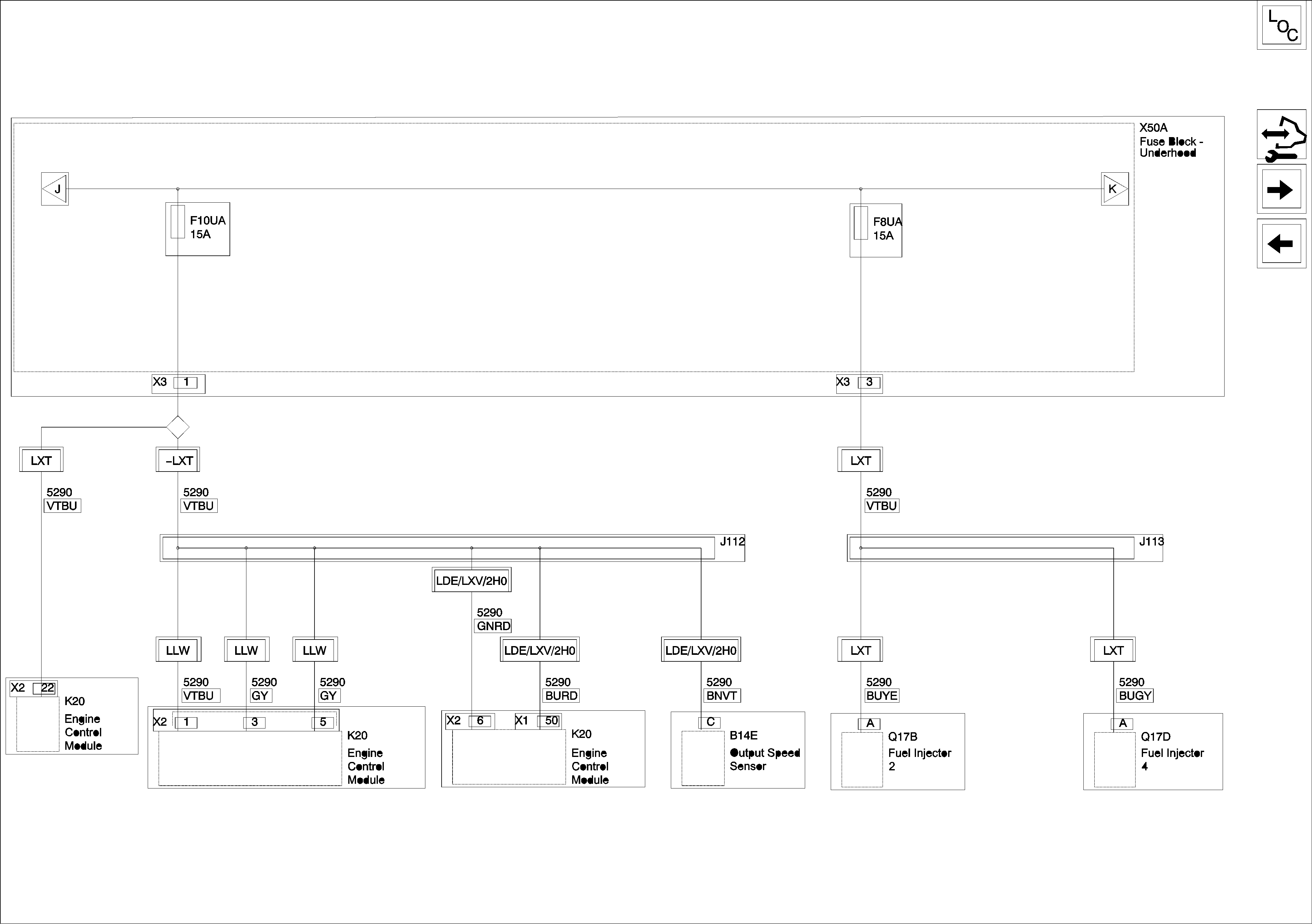
Figure 17:

F8UA and F10UA Fuses


Object Number: 2135190  Size: FS
Figure 18:

F9UA Fuse


Object Number: 2135192  Size: FS
Figure 19:

F42UA and F46UA Fuses


Object Number: 2135194  Size: FS
Figure 20:

F21UA, F27UA, F30UA, F37UA, F38UA, F45UA, F48UA and F51UA Fuses


Object Number: 2135197  Size: FS
Figure 21:

F1UA, F2UA, F6UA, F26UA, F31UA, F33UA, F34UA, F64UA and F67UA Fuses


Object Number: 2135198  Size: FS
Figure 22:

F12UA, F28UA, F56UA, F60UA and F65UA Fuses


Object Number: 2135200  Size: FS
Figure 23:

F14DA, F15DA, F16DA, F17DA, F21DA, F22DA, F23DA, F24DA and F25DA Fuses


Object Number: 2135204  Size: FS
Figure 24:

F1DA, F4DA and F5DA Fuses


Object Number: 2135207  Size: FS
Figure 25:

F6DA and F7DA Fuses


Object Number: 2135209  Size: FS
Figure 26:

F3DA, F8DA, F9DA, F10DA, F11DA, F12DA and F13DA Fuses


Object Number: 2173424  Size: FS