GM Service Manual Online
For 1990-2009 cars only

Special Tools

CH 49375 Wrench

For equivalent regional tools, refer to Special Tools.

Warning: Refer to Brake Fluid Irritant Warning in the Preface section.

Caution: Refer to Brake Fluid Effects on Paint and Electrical Components Caution in the Preface section.

Removal Procedure

Caution: Always connect or disconnect the wiring harness connector from the EBCM/EBTCM with the ignition switch in the OFF position. Failure to observe this precaution could result in damage to the EBCM/EBTCM.

  1. Raise and the vehicle. Refer to Lifting and Jacking the Vehicle.
  2. Remove the tire and wheel assembly. Refer to Tire and Wheel Removal and Installation.

  3. Object Number: 2027759  Size: SH
  4. Separate the brake hose (1) from the shock absorber.

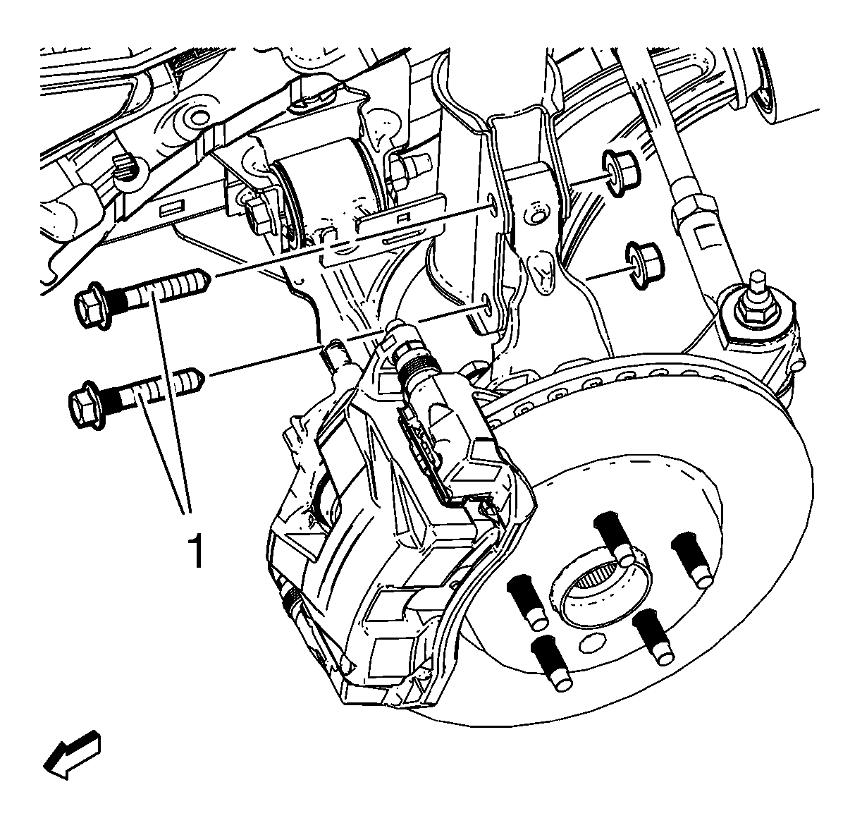
  5. Object Number: 2027760  Size: SH
  6. Remove the steering knuckle nuts and bolts (1).

  7. Object Number: 2027766  Size: SH
  8. Remove the stabilizer shaft link nut (1) from the front strut.
  9. Lower the vehicle.
  10. Open the hood.

  11. Object Number: 2027761  Size: SH
  12. Remove the upper strut mount nut (1), use the CH 49375 wrench .
  13. Remove the strut mounting plate (2).
  14. Separate the front strut from the knuckle.
  15. Remove the front strut assembly from the vehicle.
  16. For servicing the individual strut components, refer to Strut, Strut Component, and Spring Replacement.

Installation Procedure

  1. Install the front strut assembly.
  2. Install the strut mounting plate.
  3. Caution: Refer to Fastener Caution in the Preface section.


    Object Number: 2027761  Size: SH
  4. Install the upper strut mount nut, using the CH 49375 wrench and tighten to  45 N·m (34 lb ft).

  5. Object Number: 2027760  Size: SH
  6. Insert the front strut in the knuckle.
  7. Install the steering knuckle nuts and bolts (1) and tighten to  45 N·m (34 lb ft).
  8. Install the stabilizer shaft link nut (1) and tighten to  65 N·m (48 lb ft).
  9. Install the brake hose (1) to the strut.
  10. Install the front tire and wheel assembly. Refer to Tire and Wheel Removal and Installation.
  11. Lower the vehicle.
  12. Check the front end alignment specifications. Refer to Wheel Alignment Specifications.