GM Service Manual Online
For 1990-2009 cars only
Makes
🢒
Daewoo
🢒
2009
🢒
Lacetti (Global Delta)
🢒
Driver Information and Entertainment
🢒
Displays and Gages
🢒 Driver Information System Schematics
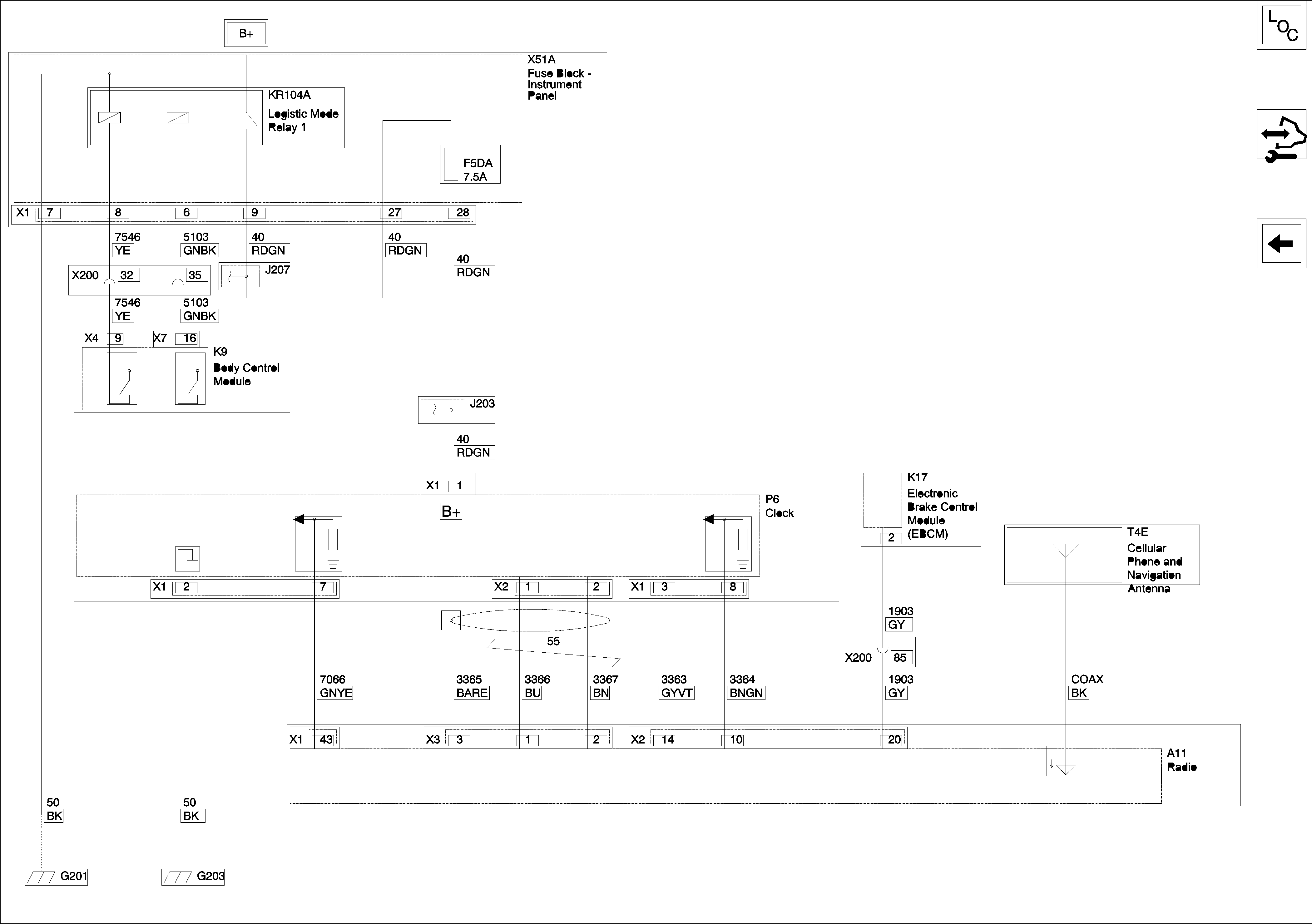
Figure
1:
Display Infotainment (Display Graphic Info Display (GID), Var 1 or Infotainment Display Time, External Temp, Radio)
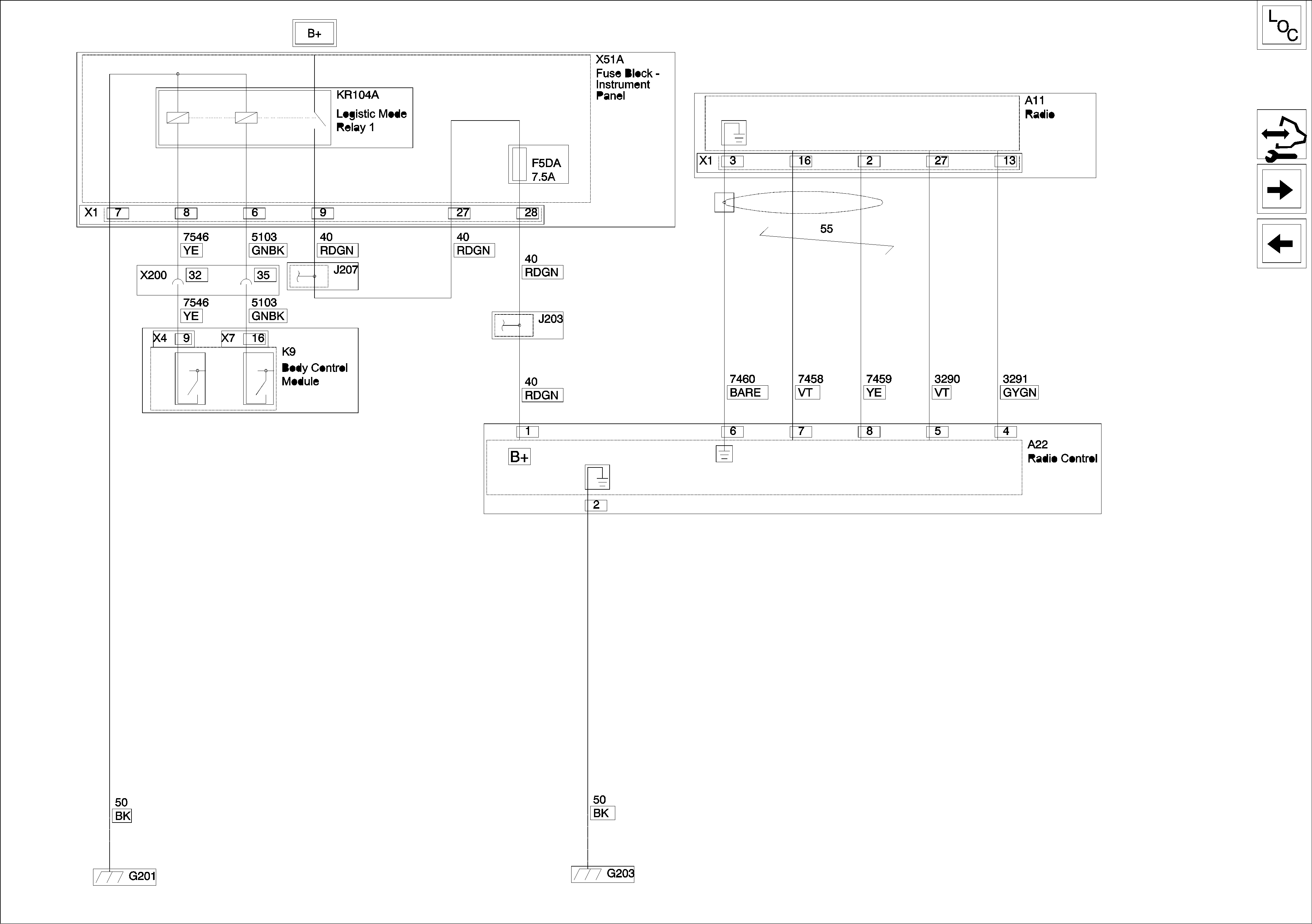
Figure
2:
Display Infotainment (1 of 2) (INFOTAINMENT DISPLAY COLOR INFO DISPLAY (CID) 7", QVGA)
Figure
3:
Display Infotainment (2 of 2) (INFOTAINMENT DISPLAY COLOR INFO DISPLAY (CID) 7", QVGA)