GM Service Manual Online
For 1990-2009 cars only

Special Tools

    • CH 904 Underframe
    • CH 49289 Centering Adapter

For equivalent regional tools. Refer to Special Tools.

Removal Procedure

  1. Support the radiator and condenser from above using the condenser tabs on each side.
  2. Raise the vehicle on a hoist. Refer to Lifting and Jacking the Vehicle.
  3. Remove the tire and wheel assemblies. Refer to Tire and Wheel Removal and Installation.
  4. Remove the exhaust flexible pipe. Refer to Exhaust Flexible Pipe Replacement.
  5. Remove the front compartment splash shield. Refer to Front Compartment Splash Shield Replacement.
  6. Remove the front compartment insulator, if equipped. Refer to Front Compartment Insulator Replacement.

  7. Object Number: 2028081  Size: SH
  8. Remove the wheel speed sensor wiring harness (2) from the frame on both sides.
  9. Remove the wiring harness retainers (3) from the frame and the lower control arm.

  10. Remove the radiator wiring harness (1) from the frame.
  11. Remove the wiring harness retainers (4) from the frame.


    Object Number: 2028068  Size: SH
  12. Remove the power steering gear inlet and outlet hose bolt (1), remove the inlet and outlet hose (2) from the steering gear (3).
  13. Cap the hoses in order to prevent from excessive fluid loss and contamination.

  14. Object Number: 2028082  Size: SH
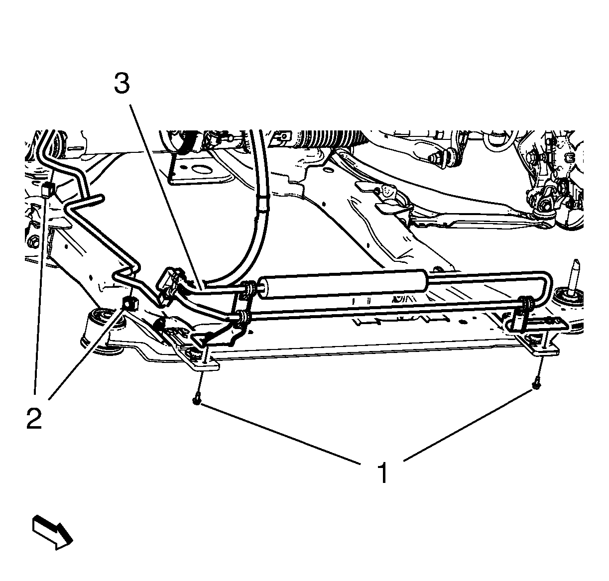
  15. Remove the power steering fluid cooling pipe bolt (1), clip out (2) and securing the power steering fluid cooling pipe (3) to the vehicle.
  16. Remove the lower ball joints from the steering knuckles. Refer to Lower Control Arm Replacement.

  17. Object Number: 2028083  Size: SH
  18. Remove the stabilizer link nut (1) from the strut.
  19. Remove the outer tie rods and tie rod nuts from the steering knuckles. Refer to Steering Linkage Outer Tie Rod Replacement.

  20. Object Number: 2028084  Size: SH
  21. Remove the front (1) and the rear (2) transmission mount bracket bolts.

  22. Object Number: 2028086  Size: SH
  23. Raise the CH 904 frame and CH 49289 adapter with the hydraulic jack until it contact the frame.

  24. Object Number: 2028250  Size: SH

    Note: Positioning pins (2 ,3) of CH 49289 adapter MUST stick into holes of drivetrain frame.

  25. Check if wheel alignment is required.
  26. Move out position pins (1) and try to insert into underbody holes.

    If guide pins can NOT be insert, the Wheel Alignment Measurement is required after installation of drive train frame.


    Object Number: 2028085  Size: SH
  27. Remove and discard the frame front bolts (1).
  28. Remove and discard the frame rear bolts (2).
  29. Remove the frame reinforcements (3).
  30. Remove the frame (4) from the vehicle.
  31. Remove the following components if replacing the frame:
  32. • The steering gear--Refer to Steering Gear Replacement.
    • The lower control arms--Refer to Lower Control Arm Replacement.
    • The stabilizer shaft--Refer to Stabilizer Shaft Replacement.
    • The radiator support brackets

Installation Procedure

  1. Install the following components on the drivetrain and front suspension frame if removed:
  2. • The radiator support brackets
    • The stabilizer shaft--Refer to Stabilizer Shaft Replacement
    • The lower control arms--Refer to Lower Control Arm Replacement.
    • The steering gear--Refer to Steering Gear Replacement.

    Object Number: 2028250  Size: SH

    Note: Positioning pins (1) of CH 49289 adapter MUST be extended in order to guide into underbody holes.


    Object Number: 2028085  Size: SH
  3. Raise the frame (4) carefully, using CH 49289 adapter .
  4. Install the frame reinforcements (3).
  5. Caution: Refer to Fastener Caution in the Preface section.

    Note: Do NOT reuse old bolts.

  6. Install the NEW frame rear bolts (2) and tighten to  90 N·m (67 lb ft) +130°.
  7. Note: Do NOT reuse old bolts.

  8. Install the NEW frame front bolts (1) and tighten to  120 N·m (89 lb ft) +130°.

  9. Object Number: 2028084  Size: SH
  10. Install the front transmission mount bolt (1) and tighten to  58 N·m (43 lb ft).
  11. Install the rear transmission mount bracket bolt (2) and tighten to  100 N·m (74 lb ft).
  12. Install the outer tie rods and tie rod nuts to the steering knuckles. Refer to Steering Linkage Outer Tie Rod Replacement.

  13. Object Number: 2028083  Size: SH
  14. Install the steering linkage tie rod. Tighten the steering linkage tie rod nut  35 N·m (25 lb ft).
  15. Install the lower ball joints to the steering knuckles. Refer to Lower Control Arm Replacement.

  16. Object Number: 2028082  Size: SH
  17. Install the power steering fluid cooling pipe (3) to the frame, install the power steering fluid cooling pipe bolt (1) and clip in (2). Tighten the power steering fluid cooling pipe bolt 9 N·m (80 lb in).

  18. Object Number: 2028068  Size: SH
  19. Install the inlet and outlet hose (2) to the steering gear (3) and install the power steering gear inlet and outlet hose bolt (1), Tighten the power steering inlet and outlet hose bolt 11 N·m (98 lb in).

  20. Object Number: 2028081  Size: SH
  21. Install the wheel speed sensor wiring harness (2) to the frame on both sides.
  22. Install the wiring harness retainers (3) to the frame and the lower control arm.

  23. Install the radiator wiring harness (1) to the frame.
  24. Install the wiring harness retainers (4) to the frame.

  25. Remove the support of the radiator and condenser.
  26. Lower the vehicle on a hoist. Refer to Lifting and Jacking the Vehicle.
  27. Install the tire and wheel assemblies. Refer to Tire and Wheel Removal and Installation.
  28. Install the front catalytic converter. Refer to Catalytic Converter Replacement.
  29. Install the engine splash shields. Refer to Front Compartment Splash Shield Replacement.
  30. Install the front compartment insulator, if equipped. Refer to Front Compartment Insulator Replacement.