GM Service Manual Online
For 1990-2009 cars only

Removal Procedure

    Warning: Refer to Approved Equipment for Collision Repair Warning in the Preface section.

    Warning: Refer to Glass and Sheet Metal Handling Warning in the Preface section.

  1. Disable the SIR System. Refer to SIR Disabling and Enabling.
  2. Disconnect the negative battery cable. Refer to Battery Negative Cable Disconnection and Connection.
  3. Remove all related panels and components.
  4. Visually inspect the damage. Repair as much of the damage as possible.
  5. Remove the sealers and anti-corrosion materials from the repair area, as necessary. Refer to Anti-Corrosion Treatment and Repair.

  6. Object Number: 2027243  Size: SH
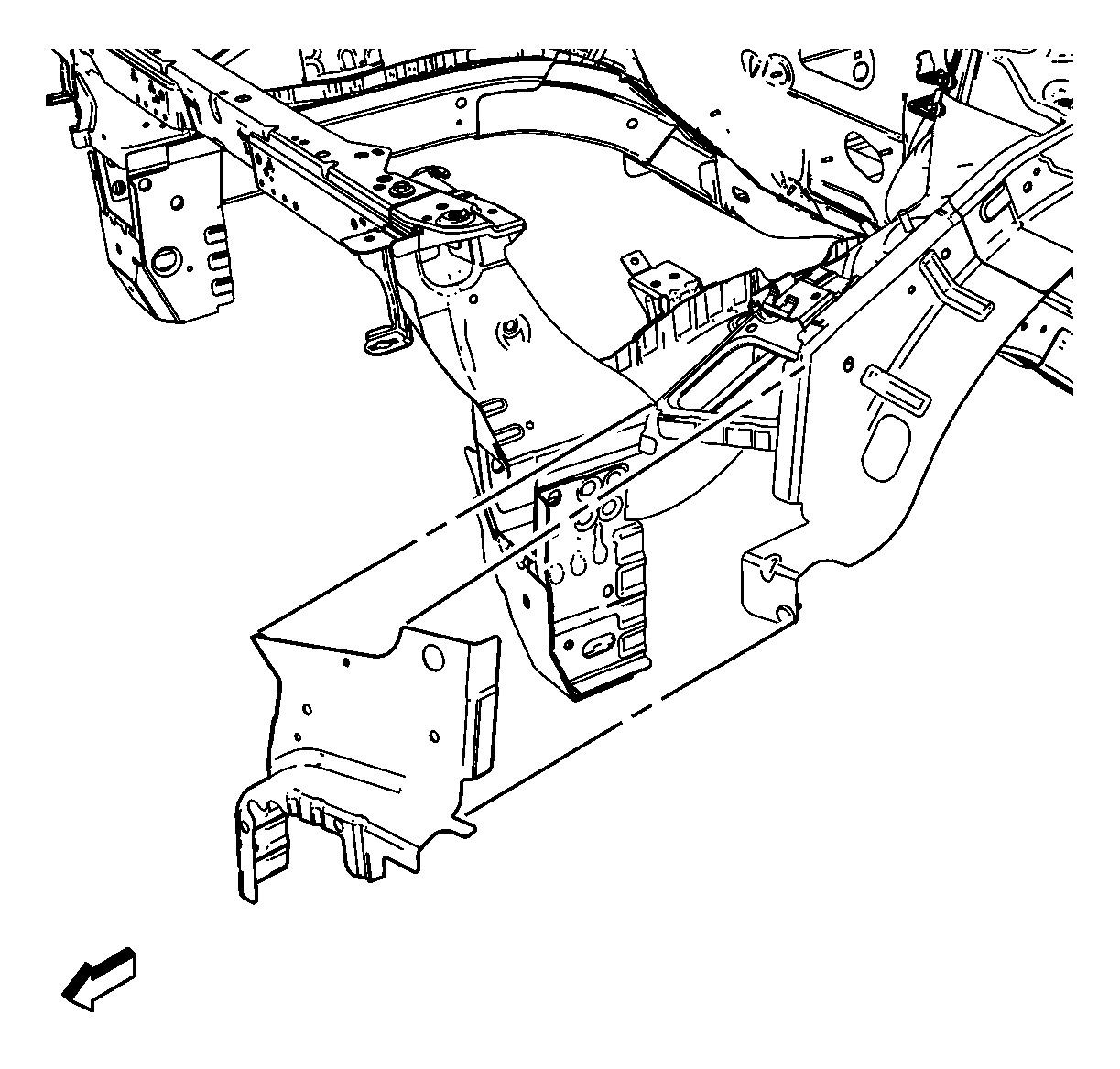
  7. Locate and mark all the necessary factory welds of the front wheelhouse panel rear reinforcement.
  8. Drill all factory welds. Note the number and location of welds for installation of the service assembly.

  9. Object Number: 2027244  Size: SH
  10. Remove the front wheelhouse panel rear reinforcement.

Installation Procedure


    Object Number: 2027245  Size: SH
  1. Drill 8 mm (5/16 in) for plug welding along the edges of the front wheelhouse panel rear reinforcement as noted from the original panel.

  2. Object Number: 2027246  Size: SH
  3. Drill 8 mm (5/16 in) for plug welding where front wheelhouse front panel and front wheelhouse panel rear reinforcement overlap.
  4. Clean and prepare the attaching surfaces for welding.

  5. Object Number: 2027244  Size: SH
  6. Position the front wheelhouse panel rear reinforcement on the vehicle.
  7. Verify the fit of the front wheelhouse panel rear reinforcement.
  8. Clamp the front wheelhouse panel rear reinforcement into position.

  9. Object Number: 2027247  Size: SH
  10. Plug weld accordingly.

  11. Object Number: 2027248  Size: SH
  12. Plug weld the joint from front wheelhouse panel rear reinforcement to front wheelhouse front panel accordingly.
  13. Apply the sealers and anti-corrosion materials to the repair area, as necessary. Refer to Anti-Corrosion Treatment and Repair.
  14. Paint the repaired area. Refer to Basecoat/Clearcoat Paint Systems.
  15. Install all related panels and components.
  16. Connect the negative battery cable. Refer to Battery Negative Cable Disconnection and Connection.
  17. Enable the SIR system. Refer to SIR Disabling and Enabling.