GM Service Manual Online
For 1990-2009 cars only

Front Compartment Front Rail Sectioning Long

Removal Procedure

    Warning: Refer to Approved Equipment for Collision Repair Warning in the Preface section.

    Warning: Refer to Collision Sectioning Warning in the Preface section.

    Warning: Refer to Glass and Sheet Metal Handling Warning in the Preface section.

  1. Disable the SIR System. Refer to SIR Disabling and Enabling.
  2. Disconnect the negative battery cable. Refer to Battery Negative Cable Disconnection and Connection.
  3. Remove all related panels and components.
  4. Visually inspect the damage. Repair as much of the damage as possible.
  5. Remove the sealers and anti-corrosion materials from the repair area, as necessary. Refer to Anti-Corrosion Treatment and Repair.

  6. Object Number: 2028239  Size: SH
  7. Create cut lines on the front compartment front rail.

  8. Object Number: 2028240  Size: SH
  9. Cut the panel where sectioning is to be performed.
  10. Note: Do not damage any other panels or reinforcements.


    Object Number: 2028241  Size: SH
  11. Remove the damaged front compartment front rail.

Installation Procedure


    Object Number: 2028242  Size: SH
  1. Cut the front compartment front rail in corresponding locations to fit the remaining original panel. The sectioning joint should be trimmed to allow a gap of one-and-one-half-times the metal thickness at the sectioning joint.
  2. Create a 50 mm (2 in) backing plate from the unused portion of the service part and use where possible.
  3. Drill 8 mm (5/16 in) along the sectioning cut on the remaining original part. Locate these holes 13 mm (1/2 in) from the edge of part and spaced 40 mm (1 1/2 in) apart.
  4. Prepare all mating surfaces as necessary.
  5. Fit the backing plates halfway into the sectioning joints, clamp in place and plug weld to the vehicle.
  6. Align the front compartment front rail.
  7. Clean and prepare the attaching surfaces for welding.

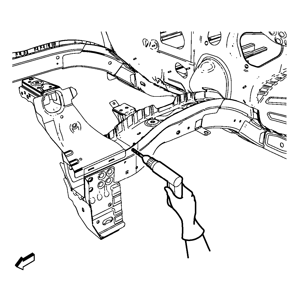
  8. Object Number: 2028241  Size: SH
  9. Position the front compartment front rail on the vehicle.
  10. Verify the fit of the front compartment front rail.
  11. Clamp the front compartment front rail into position.

  12. Object Number: 2028243  Size: SH
  13. Plug weld accordingly.
  14. To create a solid weld with minimum heat distortion, make 25 mm (1 in) stitch welds along the seam with 25 mm (1 in) gaps between them. Then go back and complete the stitch weld.
  15. Apply the sealers and anti-corrosion materials to the repair area, as necessary. Refer to Anti-Corrosion Treatment and Repair.
  16. Paint the repaired area. Refer to Basecoat/Clearcoat Paint Systems.
  17. Install all related panels and components.
  18. Connect the negative battery cable. Refer to Battery Negative Cable Disconnection and Connection.
  19. Enable the SIR system. Refer to SIR Disabling and Enabling.

Front Compartment Front Rail Sectioning Short

Removal Procedure

    Warning: Refer to Approved Equipment for Collision Repair Warning in the Preface section.

    Warning: Refer to Collision Sectioning Warning in the Preface section.

    Warning: Refer to Glass and Sheet Metal Handling Warning in the Preface section.

  1. Disable the SIR System. Refer to SIR Disabling and Enabling.
  2. Disconnect the negative battery cable. Refer to Battery Negative Cable Disconnection and Connection.
  3. Remove all related panels and components.
  4. Visually inspect the damage. Repair as much of the damage as possible.
  5. Remove the sealers and anti-corrosion materials from the repair area, as necessary. Refer to Anti-Corrosion Treatment and Repair.

  6. Object Number: 2028195  Size: SH
  7. Create cut lines on the front compartment front rail.

  8. Object Number: 2028196  Size: SH

    Note: Do not damage internal reinforcement of front compartment side rail.

  9. Cut the panel where sectioning is to be performed.

  10. Object Number: 2028197  Size: SH

    Note: Left side only.

  11. Locate and mark all the necessary factory welds of the front compartment front rail.
  12. Drill all factory welds. Note the number and location of welds for installation of the service assembly.

  13. Object Number: 2028198  Size: SH
  14. Remove the damaged front compartment front rail.

Installation Procedure


    Object Number: 2028199  Size: SH
  1. Cut the front compartment front rail in corresponding locations to fit the remaining original panel. The sectioning joint should be trimmed to allow a gap of one-and-one-half-times the metal thickness at the sectioning joint.
  2. Create a 50 mm (2 in) backing plate from the unused portion of the service part.
  3. Note: Place backing plate only in areas where adequate space is available.

  4. Drill 8 mm (5/16 in) along the sectioning cut on the remaining original part. Locate these holes 13 mm (1/2 in) from the edge of part and spaced 40 mm (1 1/2 in) apart.
  5. Prepare all mating surfaces as necessary.
  6. Fit the backing plates halfway into the sectioning joints, clamp in place and plug weld to the vehicle.
  7. Align the front compartment front rail.

  8. Object Number: 2028200  Size: SH

    Note: Left side only.

  9. Drill 8 mm (5/1 in) for plug welding along the edges of the front compartment front rail as noted from the original panel.
  10. Clean and prepare the attaching surfaces for welding.

  11. Object Number: 2028198  Size: SH
  12. Position the front compartment front rail on the vehicle.
  13. Verify the fit of the front compartment front rail.
  14. Clamp the front compartment front rail into position.

  15. Object Number: 2028201  Size: SH
  16. Plug weld accordingly.
  17. To create a solid weld with minimum heat distortion, make 25 mm (1  in) stitch welds along the seam with 25 mm (1 in) gaps between them. Then go back and complete the stitch weld.
  18. Apply the sealers and anti-corrosion materials to the repair area, as necessary. Refer to Anti-Corrosion Treatment and Repair.
  19. Paint the repaired area. Refer to Basecoat/Clearcoat Paint Systems.
  20. Install all related panels and components.
  21. Connect the negative battery cable. Refer to Battery Negative Cable Disconnection and Connection.
  22. Enable the SIR system. Refer to SIR Disabling and Enabling.