GM Service Manual Online
For 1990-2009 cars only

Removal Procedure

    Warning: Refer to Approved Equipment for Collision Repair Warning in the Preface section.

    Warning: Refer to Collision Sectioning Warning in the Preface section.

    Warning: Refer to Glass and Sheet Metal Handling Warning in the Preface section.

  1. Disable the SIR System. Refer to SIR Disabling and Enabling.
  2. Disconnect the negative battery cable. Refer to Battery Negative Cable Disconnection and Connection.
  3. Remove all related panels and components.
  4. Visually inspect the damage. Repair as much of the damage as possible.
  5. Remove the sealers and anti-corrosion materials from the repair area, as necessary. Refer to Anti-Corrosion Treatment and Repair.

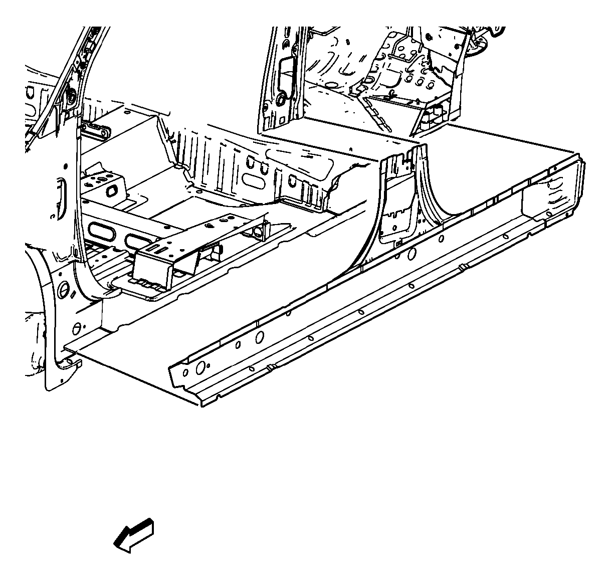
  6. Object Number: 2027325  Size: SH
  7. Create cut lines on the body side inner panel.

  8. Object Number: 2027326  Size: SH

    Note: Do not damage any inner panels or reinforcements.

  9. Cut the panel where sectioning is to be performed.

  10. Object Number: 2027327  Size: SH
  11. Locate and mark all the necessary factory welds of the body side inner panel.
  12. Drill all factory welds. Note the number and location of welds for installation of the service assembly.

  13. Object Number: 2027328  Size: SH
  14. Remove the body side inner panel.

  15. Object Number: 2027329  Size: SH
  16. Locate and mark all the necessary factory welds of the rocker inner panel.
  17. Drill all factory welds. Note the number and location of welds for installation of the service assembly.

  18. Object Number: 2027330  Size: SH
  19. Remove the damaged rocker inner panel.

Installation Procedure

  1. Align the rocker inner panel.

  2. Object Number: 2027331  Size: SH
  3. Drill 8 mm (5/16 in) for plug welding along the edges of the quarter outer panel as noted from the original panel.
  4. Clean and prepare the attaching surfaces for welding.
  5. Position the rocker inner panel on the vehicle.
  6. Verify the fit of the quarter outer panel.
  7. Clamp the rocker inner panel into position.

  8. Object Number: 2027332  Size: SH
  9. Plug weld accordingly.

  10. Object Number: 2027333  Size: SH
  11. Plug weld accordingly.
  12. To create a solid weld with minimum heat distortion, make 25 mm (1 in) stitch welds along the seam with 25 mm (1 in) gaps between them. Then go back and complete the stitch weld.
  13. Apply the sealers and anti-corrosion materials to the repair area, as necessary. Refer to Anti-Corrosion Treatment and Repair.
  14. Paint the repaired area. Refer to Basecoat/Clearcoat Paint Systems.
  15. Install all related panels and components.
  16. Connect the negative battery cable. Refer to Battery Negative Cable Disconnection and Connection.
  17. Enable the SIR system. Refer to SIR Disabling and Enabling.