GM Service Manual Online
For 1990-2009 cars only

    Object Number: 1830271  Size: SH
  1. Install the engine block heater, if equipped.

  2. Object Number: 1412145  Size: SH
  3. Install a NEW crankshaft position (CKP) sensor O-ring.

  4. Object Number: 1830269  Size: SH
  5. Install the CKP sensor.
  6. Notice: Refer to Fastener Notice in the Preface section.


    Object Number: 1830267  Size: SH
  7. Install the CKP sensor bolt.
  8. Tighten
    Tighten the CKP sensor bolt to 10 N·m (89 lb in).


    Object Number: 1830264  Size: SH
  9. Install the right knock sensor.

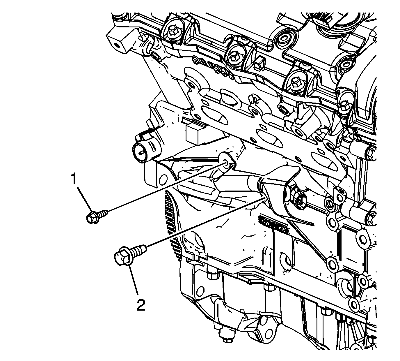
  10. Object Number: 1830261  Size: SH
  11. Install the right knock sensor bolt. Ensure the knock sensor is oriented with the harness connector positioned to the front on the right side (1).
  12. Tighten
    Tighten the right knock sensor bolt to 23 N·m (17 lb ft).


    Object Number: 1838701  Size: SH
  13. Install the right knock sensor heat shield.

  14. Object Number: 1840476  Size: SH
  15. Install the right knock sensor heat shield bolts. Ensure the small M6 bolt is installed at the rear and the large M10 bolt is installed at the front.
  16. Tighten

    1. Tighten the right knock sensor heat shield M10 bolt to 50 N·m (37 lb ft).
    2. Tighten the right knock sensor heat shield M6 bolt to 10 N·m (89 lb in).

    Object Number: 1838699  Size: SH
  17. Install a NEW right exhaust manifold gasket.

  18. Object Number: 1838698  Size: SH
  19. Install the right exhaust manifold.

  20. Object Number: 1838697  Size: SH
  21. Loosely install the right exhaust manifold upper bolts into the right cylinder head.

  22. Object Number: 1838696  Size: SH
  23. Loosely install the right exhaust manifold lower bolts into the right cylinder head.
  24. Tighten the right exhaust manifold bolts.
  25. Tighten
    Tighten the right exhaust manifold bolts to 25 N·m (18 lb ft).


    Object Number: 1838691  Size: SH
  26. Place the right exhaust manifold heat shield in position.

  27. Object Number: 1838671  Size: SH
  28. Install the exhaust manifold heat shield bolts.
  29. Tighten
    Tighten the exhaust manifold heat shield bolts to 10 N·m (89 lb in).