GM Service Manual Online
For 1990-2009 cars only
Makes
🢒
GMC_Truck
🢒
2007
🢒
Acadia - 2WD
🢒
Diagnostic Navigation
🢒
Vehicle Diagnostic Information
🢒 Driver Seat Schematics
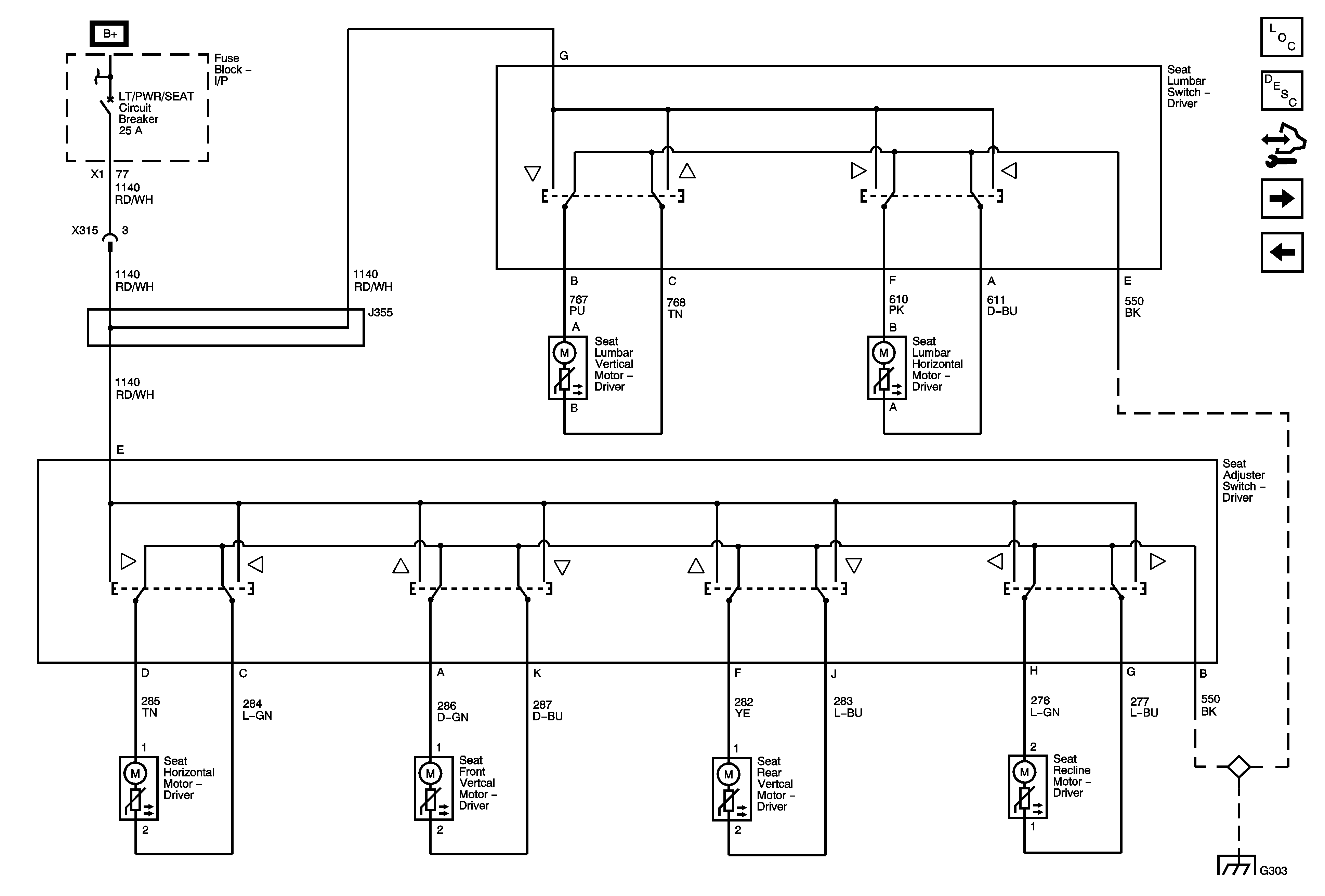
Figure
1:
AG1
Master Electrical Component List
Power Seats System Description and Operation
Control Module References
AH5
BATT 2, BCK/UP/STOP, HTD/SEAT, LT/TRN/SIG, PDM, PWR/MIRRORS, and RT/TRN/SIG Fuses, LT/PWR/SEAT, PWR/COLUMN, and RT/PWR/SEAT Circuit Breakers
G303 1 of 2
Figure
2:
AH5
Master Electrical Component List
Power Seats System Description and Operation
Control Module References
AG3 Module Power and Data Communication, Driver Switches
AG1
BATT 2, BCK/UP/STOP, HTD/SEAT, LT/TRN/SIG, PDM, PWR/MIRRORS, and RT/TRN/SIG Fuses, LT/PWR/SEAT, PWR/COLUMN, and RT/PWR/SEAT Circuit Breakers
G303 1 of 2
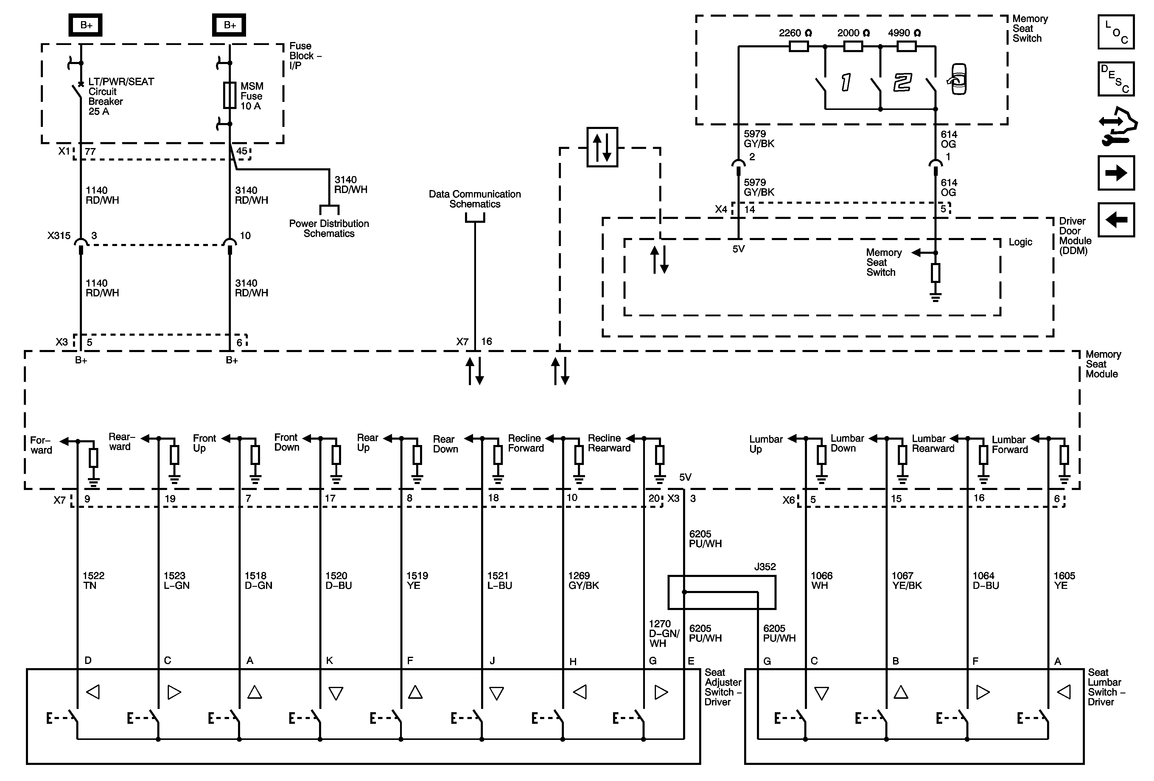
Figure
3:
AG3 Module Power and Data Communication, Driver Switches
Master Electrical Component List
Memory Seats Description and Operation
Control Module References
AG3 Position Sensors and Lumbar Motors
AH5
BATT 2, BCK/UP/STOP, HTD/SEAT, LT/TRN/SIG, PDM, PWR/MIRRORS, and RT/TRN/SIG Fuses, LT/PWR/SEAT, PWR/COLUMN, and RT/PWR/SEAT Circuit Breakers
AIRBAG, AMP, BATT 1, BCM, CNSTR/VENT, CSTY, DISPLAY, INADV/PWR/LED, INFOTAINMENT, MSM, POWER MOD, and RADIO Fuses
AIRBAG, AMP, BATT 1, BCM, CNSTR/VENT, CSTY, DISPLAY, INADV/PWR/LED, INFOTAINMENT, MSM, POWER MOD, and RADIO Fuses
Data Communication Schematics
Data Communication Schematics
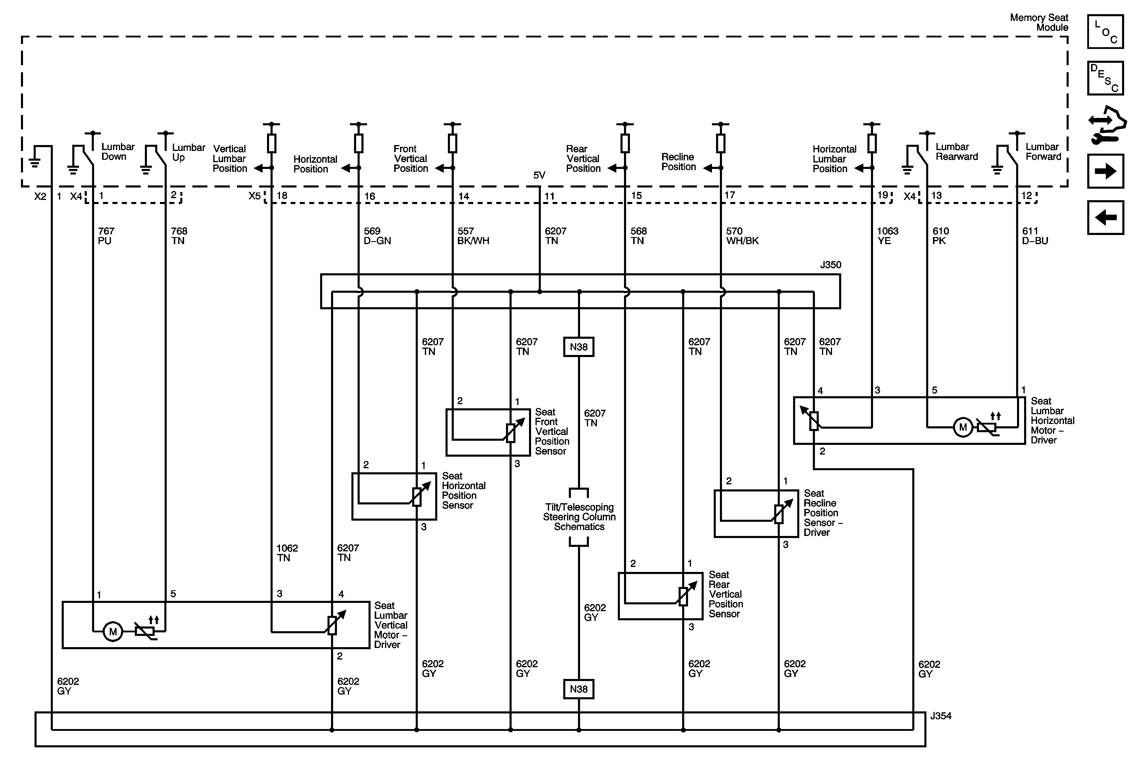
Figure
4:
AG3 Position Sensors and Lumbar Motors
Master Electrical Component List
Memory Seats Description and Operation
Control Module References
AG3 Module Ground, Recline, Horizontal, and Vertical Motor
AG3 Module Power and Data Communication, Driver Switches
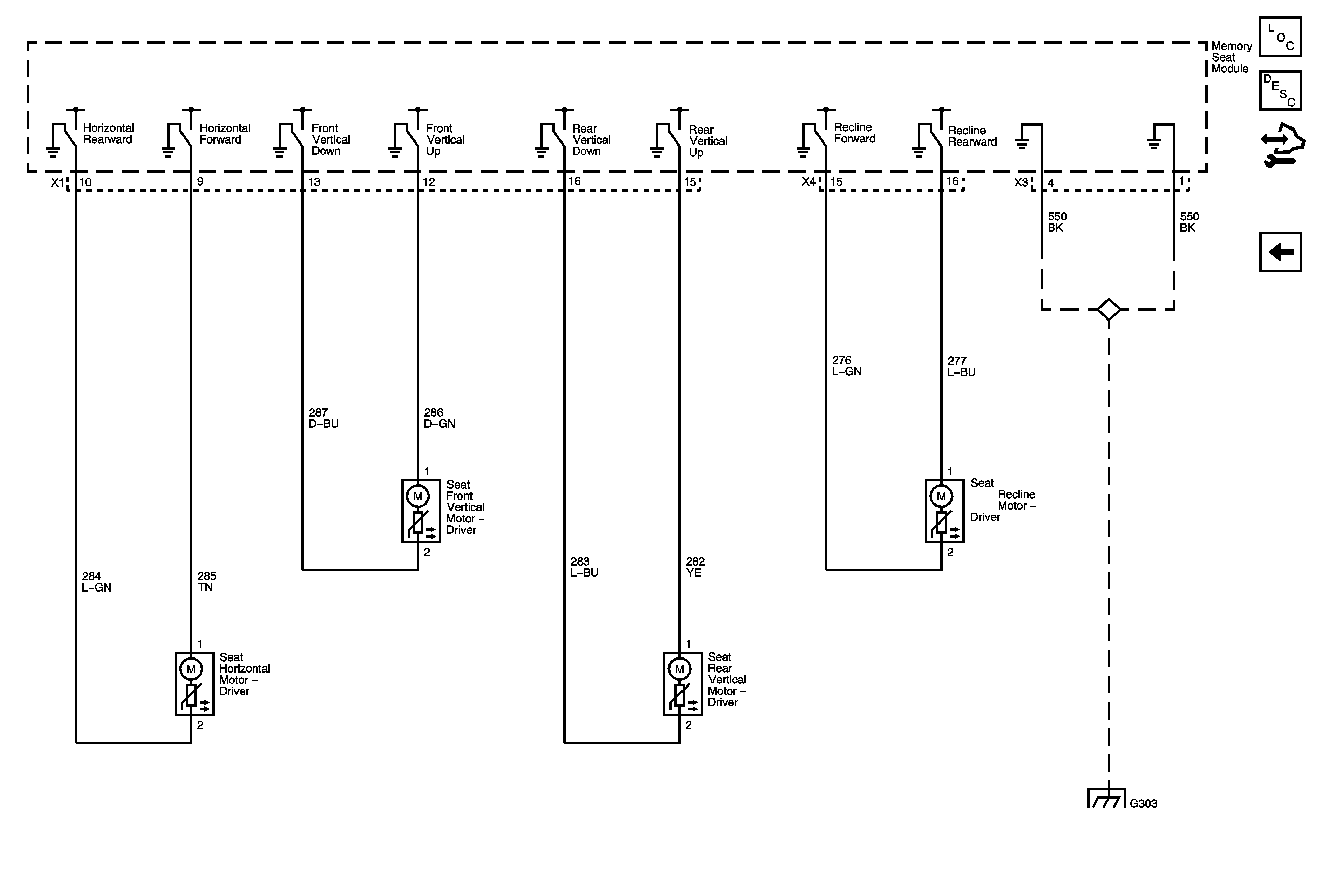
Figure
5:
AG3 Module Ground, Recline, Horizontal, and Vertical Motors
Master Electrical Component List
Memory Seats Description and Operation
Control Module References
AG3 Position Sensors and Lumbar Motors
G303 1 of 2