GM Service Manual Online
For 1990-2009 cars only
Makes
🢒
GMC_Truck
🢒
2007
🢒
Acadia - 2WD
🢒
Driver Information and Entertainment
🢒
Cellular, Entertainment, and Navigation
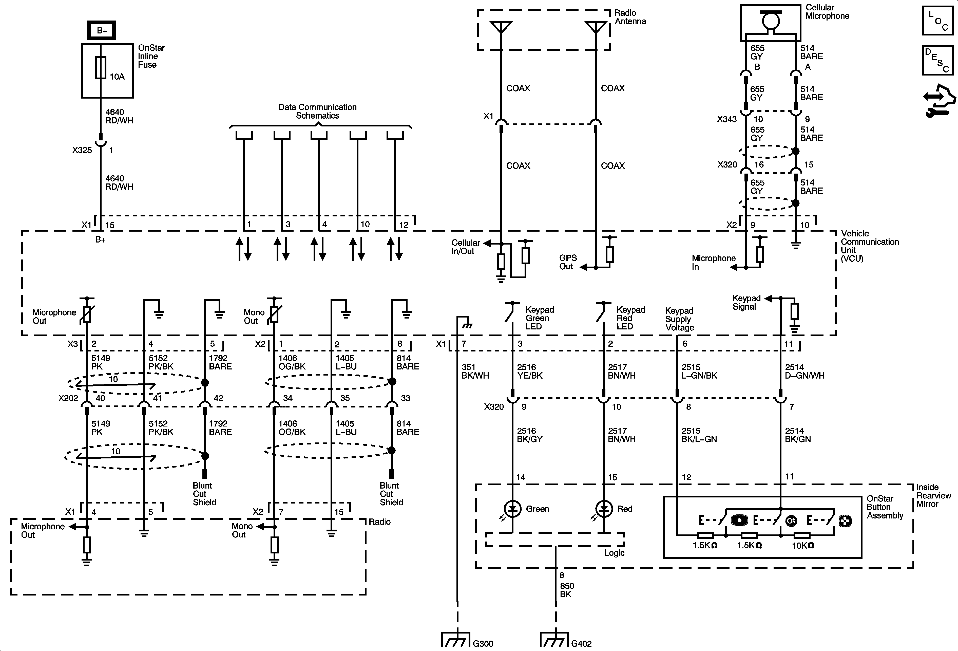
🢒 OnStar Schematics
UE1
Master Electrical Component List
OnStar Description and Operation
Control Module References
B+ Bus 1 of 2
Data Communication Schematics
G402 1 of 2