GM Service Manual Online
For 1990-2009 cars only
Makes
🢒
GMC_Truck
🢒
2007
🢒
Acadia - 2WD
🢒
Driver Information and Entertainment
🢒
Displays and Gages
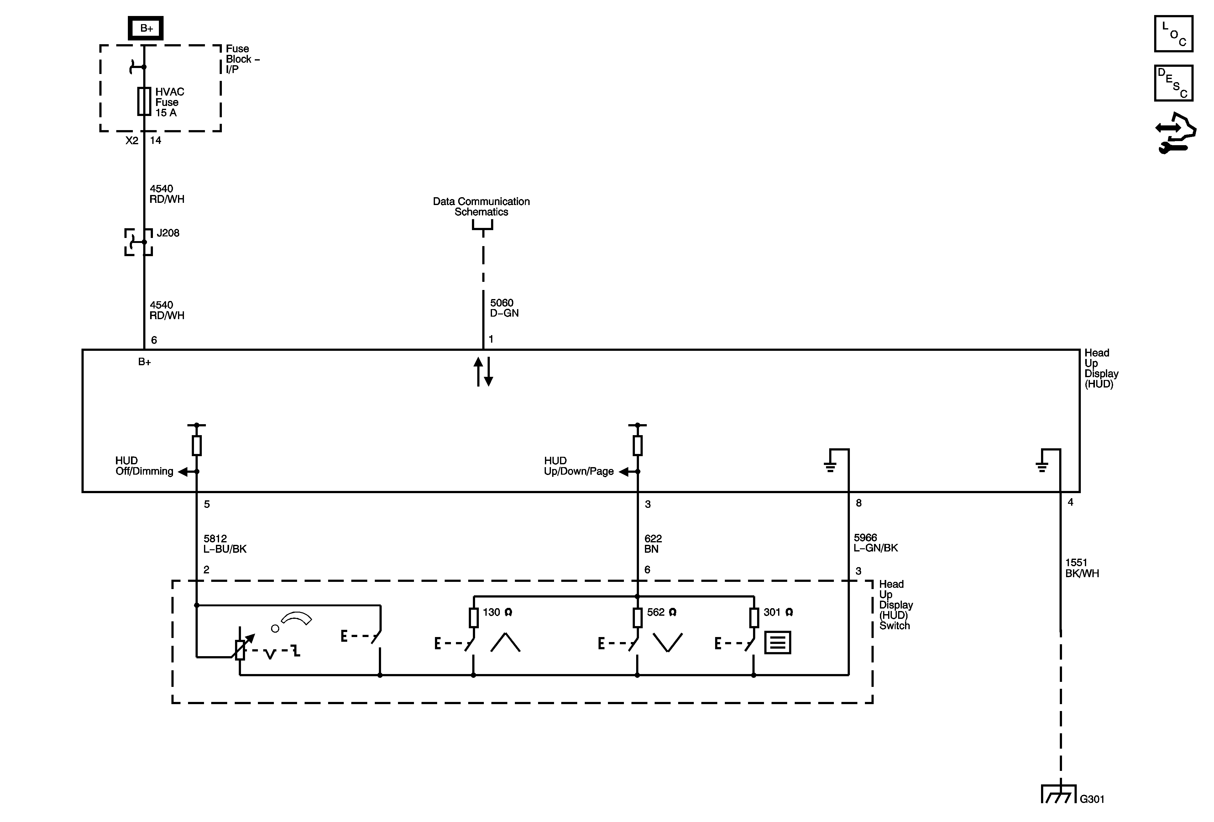
🢒 Head Up Display Schematics
UV6
Master Electrical Component List
Instrument Cluster Description and Operation
Control Module References
BATT 3, DRL, DRL 2, DR/LCK, FRT/WSW, HVAC, and REAR WIPER Fuses, PWR/WNDW Circuit Breaker
Data Communication Schematics
Data Communication Schematics
G301 1 of 2