GM Service Manual Online
For 1990-2009 cars only
Makes
🢒
GMC_Truck
🢒
2007
🢒
Acadia - 2WD
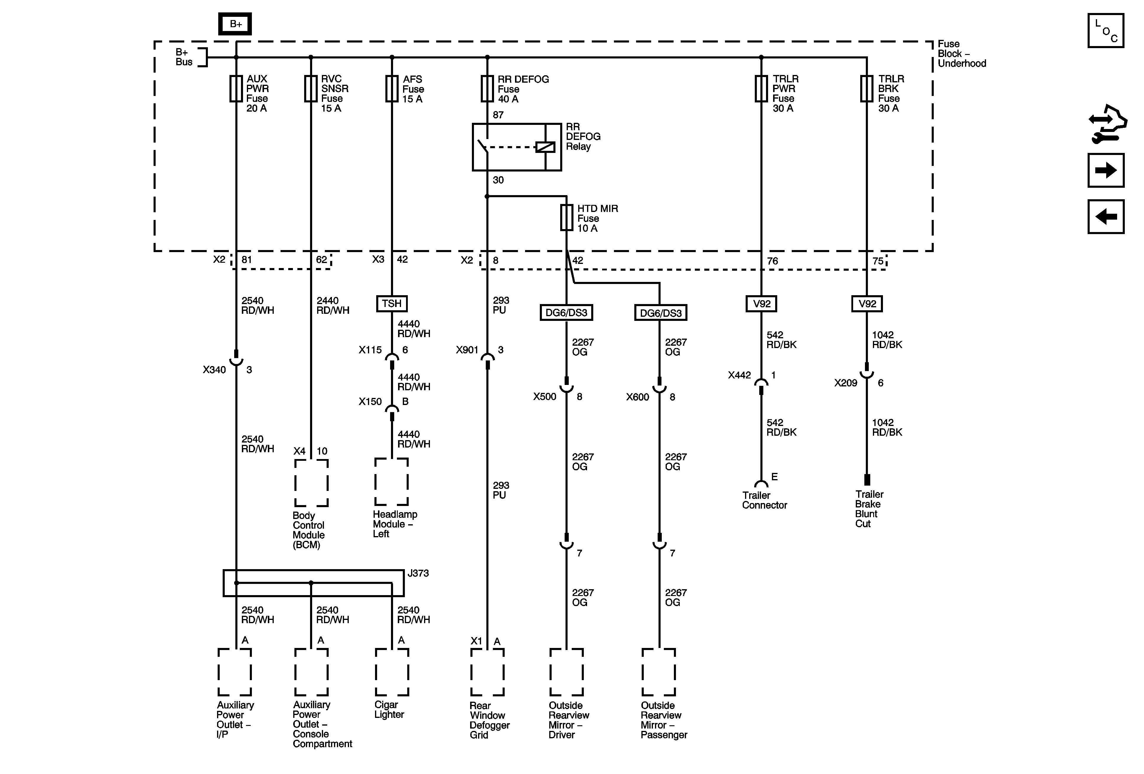
🢒 AFS, AUX PWR, HTD MIR, RR DEFOG, RVC SNSR, TRLR BRK and TRLR PWR Fuses
AFS, AUX PWR, HTD MIR, RR DEFOG, RVC SNSR, TRLR BRK and TRLR PWR Fuses
AFS, AUX PWR, HTD MIR, RR DEFOG, RVC SNSR, TRLR BRK and TRLR PWR Fuses
Master Electrical Component List
Control Module References
Ignition Switch and AIRBAG, PCM IGN, RR CAMERA, and TRANS Fuses
ABS MTR, ABS MTR, AWD, ECM, HTD WASH, HVAC BLWR, PWR L/GATE, PWR OUTLET, RR APO, RR HVAC, S/ROOF/SUNSHADE and TCM Fuses
B+ Bus 1 of 2