GM Service Manual Online
For 1990-2009 cars only
Makes
🢒
GMC_Truck
🢒
2007
🢒
Acadia - 2WD
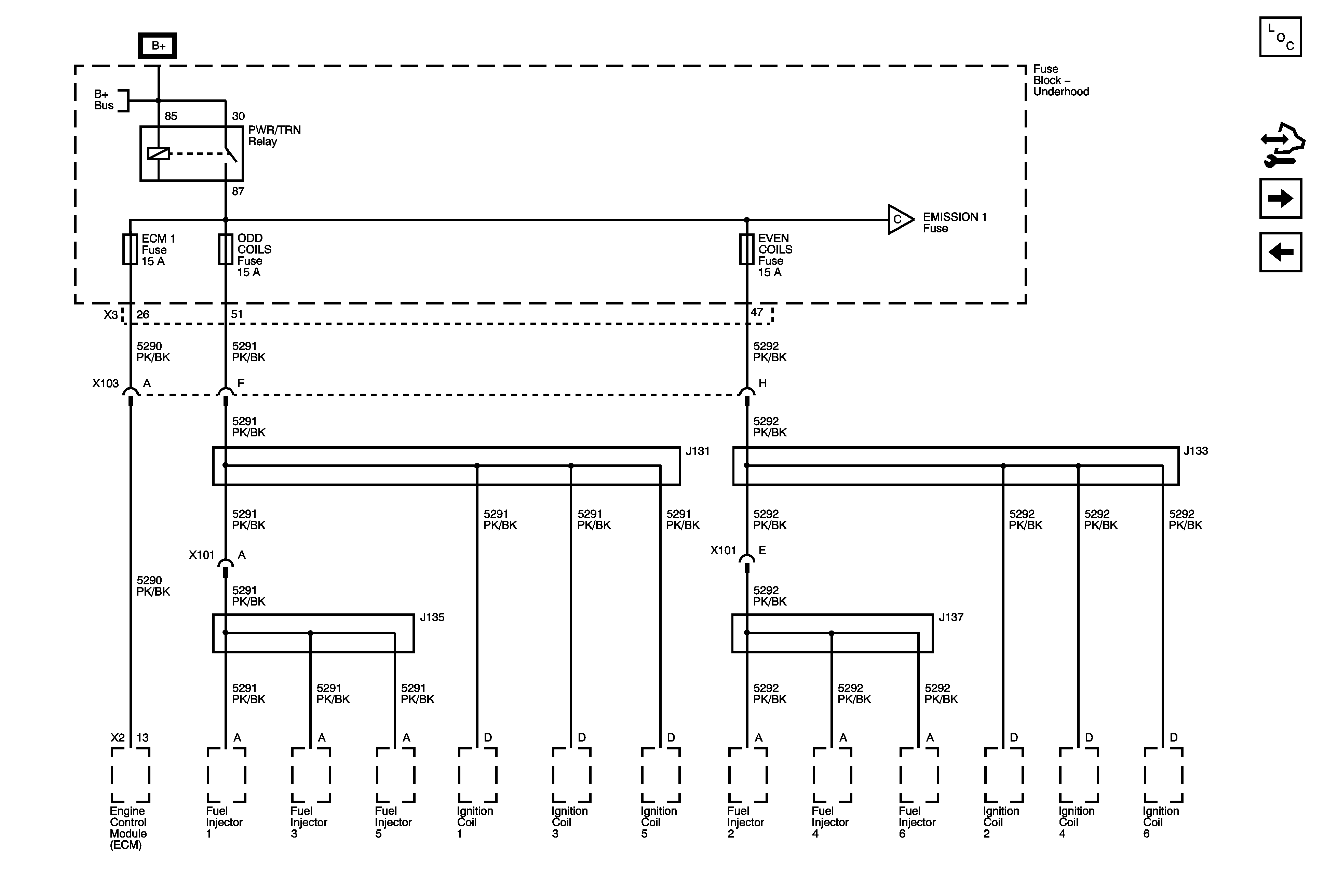
🢒 ECM 1, EVEN COILS, and ODD COILS Fuses
ECM 1, EVEN COILS, and ODD COILS Fuses
ECM 1, EVEN COILS, and ODD COILS Fuses
Master Electrical Component List
Control Module References
EMISSION 1 and EMISSION 2 Fuse
Ignition Switch and AIRBAG, PCM IGN, RR CAMERA, and TRANS Fuses
B+ Bus 2 of 2
EMISSION 1 and EMISSION 2 Fuse