GM Service Manual Online
For 1990-2009 cars only
Makes
🢒
GMC_Truck
🢒
2007
🢒
Acadia - 2WD
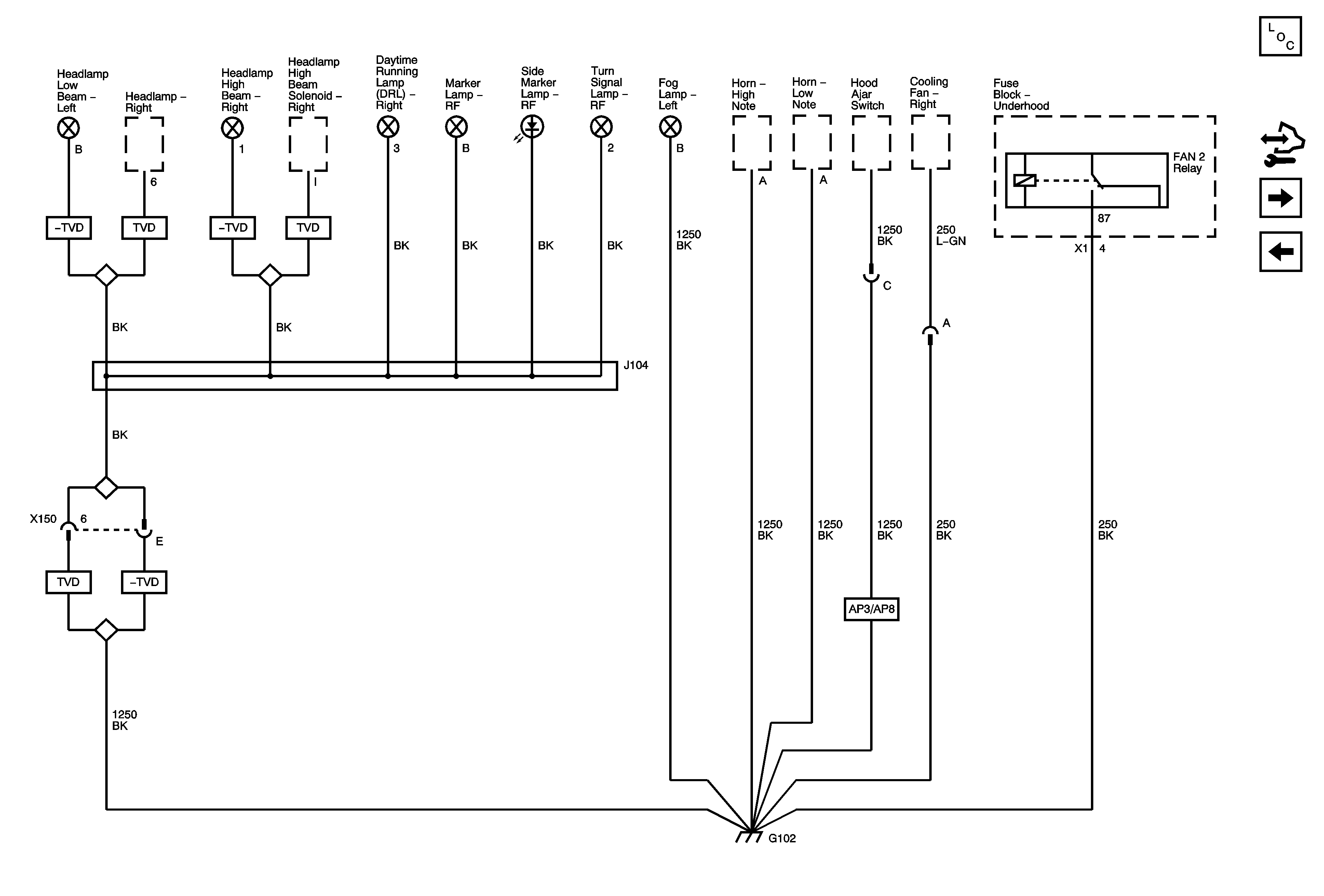
🢒 G102 (Z88)
G102 (Z88)
G102 (Z88)
Master Electrical Component List
Control Module References
G105 and G110
G102 (WDA)