GM Service Manual Online
For 1990-2009 cars only
Makes
🢒
GMC_Truck
🢒
2007
🢒
Acadia - 2WD
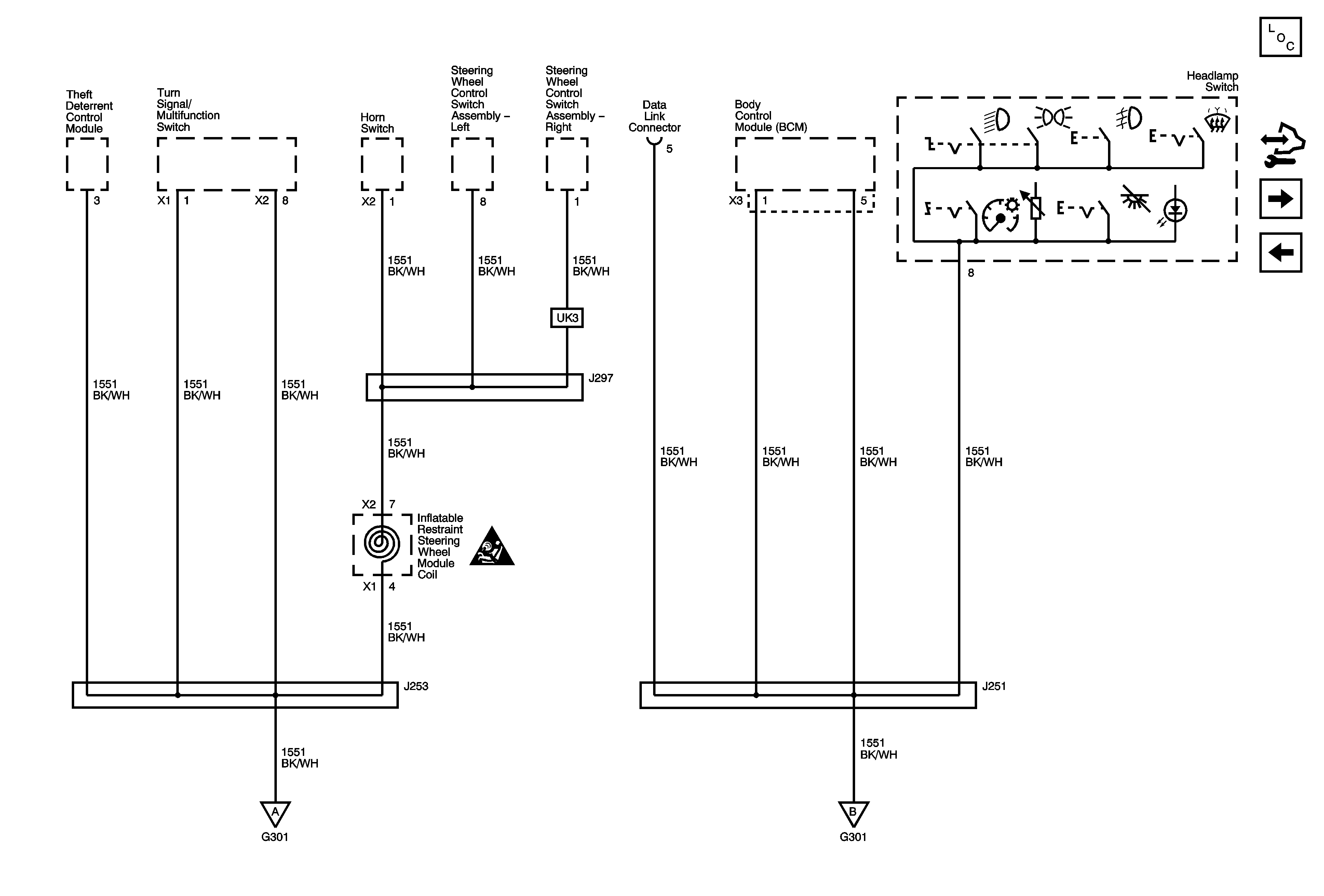
🢒 G301 2 of 2
G301 2 of 2
G301 2 of 2
Master Electrical Component List
Control Module References
G302 1 of 3
G301 1 of 2
Power and Grounding Schematic Icons