GM Service Manual Online
For 1990-2009 cars only
Makes
🢒
GMC_Truck
🢒
2007
🢒
Acadia - 2WD
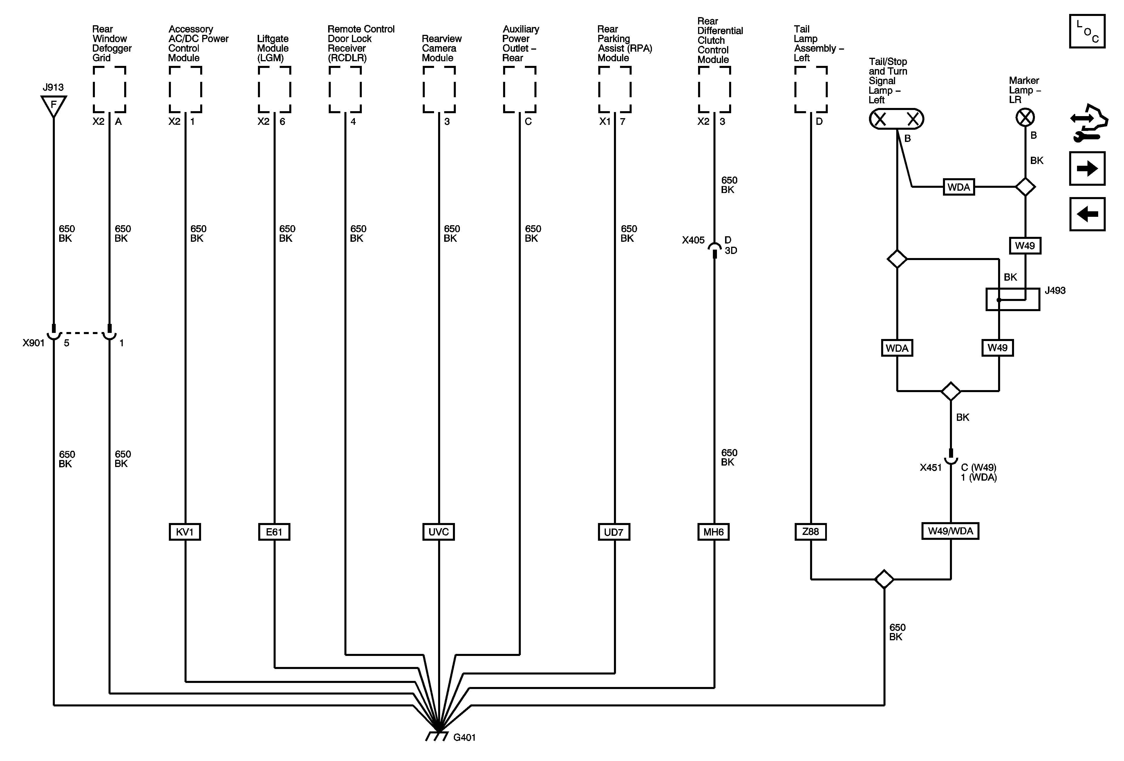
🢒 G401 1 of 2
G401 1 of 2
G401 1 of 2
Master Electrical Component List
Control Module References
G401 2 of 2
G303 2 of 2, G304, and G305