GM Service Manual Online
For 1990-2009 cars only
Makes
🢒
GMC_Truck
🢒
2007
🢒
Acadia - 2WD
🢒 Engine Cooling
Engine Cooling
Engine Cooling
Master Electrical Component List
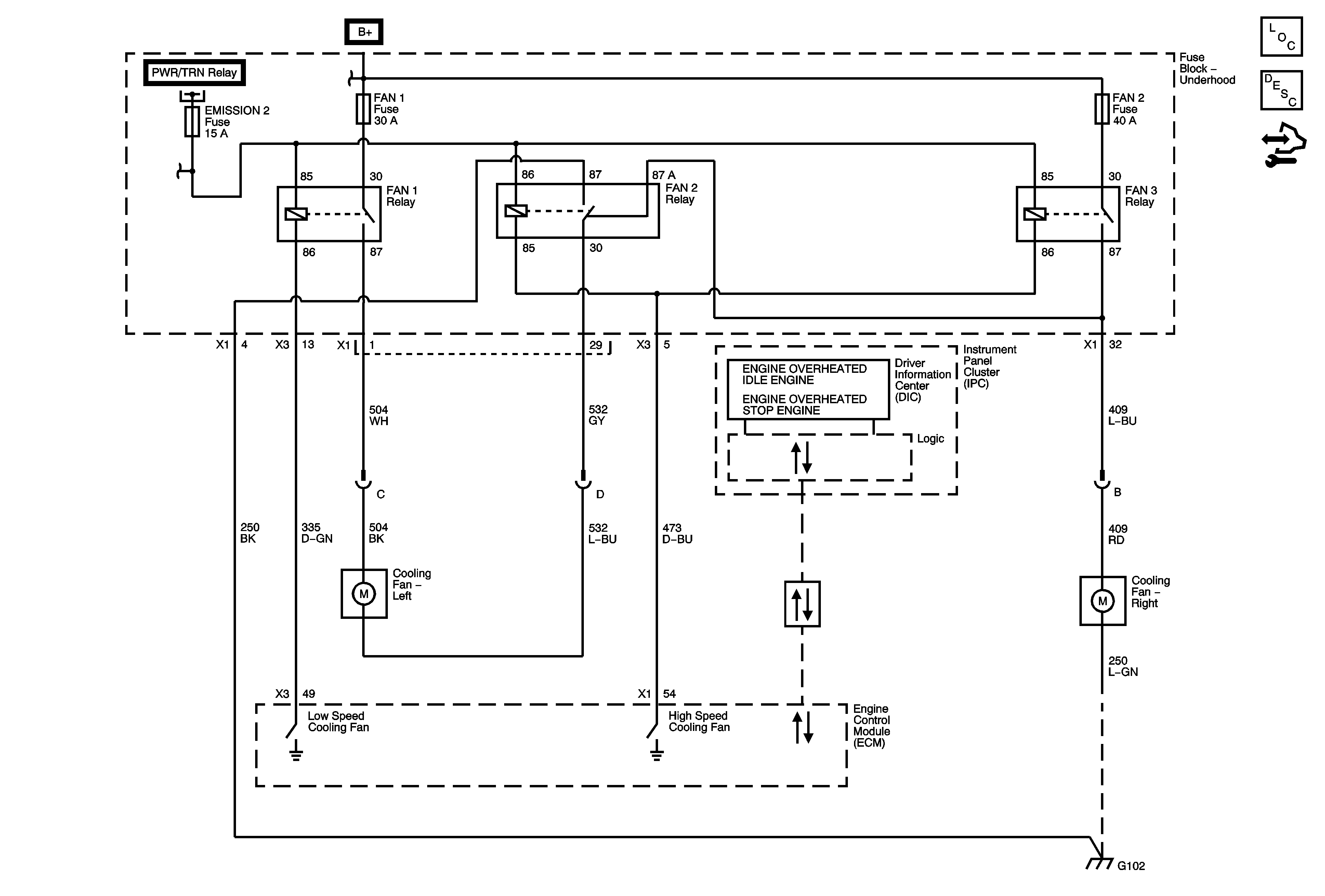
Cooling Fan Description and Operation
Control Module References
B+ Bus 2 of 2
B+ Bus 1 of 2
B+ Bus 1 of 2
Data Communication Schematics
Ground Distribution Schematics