GM Service Manual Online
For 1990-2009 cars only
Makes
🢒
GMC_Truck
🢒
2007
🢒
Acadia - 2WD
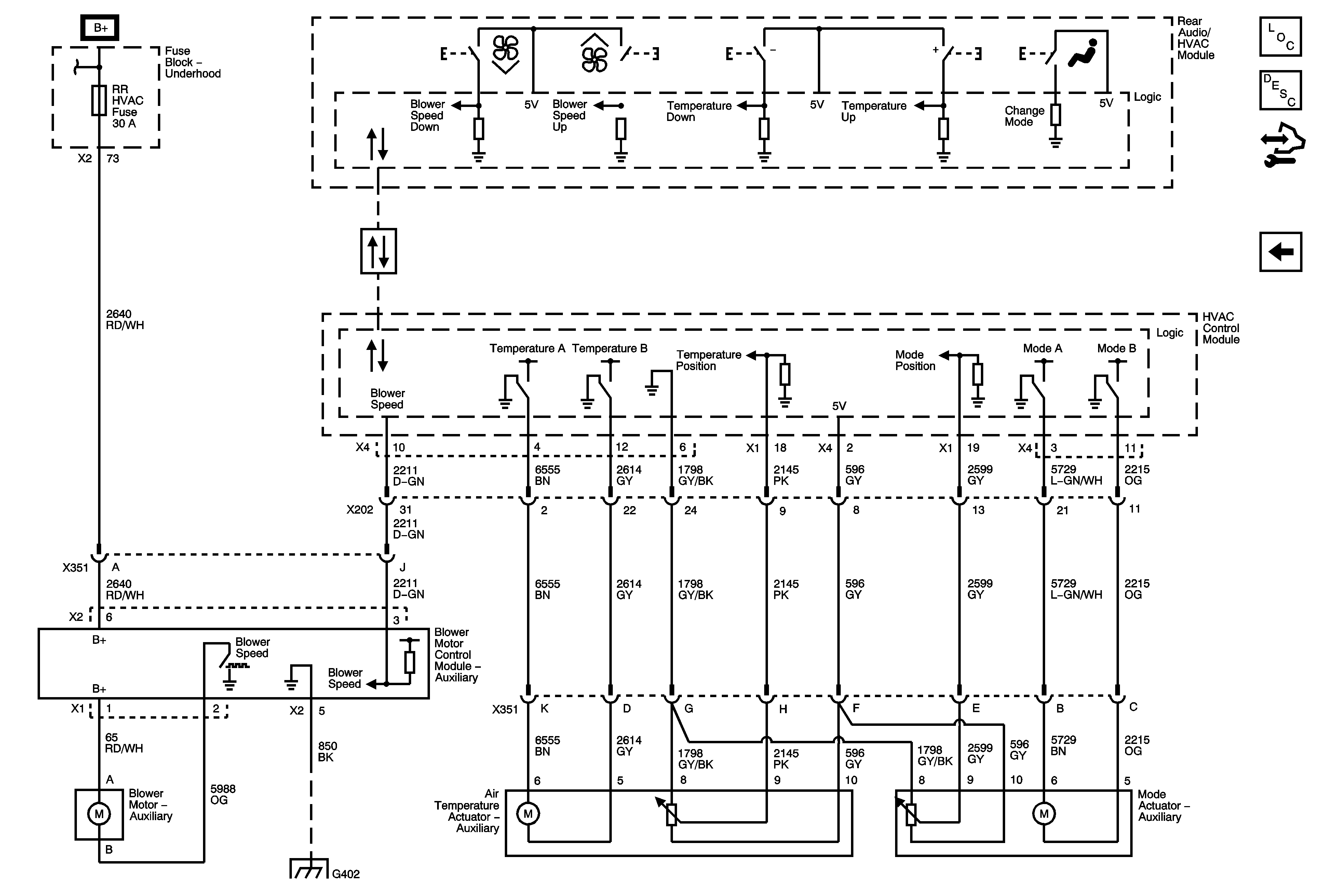
🢒 Rear HVAC with UK6
Rear HVAC with UK6
Rear HVAC UK6
Master Electrical Component List
Air Temperature Description and Operation
Control Module References
Rear HVAC without UK6
B+ Bus 1 of 2
Data Communication Schematics