GM Service Manual Online
For 1990-2009 cars only
Makes
🢒
GMC_Truck
🢒
2007
🢒
Acadia - 2WD
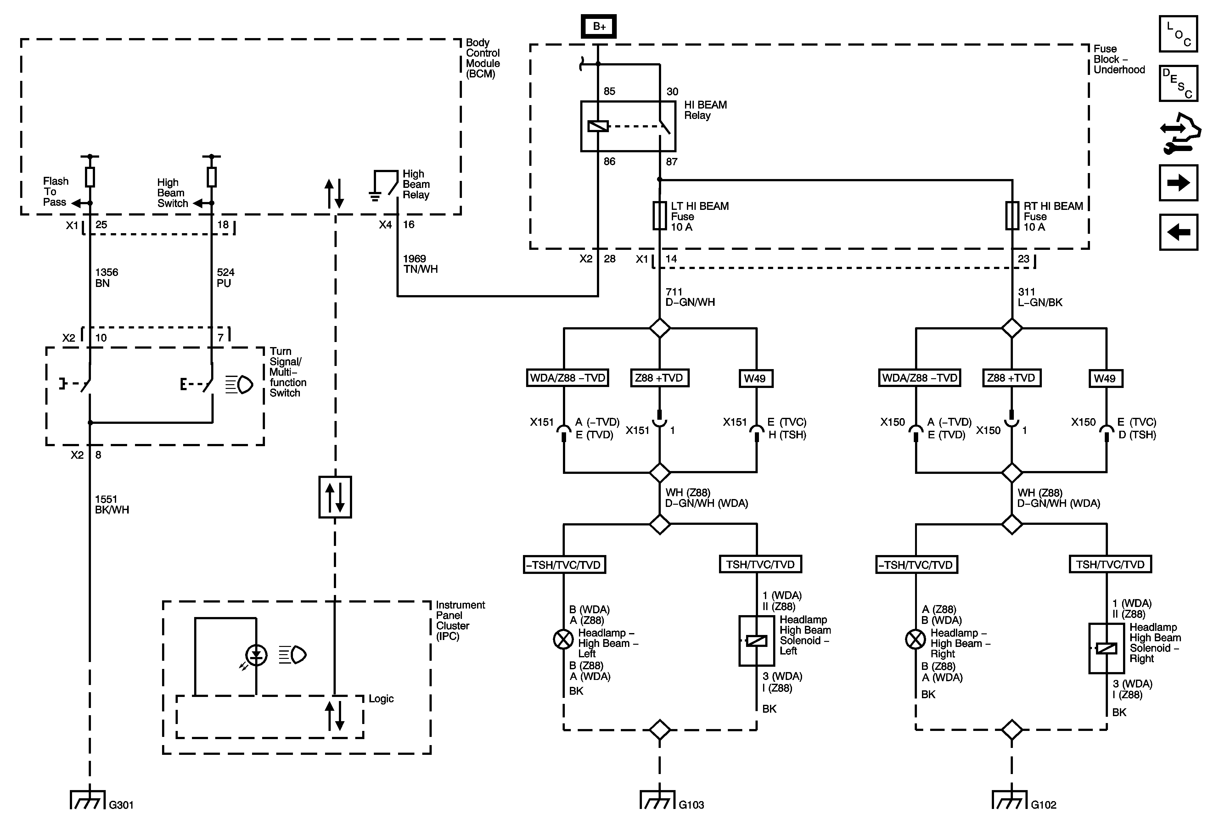
🢒 High Beams
High Beams
High Beams
Master Electrical Component List
Exterior Lighting Systems Description and Operation
Control Module References
Daytime Running Lights
Low Beams
B+ Bus 1 of 2
B+ Bus 1 of 2
B+ Bus 1 of 2
Data Communication Schematics
G301 1 of 2
G301 1 of 2
G301 1 of 2