GM Service Manual Online
For 1990-2009 cars only
Makes
🢒
GMC_Truck
🢒
2007
🢒
Acadia - 2WD
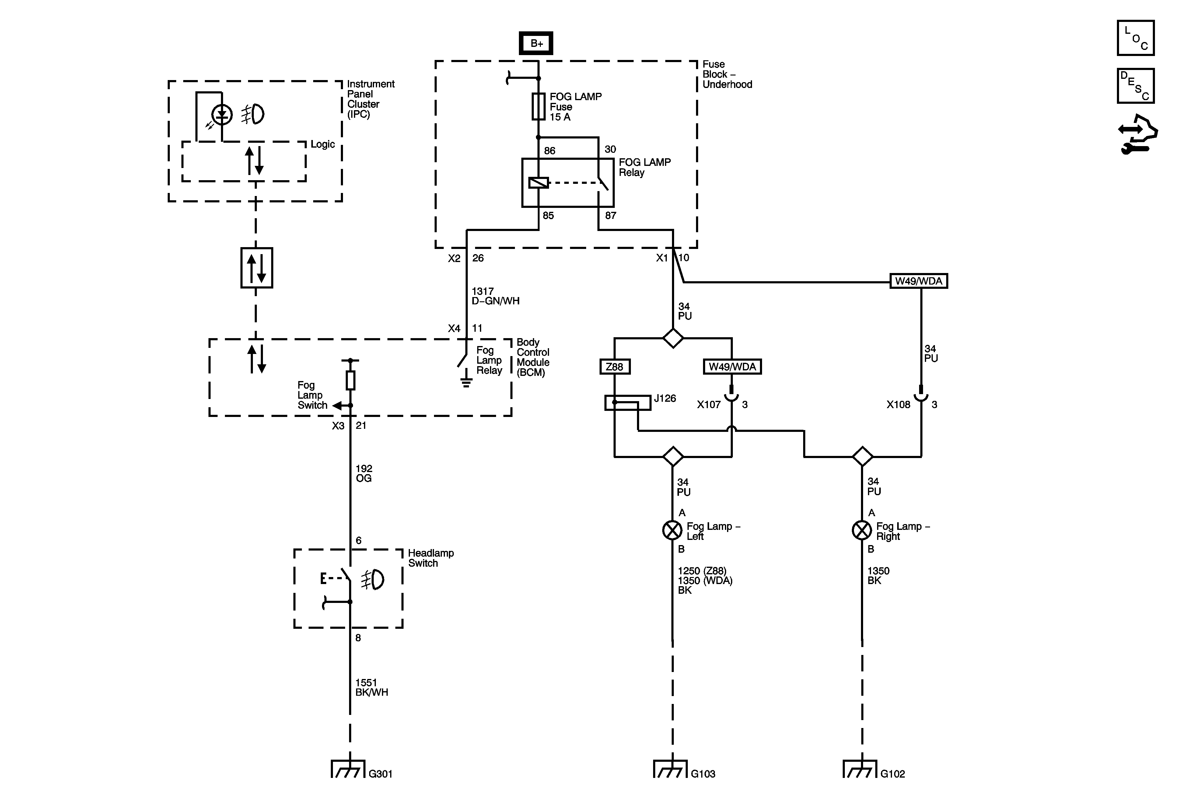
🢒 Fog Lights - T96
Fog Lights - T96
T96
Master Electrical Component List
Exterior Lighting Systems Description and Operation
Control Module References
B+ Bus 1 of 2
Data Communication Schematics
G301 1 of 2
Ground Distribution Schematics
Ground Distribution Schematics