GM Service Manual Online
For 1990-2009 cars only
Makes
🢒
GMC_Truck
🢒
2007
🢒
Acadia - 2WD
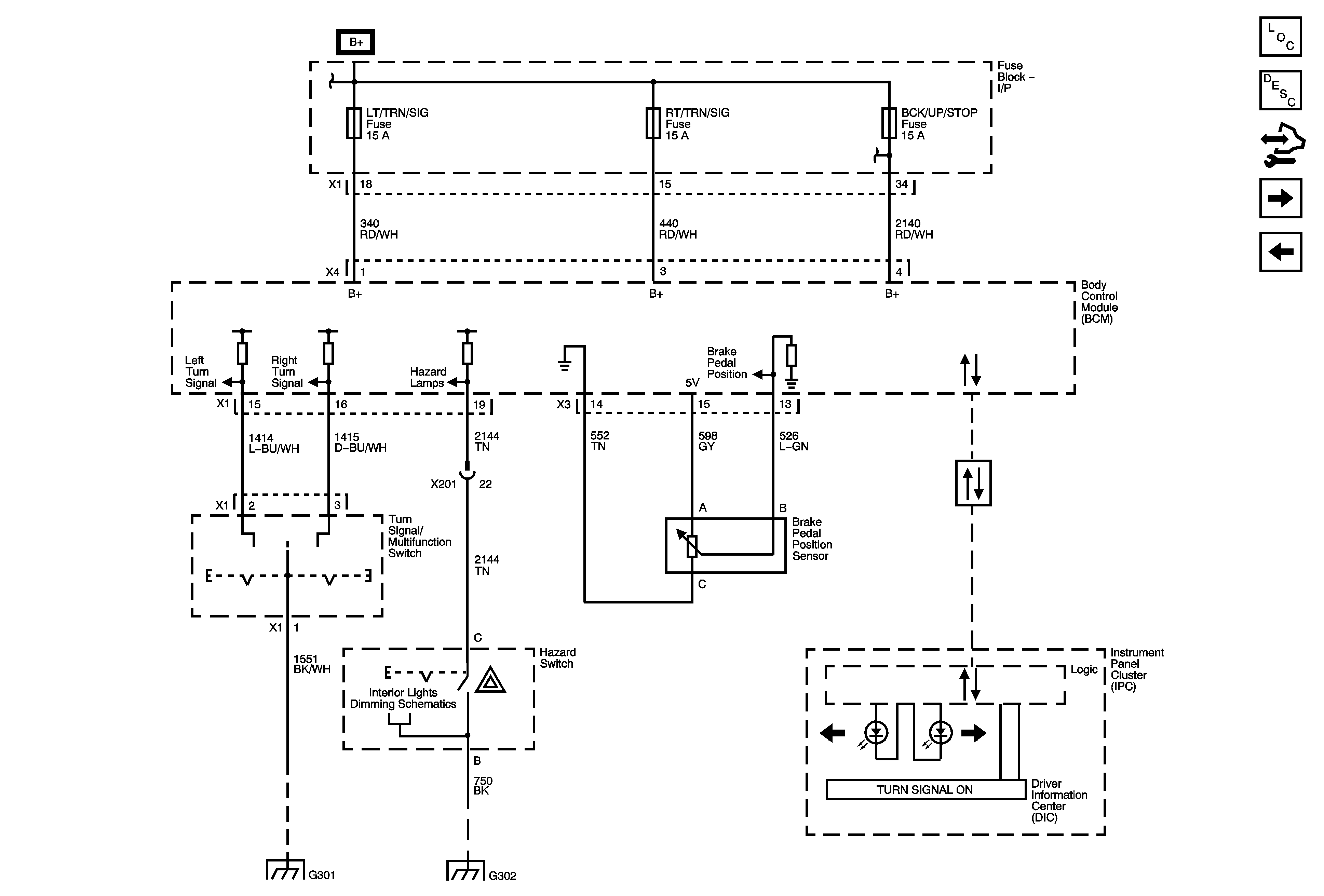
🢒 Stop/Turn Signal Lamps Controls and Indicators
Stop/Turn Signal Lamps Controls and Indicators
Stop/Turn Signal Lamps Controls and Indicators