GM Service Manual Online
For 1990-2009 cars only
Makes
🢒
GMC_Truck
🢒
2007
🢒
Acadia - 2WD
🢒 Rear
Rear
Rear
Master Electrical Component List
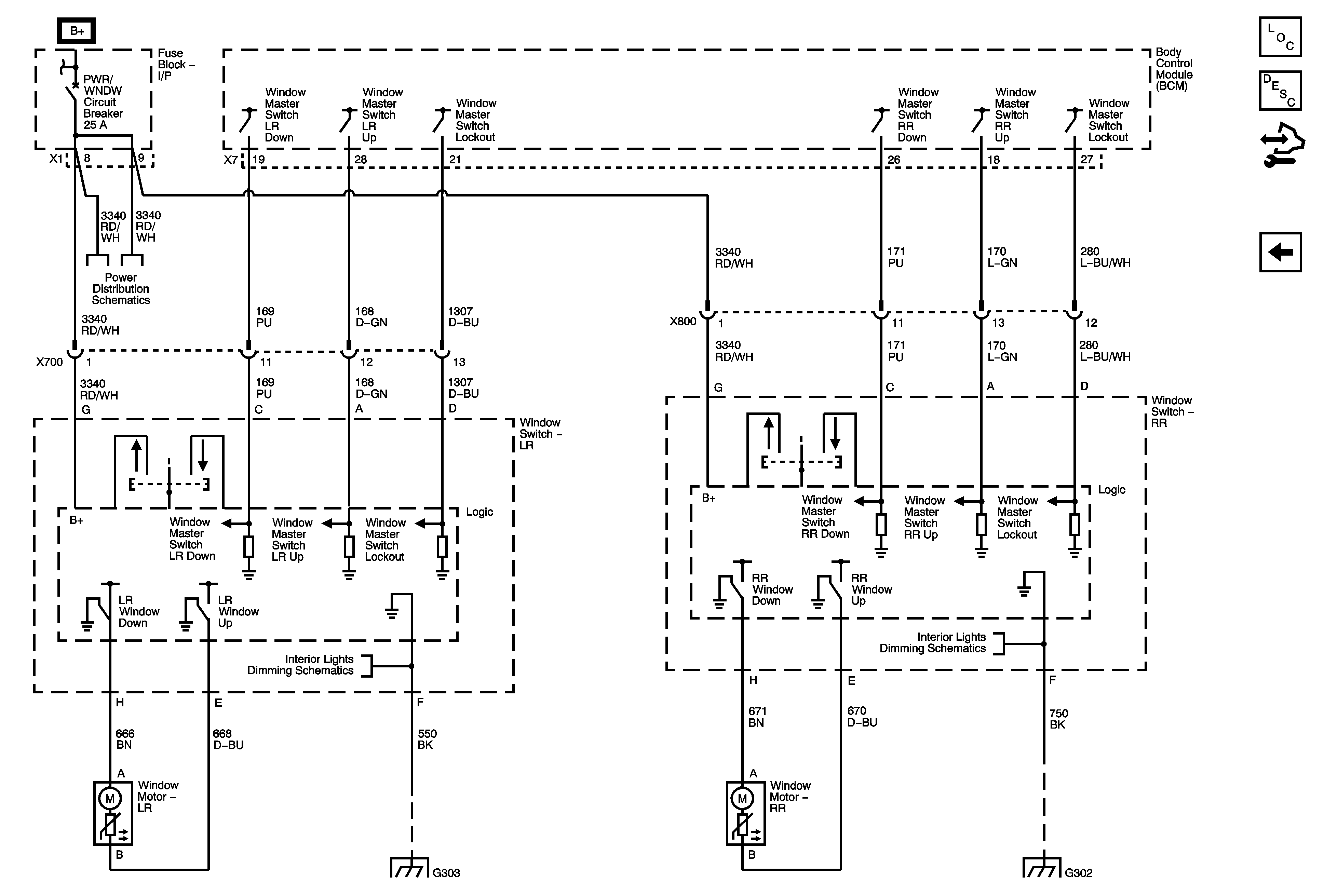
Power Windows Description and Operation (RPO AXC/AXE)
Control Module References
AXC/AXE - Front
BATT 3, DRL, DRL 2, DR/LCK, FRT/WSW, HVAC, and REAR WIPER Fuses, PWR/WNDW Circuit Breaker
BATT 3, DRL, DRL 2, DR/LCK, FRT/WSW, HVAC, and REAR WIPER Fuses, PWR/WNDW Circuit Breaker
Driver, LR, and RR Door Lamps
G303 1 of 2
Driver, LR, and RR Door Lamps
G302 1 of 3