GM Service Manual Online
For 1990-2009 cars only
Makes
🢒
GMC_Truck
🢒
2007
🢒
Acadia - 2WD
🢒 Driver - DNP
Driver - DNP
Driver - DNP
Master Electrical Component List
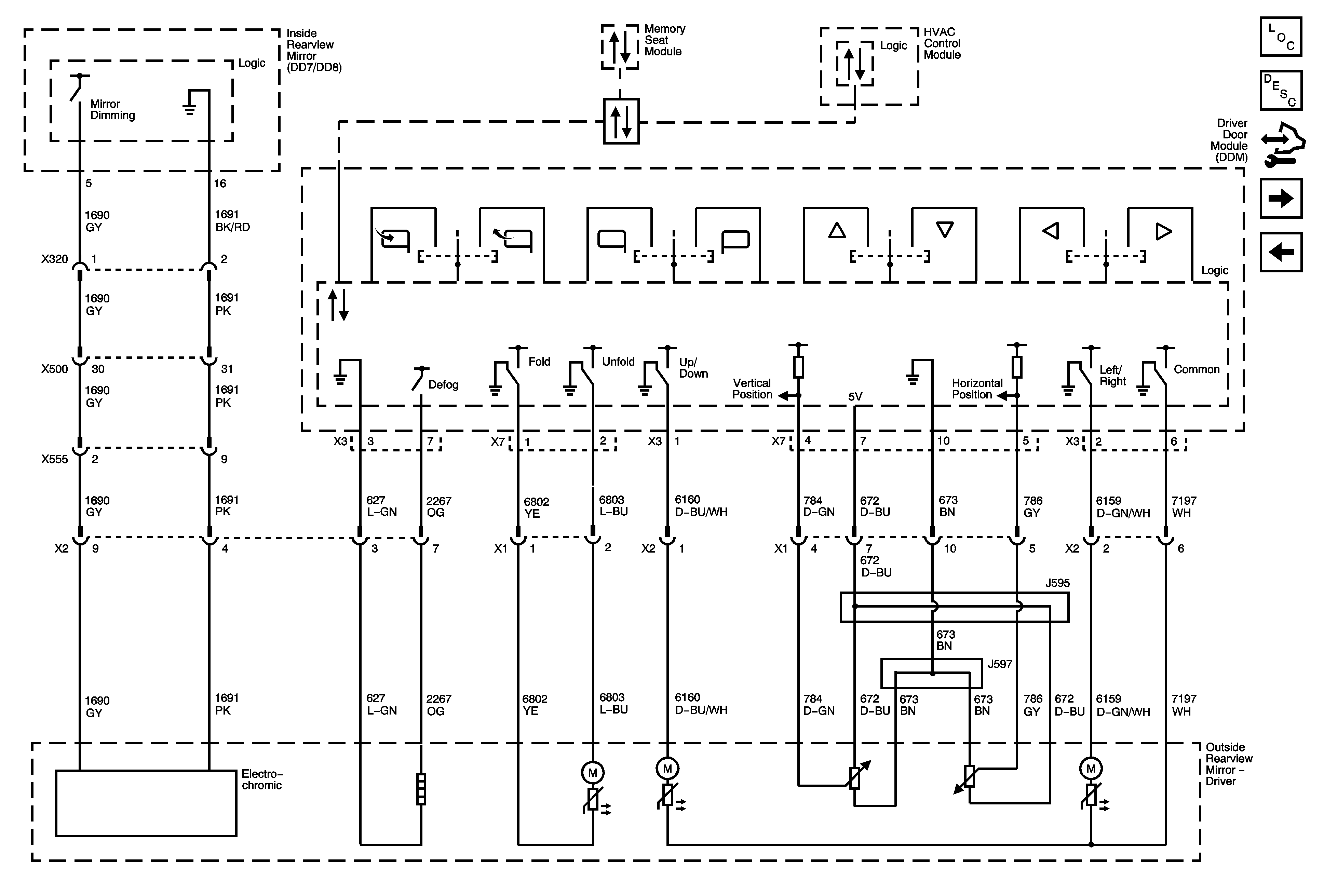
Outside Mirror Description and Operation (Power Mirrors)
Control Module References
Passenger - DNP
DG6/DS3
Data Communication Schematics