GM Service Manual Online
For 1990-2009 cars only
Makes
🢒
GMC_Truck
🢒
2007
🢒
Acadia - 2WD
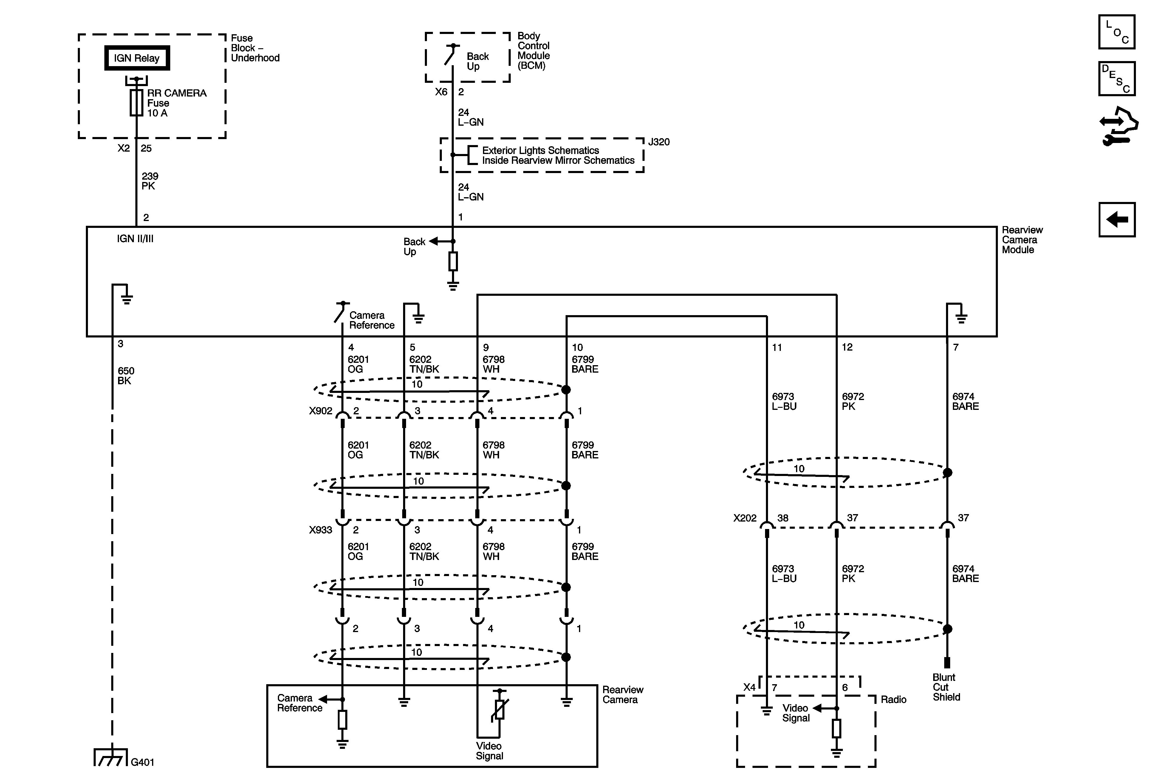
🢒 Rear Vision Camera - UVC
Rear Vision Camera - UVC
Rear Vision Camera - UVC