GM Service Manual Online
For 1990-2009 cars only
Figure 1:

G101, G103, and G113 (W49)


Object Number: 1882420  Size: FS
Master Electrical Component List
Control Module References
G101, G103, and G113 (WDA)
Figure 2:

G101, G103, and G113 (WDA)


Object Number: 1882421  Size: FS
Master Electrical Component List
Control Module References
G101, G103, and G113 (Z88)
G101, G103, and G113 (W49)
Figure 3:

G101, G103, and G113 (Z88)


Object Number: 1882447  Size: FS
Master Electrical Component List
Control Module References
G102 (W49)
G101, G103, and G113 (WDA)
Figure 4:

G102 (W49)


Object Number: 1882453  Size: FS
Master Electrical Component List
Control Module References
G102 (WDA)
G101, G103, and G113 (Z88)
Figure 5:

G102 (WDA)


Object Number: 1882485  Size: FS
Master Electrical Component List
Control Module References
G102 (Z88)
G102 (W49)
Figure 6:

G102 (Z88)


Object Number: 1882493  Size: FS
Master Electrical Component List
Control Module References
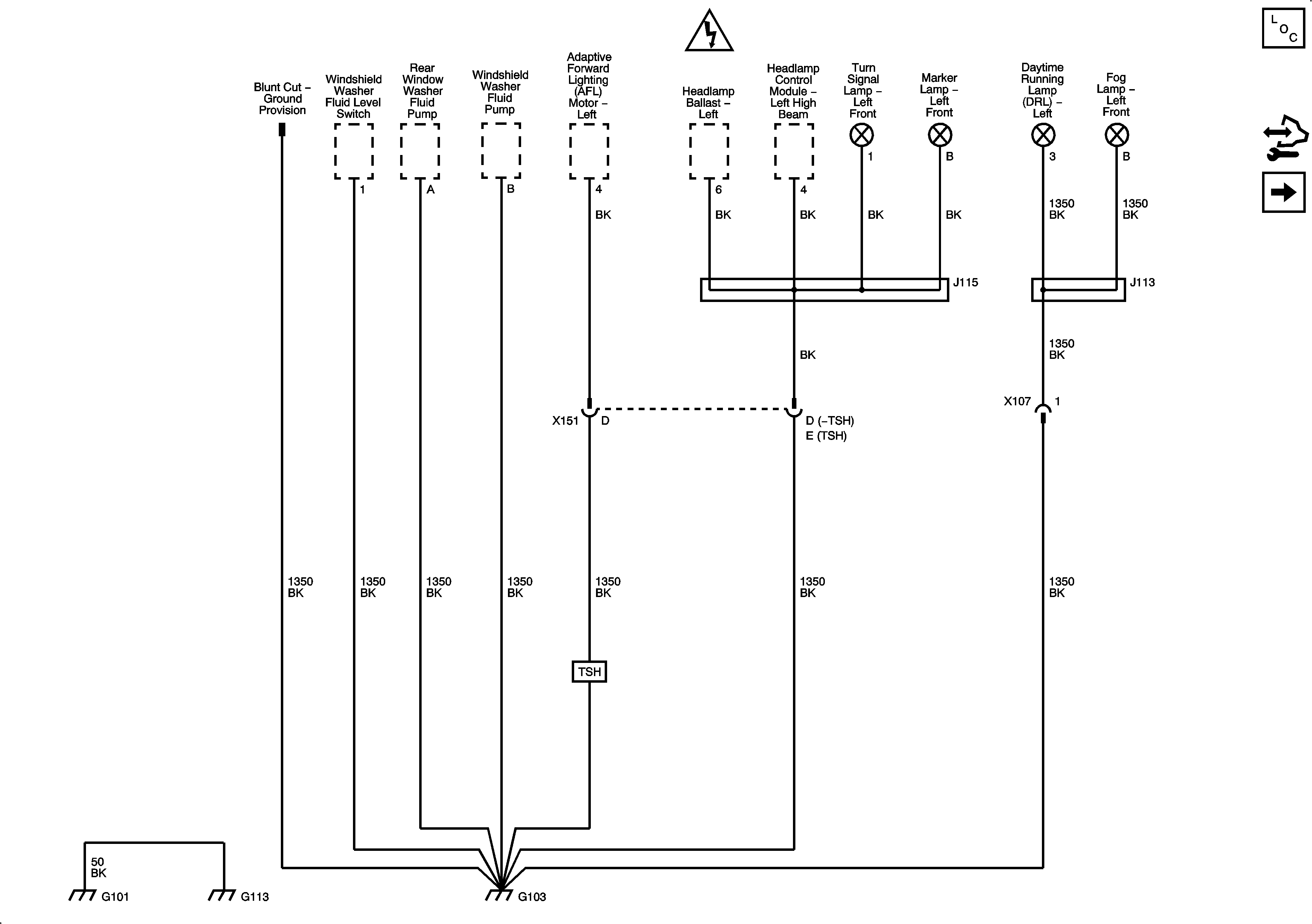
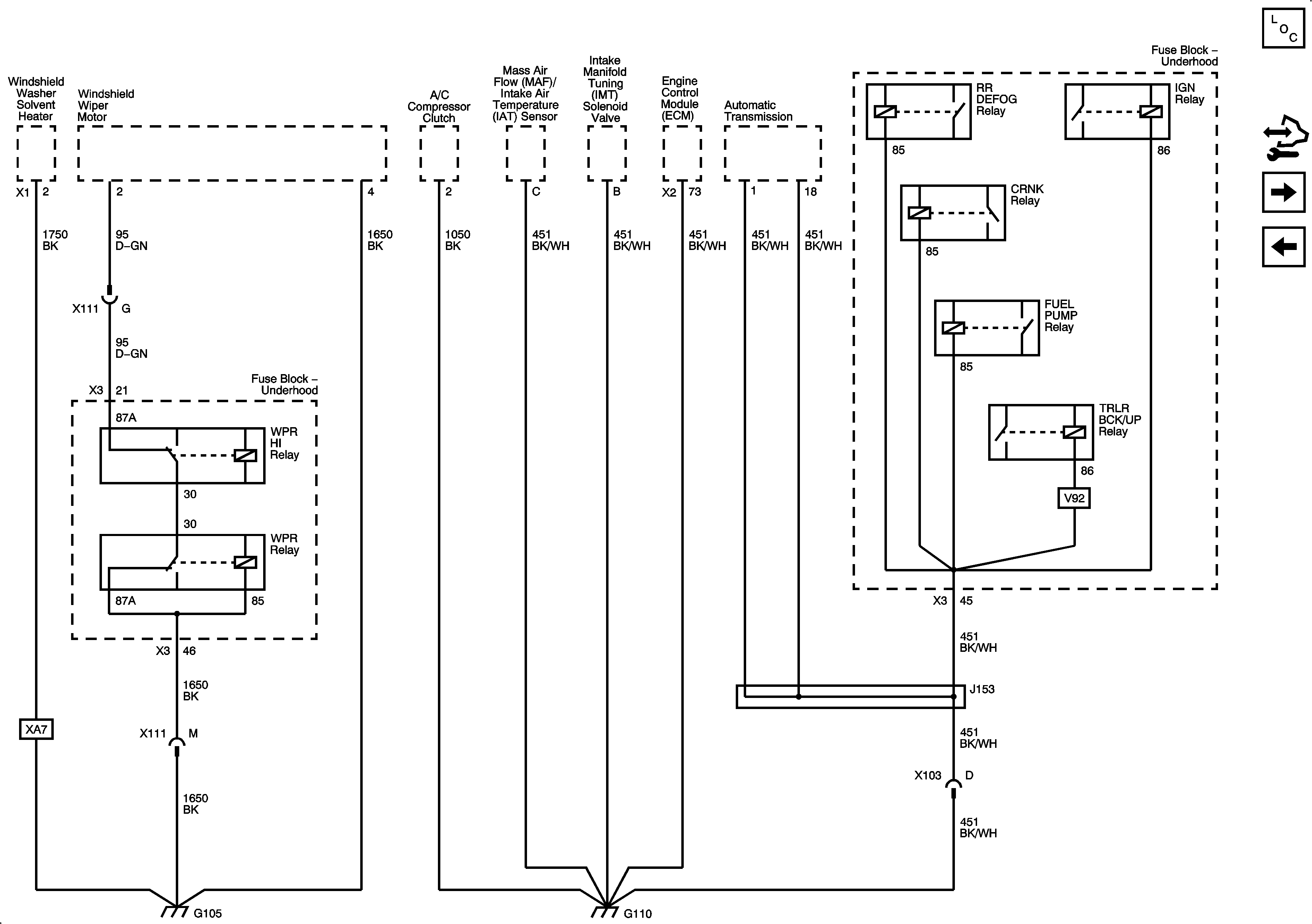
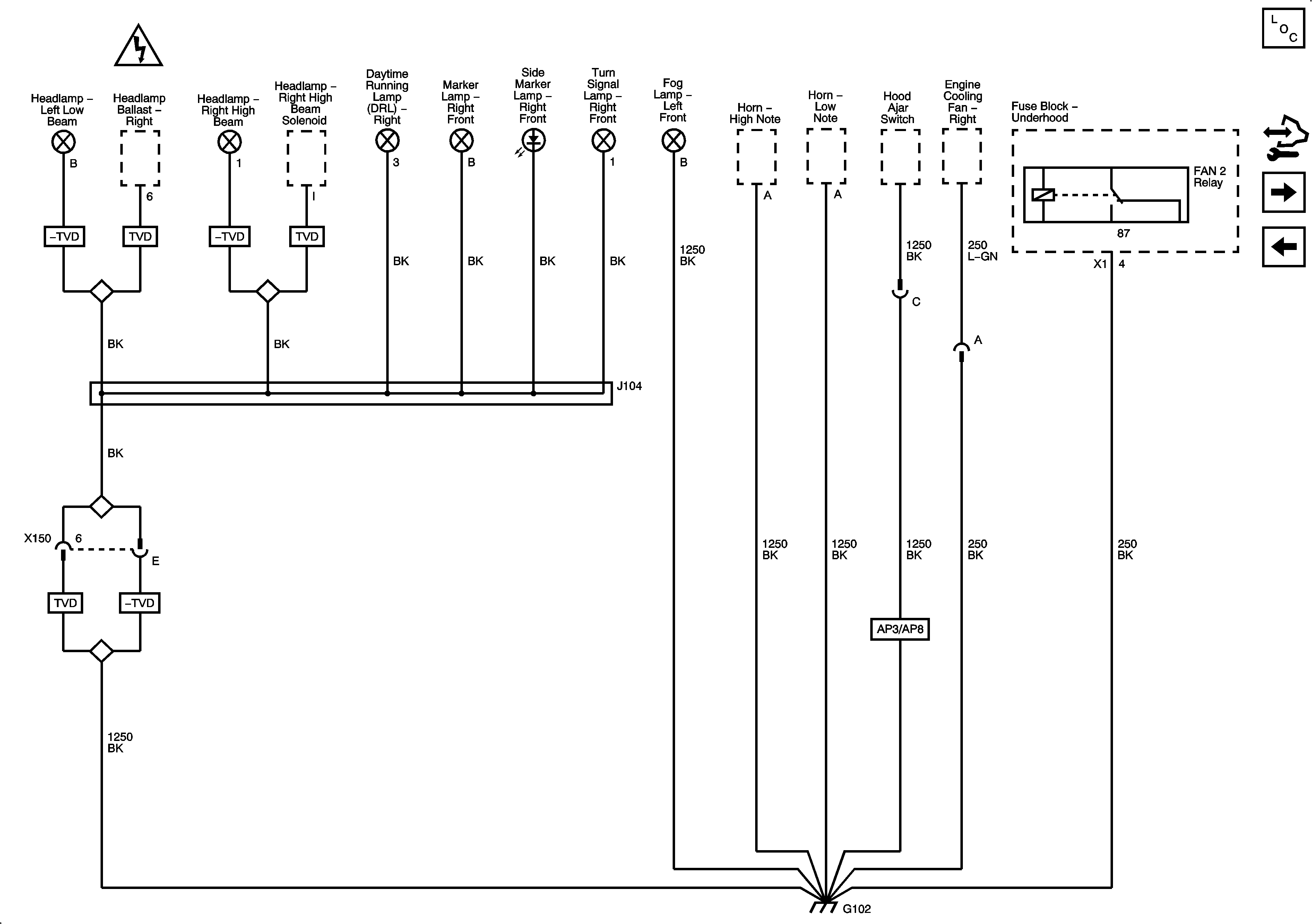
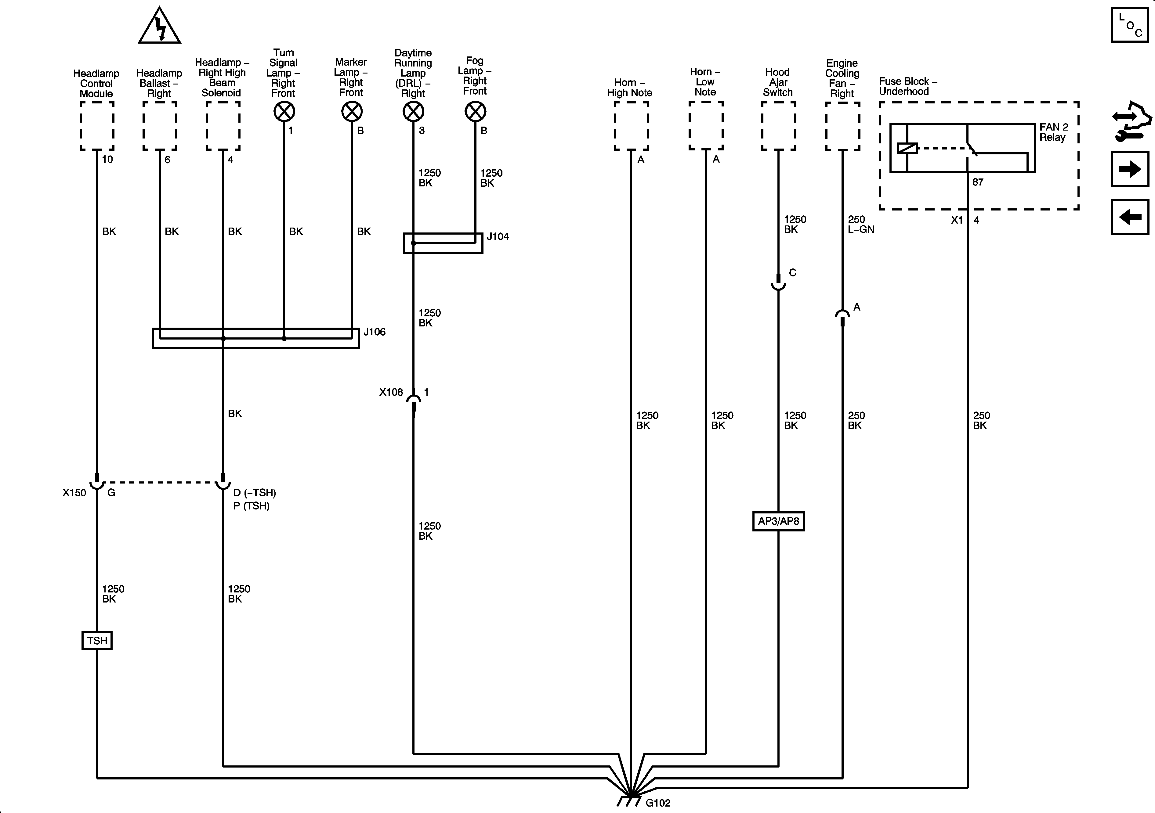
G105 and G110
G102 (WDA)
Figure 7:

G105 and G110


Object Number: 1882502  Size: FS
Master Electrical Component List
Control Module References
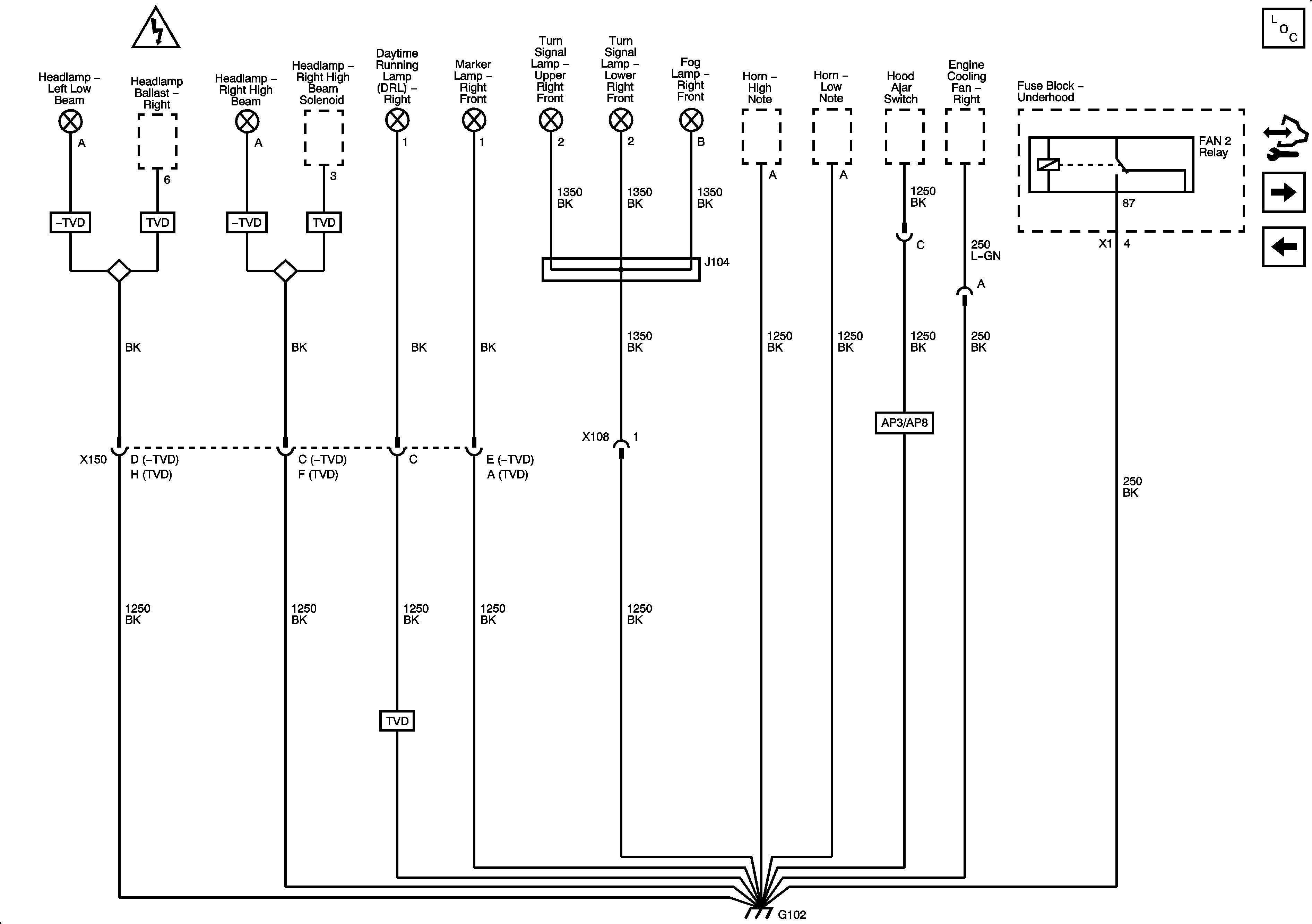
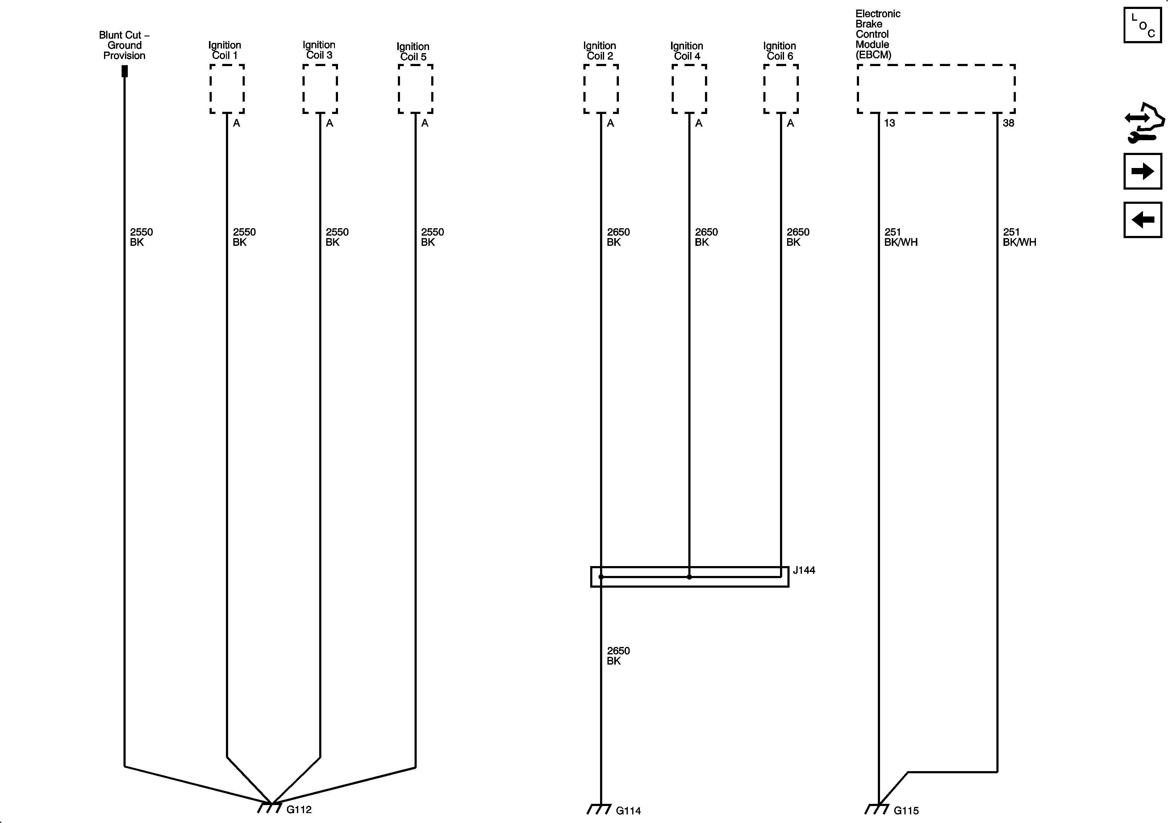
G112, G114 and G115
G102 (Z88)
Figure 8:

G112, G114, and G115


Object Number: 1882509  Size: FS
Master Electrical Component List
Control Module References
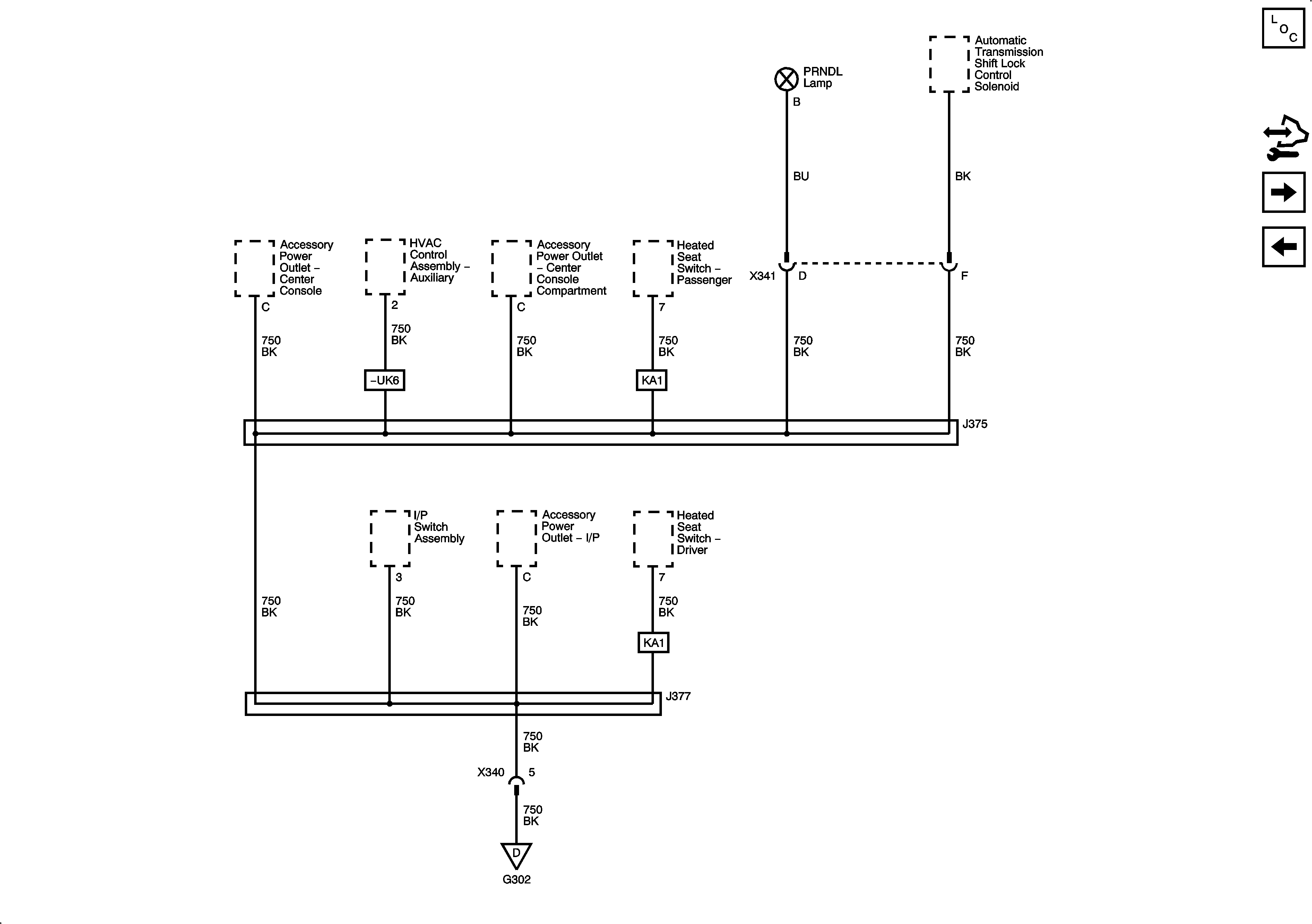
G300
G105 and G110
Figure 9:

G300


Object Number: 1882515  Size: FS
Master Electrical Component List
Control Module References
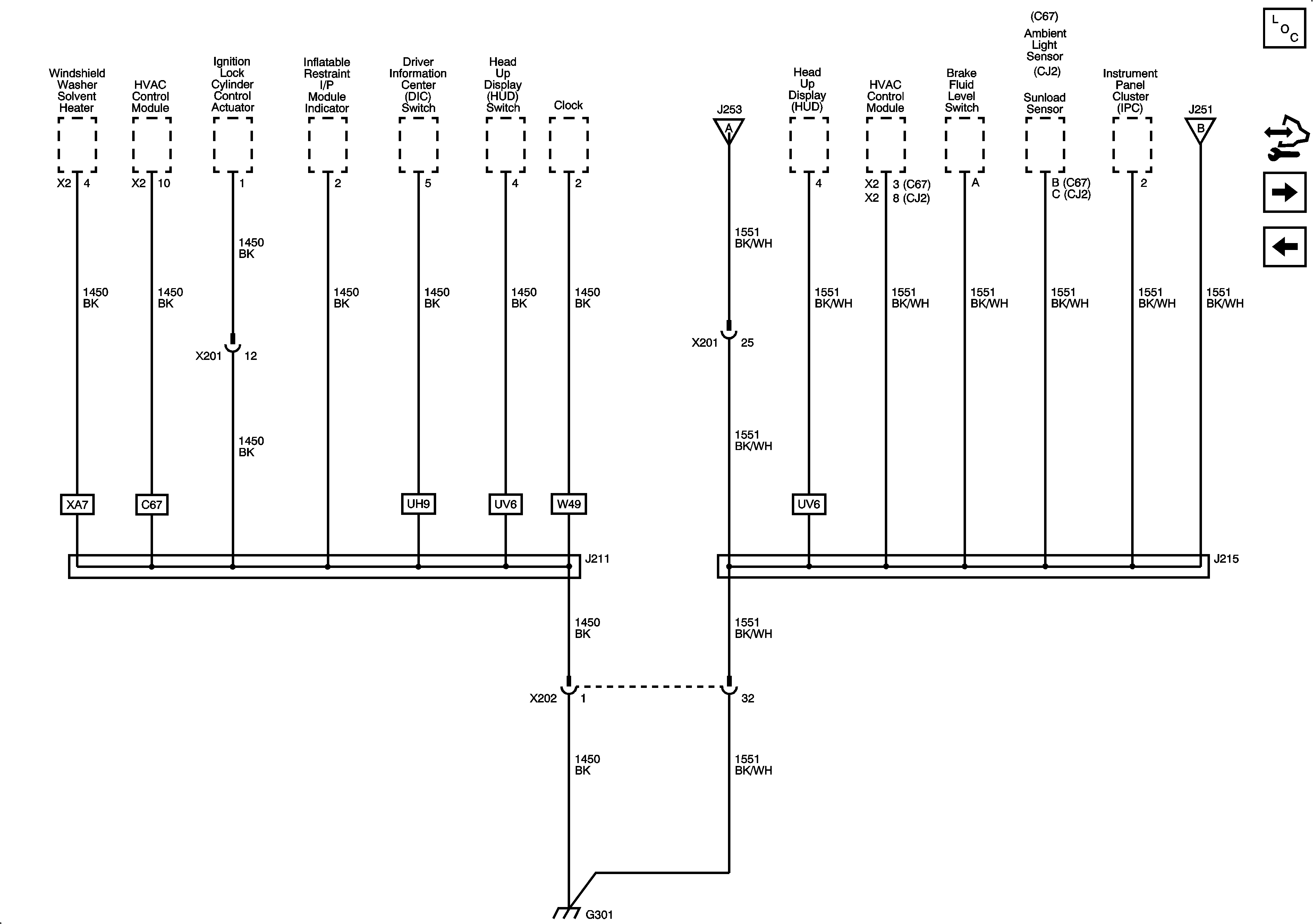
G301 1 0f 2
G112, G114 and G115
Figure 10:

G301 1 of 2


Object Number: 1882525  Size: FS
Master Electrical Component List
Control Module References
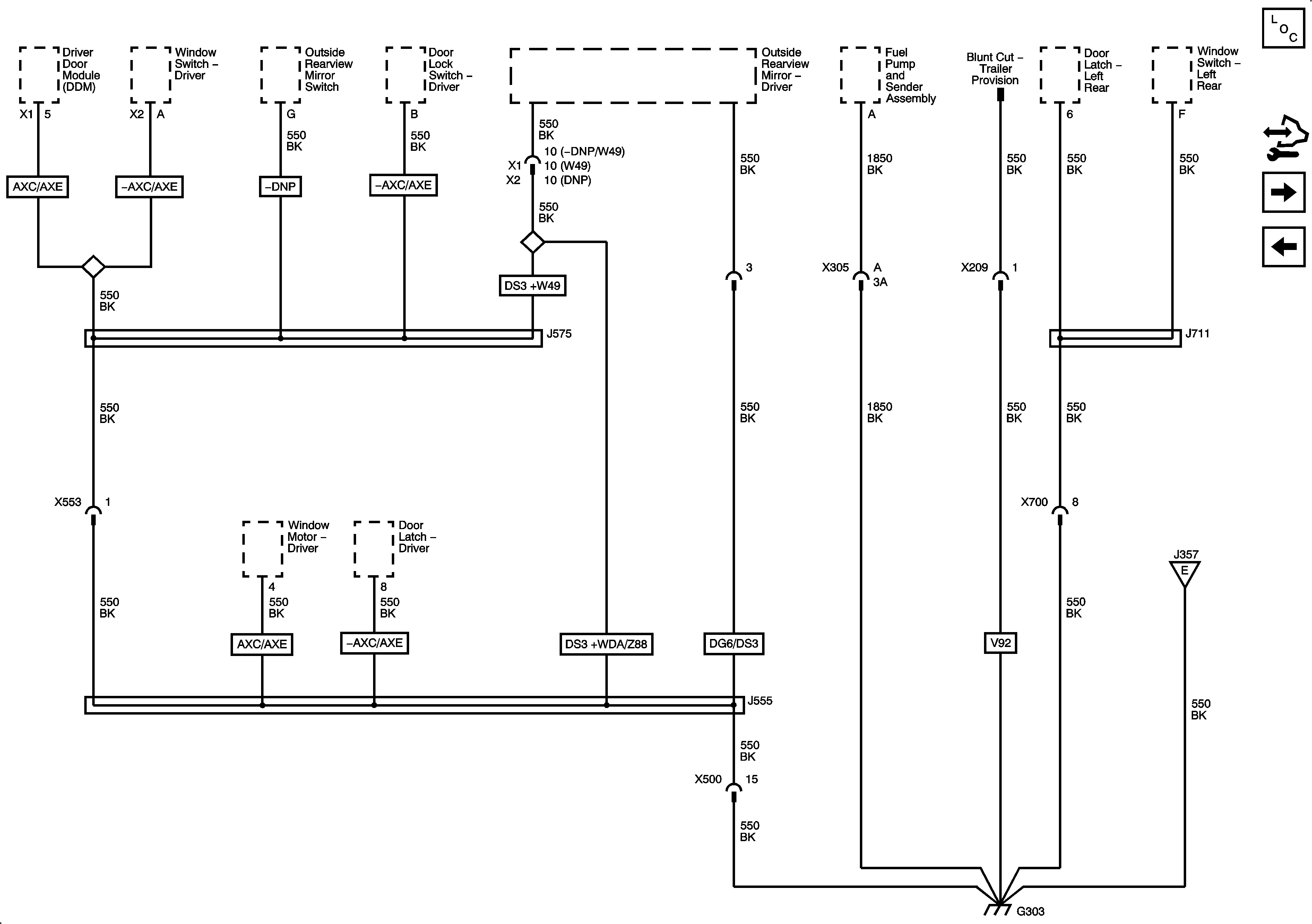
G301 2 of 2
G300
Figure 11:

G301 2 of 2


Object Number: 1882540  Size: FS
Master Electrical Component List
Control Module References
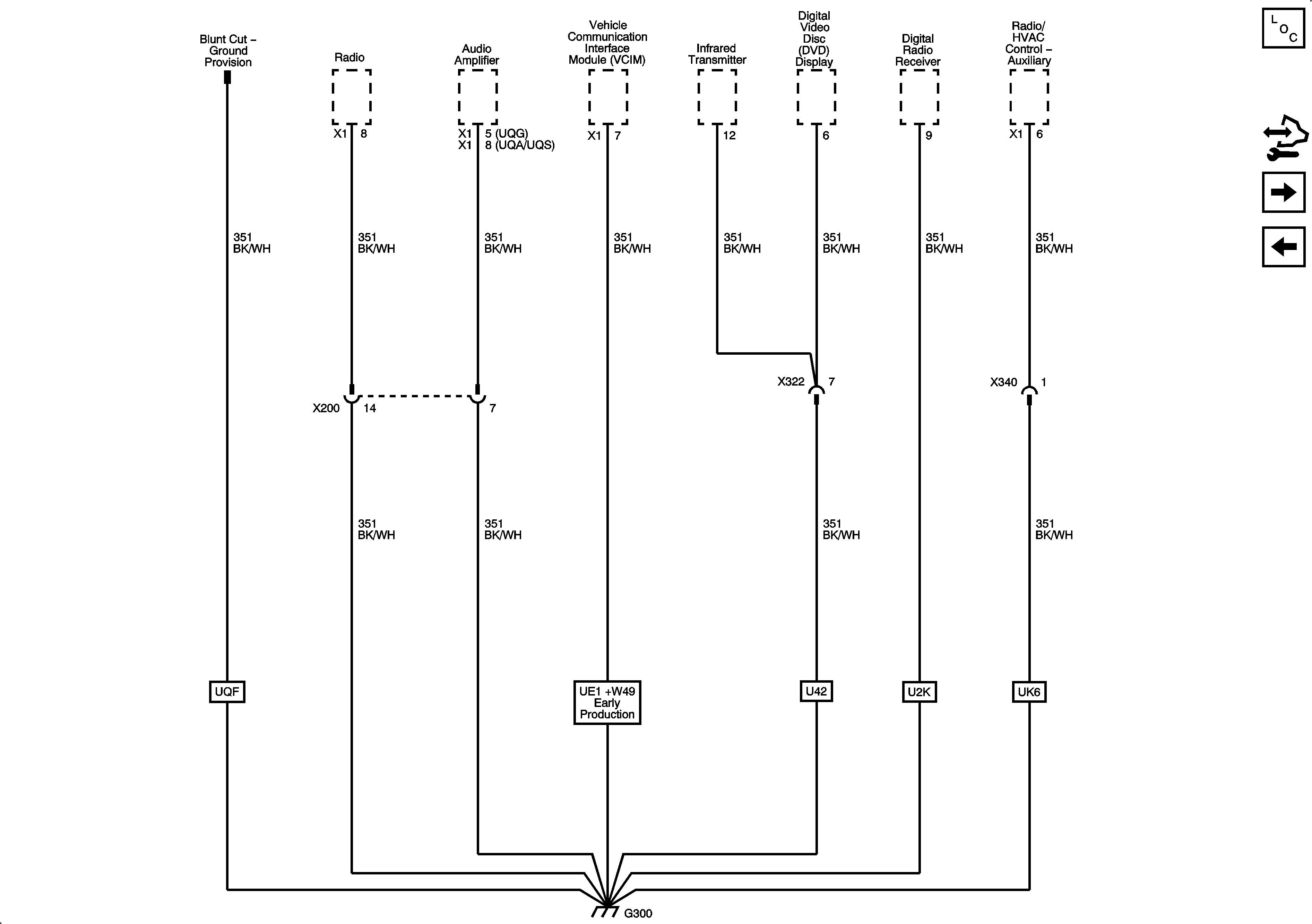
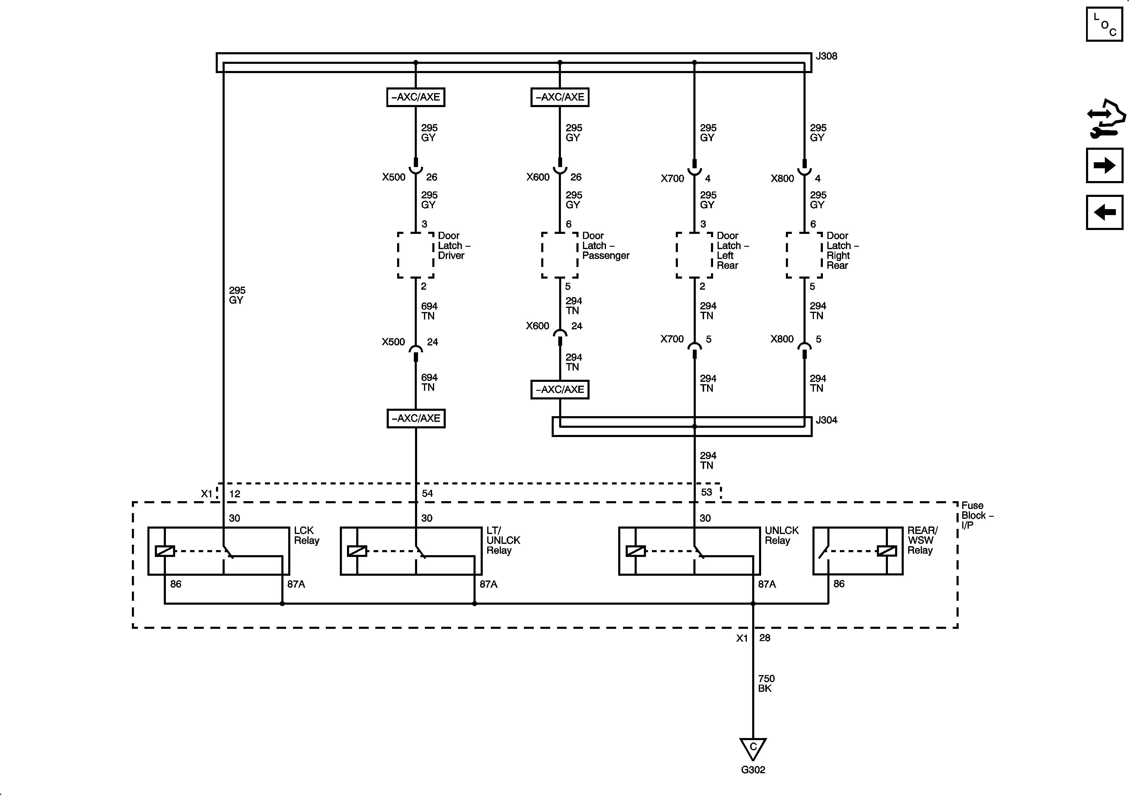
G302 1 0f 3
G301 1 0f 2
Figure 12:

G302 1 of 3


Object Number: 1882542  Size: FS
Master Electrical Component List
Control Module References
G302 2 of 3
G301 2 of 2
Figure 13:

G302 2 of 3


Object Number: 1882548  Size: FS
Master Electrical Component List
Control Module References
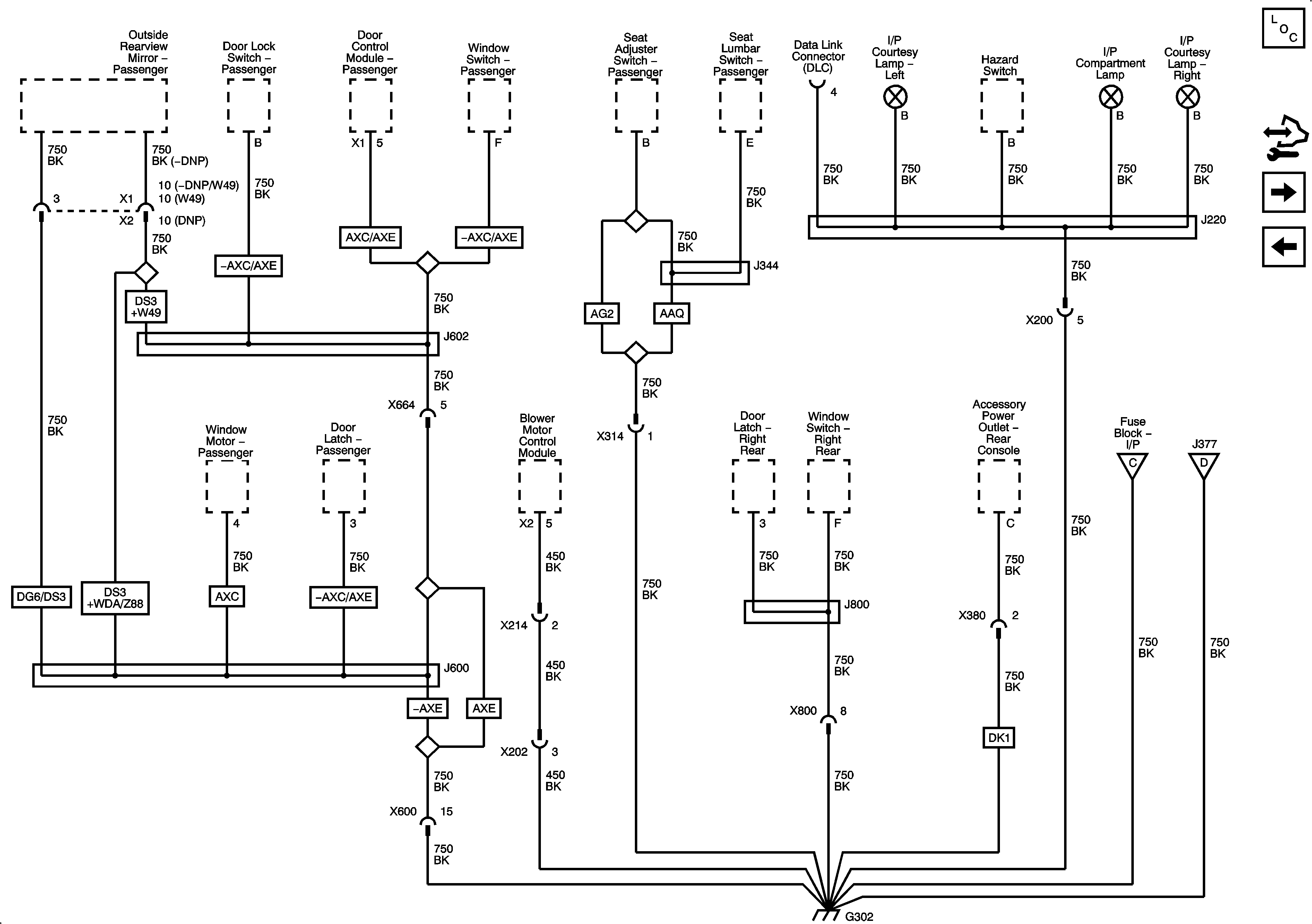
G302 3 of 3
G302 1 0f 3
Figure 14:

G302 3 of 3


Object Number: 1882556  Size: FS
Master Electrical Component List
Control Module References
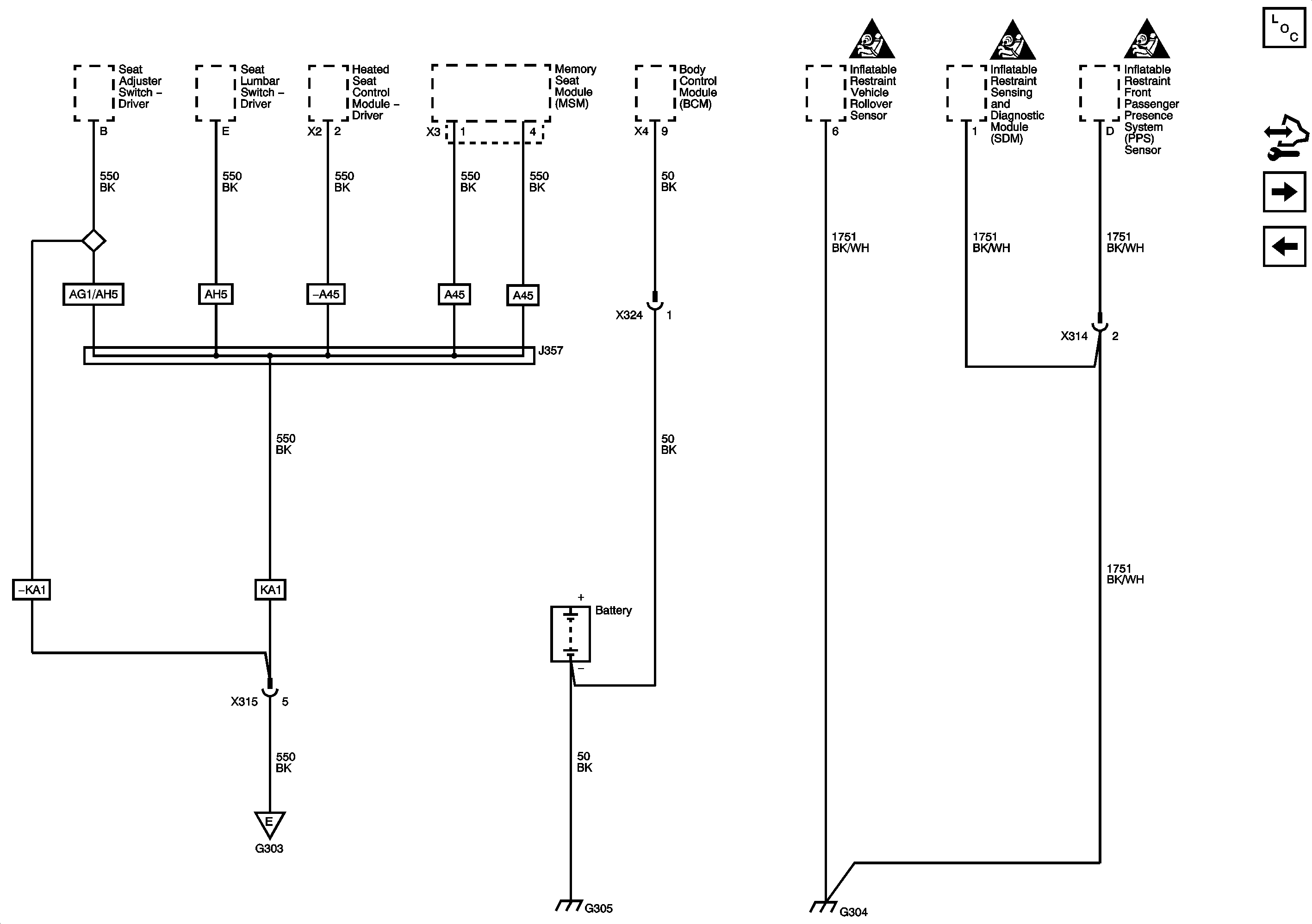
G303 1 of 2
G302 2 of 3
Figure 15:

G303 1 of 2


Object Number: 1882563  Size: FS
Master Electrical Component List
Control Module References
G303 2 of 2, G304, and G305
G302 3 of 3
Figure 16:

G303 2 of 2, G304, and G305


Object Number: 1882564  Size: FS
Master Electrical Component List
Control Module References
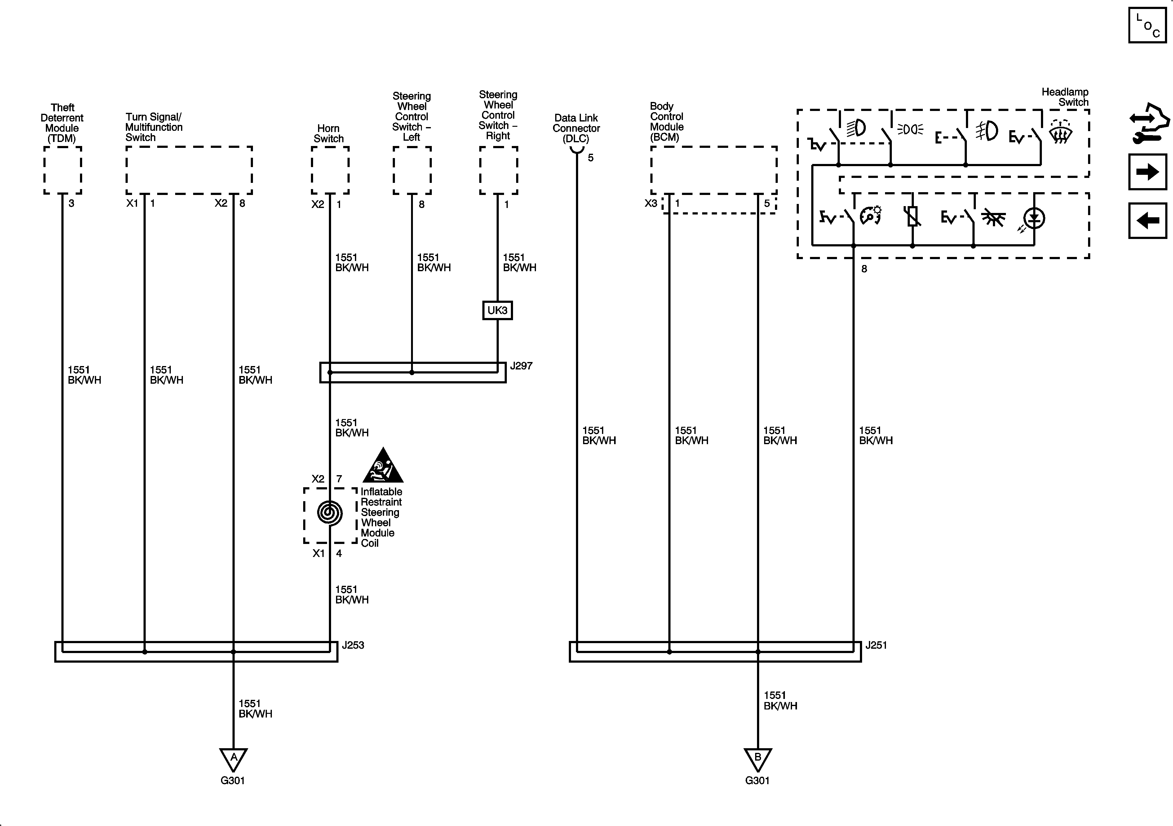
G401 1 of 2
G303 1 of 2
Figure 17:

G401 1 of 2


Object Number: 1882583  Size: FS
Master Electrical Component List
Control Module References
G401 2 of 2
G303 2 of 2, G304, and G305
Figure 18:

G401 2 of 2


Object Number: 1882584  Size: FS
Master Electrical Component List
Control Module References
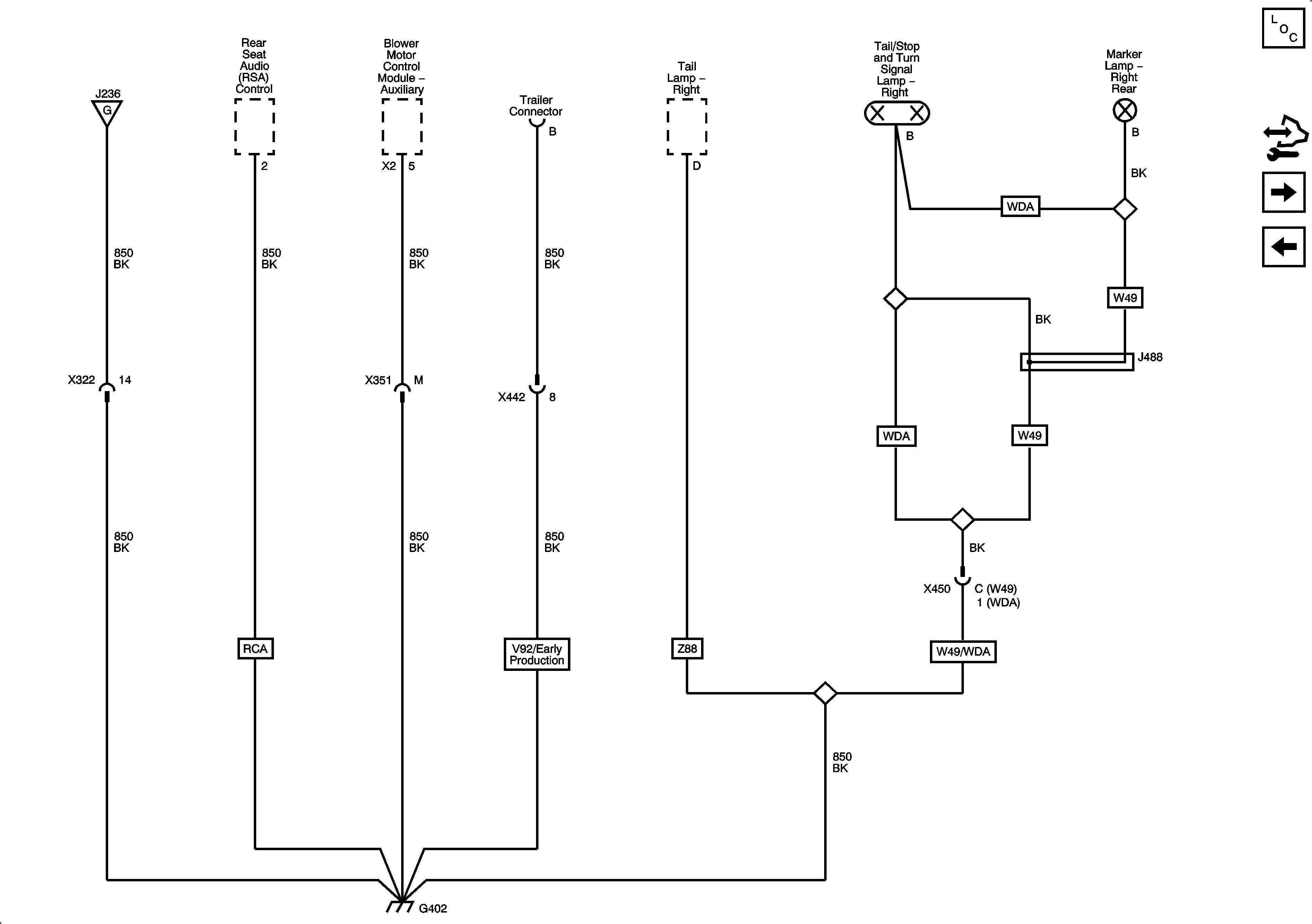
G402 1 of 2
G401 1 of 2
Figure 19:

G402 1 of 2


Object Number: 1882605  Size: FS
Master Electrical Component List
Control Module References
G402 2 of 2
G401 2 of 2
Figure 20:

G402 2 of 2


Object Number: 1882622  Size: FS
Master Electrical Component List
Control Module References
Low Speed GMLAN
G402 1 of 2