GM Service Manual Online
For 1990-2009 cars only

Special Tools

J 42188 Ball Joint Separator

Removal Procedure

  1. Raise and support the vehicle. Refer to Lifting and Jacking the Vehicle.
  2. Remove the tire and wheel. Refer to Tire and Wheel Removal and Installation.
  3. Remove the outer tie rod end from the steering knuckle. Refer to Steering Linkage Outer Tie Rod Replacement.
  4. Turn the knuckle to the left.
  5. Using the proper size allen wrench and wrench, loosen the lower ball joint nut.

  6. Object Number: 2001931  Size: SH
  7. Using the J 42188  (1), remove the lower ball joint from the knuckle.

  8. Object Number: 1853193  Size: SH
  9. Remove the lower ball joint nut.

  10. Object Number: 1853070  Size: SH
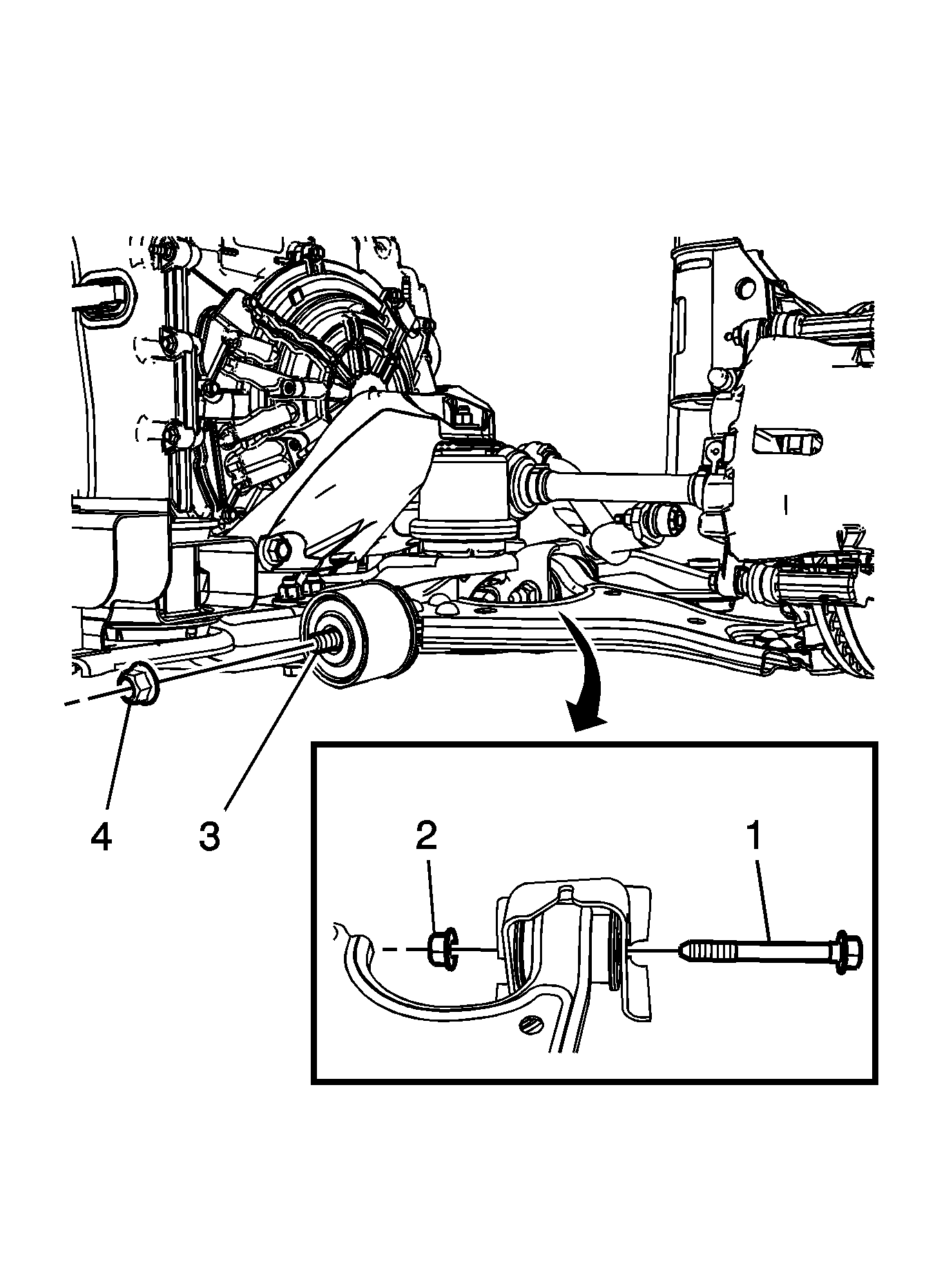
  11. Remove the front lower control arm front nut (4) from the stud (3).
  12. Remove the lower control arm rear nut (2) and bolt (1).

  13. Object Number: 1853091  Size: SH
  14. Remove the front lower control arm from the vehicle.

Installation Procedure


    Object Number: 1853091  Size: SH
  1. Position the front lower control arm in the frame.

  2. Object Number: 1853070  Size: SH
  3. Install the front lower control arm rear nut (2) and bolt (1). Hand tighten the nut (2).
  4. Notice: Refer to Fastener Notice in the Preface section.

  5. Install the front lower control arm front nut (4) and the stud (3).
  6. Tighten
    Tighten the front lower control arm nut to 195 N·m (144 lb ft).

    Important: Using the appropriate size wrench, hold the bolt while torquing the nut.

  7. Tighten the front rear lower control arm rear nut (2).
  8. Tighten
    Tighten the front lower control arm rear nut to 150 N·m (111 lb ft).


    Object Number: 1853193  Size: SH
  9. Install the lower ball joint in the knuckle.
  10. Tighten
    Tighten the ball joint nut to the following specifications:

    • Tighten the ball joint nut (Silver Finish) to 40 N·m (30 lb ft) plus 120°.
    • Tighten the ball joint nut to (Black Finish) to 40 N·m (30 lb ft) plus 90°.
  11. Install the outer tie rod end. Refer to Steering Linkage Outer Tie Rod Replacement.
  12. Install the tire and wheel assembly. Refer to Tire and Wheel Removal and Installation.
  13. Remove the support and lower the vehicle.