GM Service Manual Online
For 1990-2009 cars only
Makes
🢒
GMC_Truck
🢒
2008
🢒
Acadia - 2WD
🢒
Diagnostic Navigation
🢒
Vehicle Diagnostic Information
🢒 Moveable Window Schematics
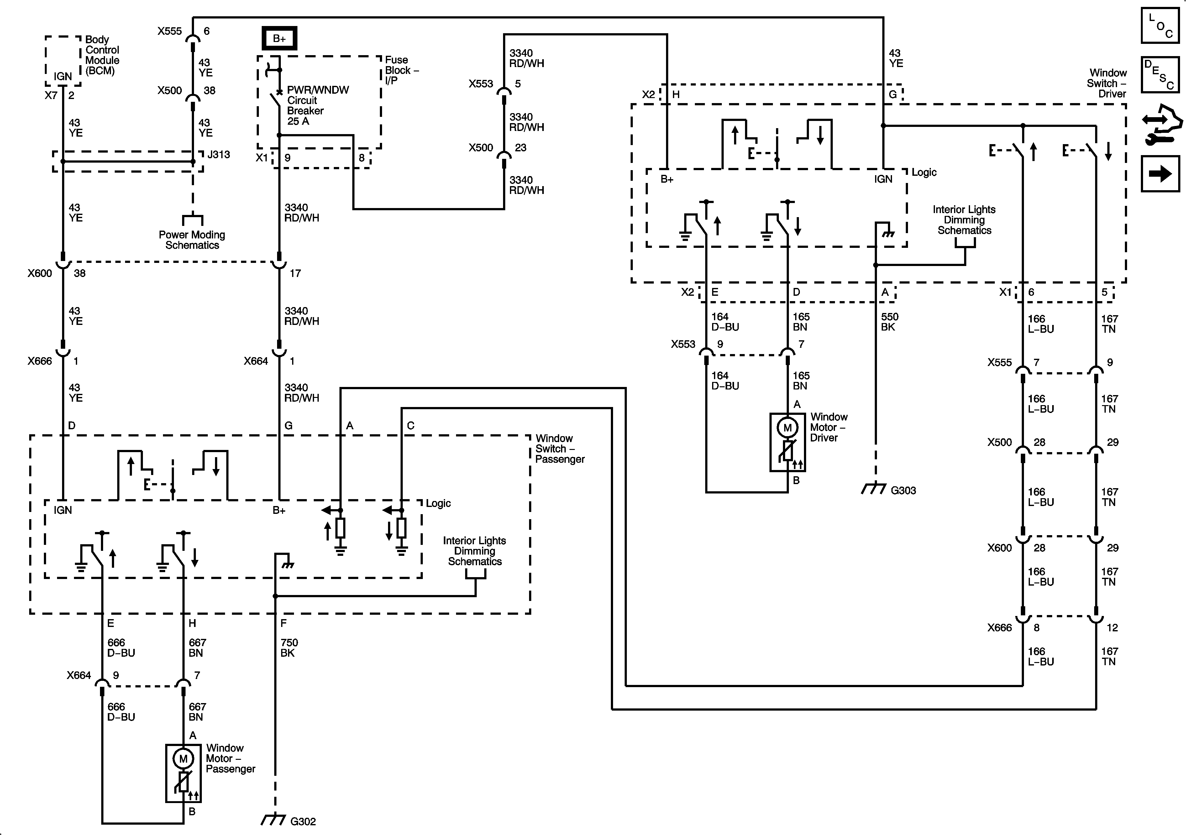
Moveable Window Schematics Except AXC/AXE
Figure
1:
Front
Master Electrical Component List
Power Windows Description and Operation (W/O AXC/AXE)
Control Module References
Rear
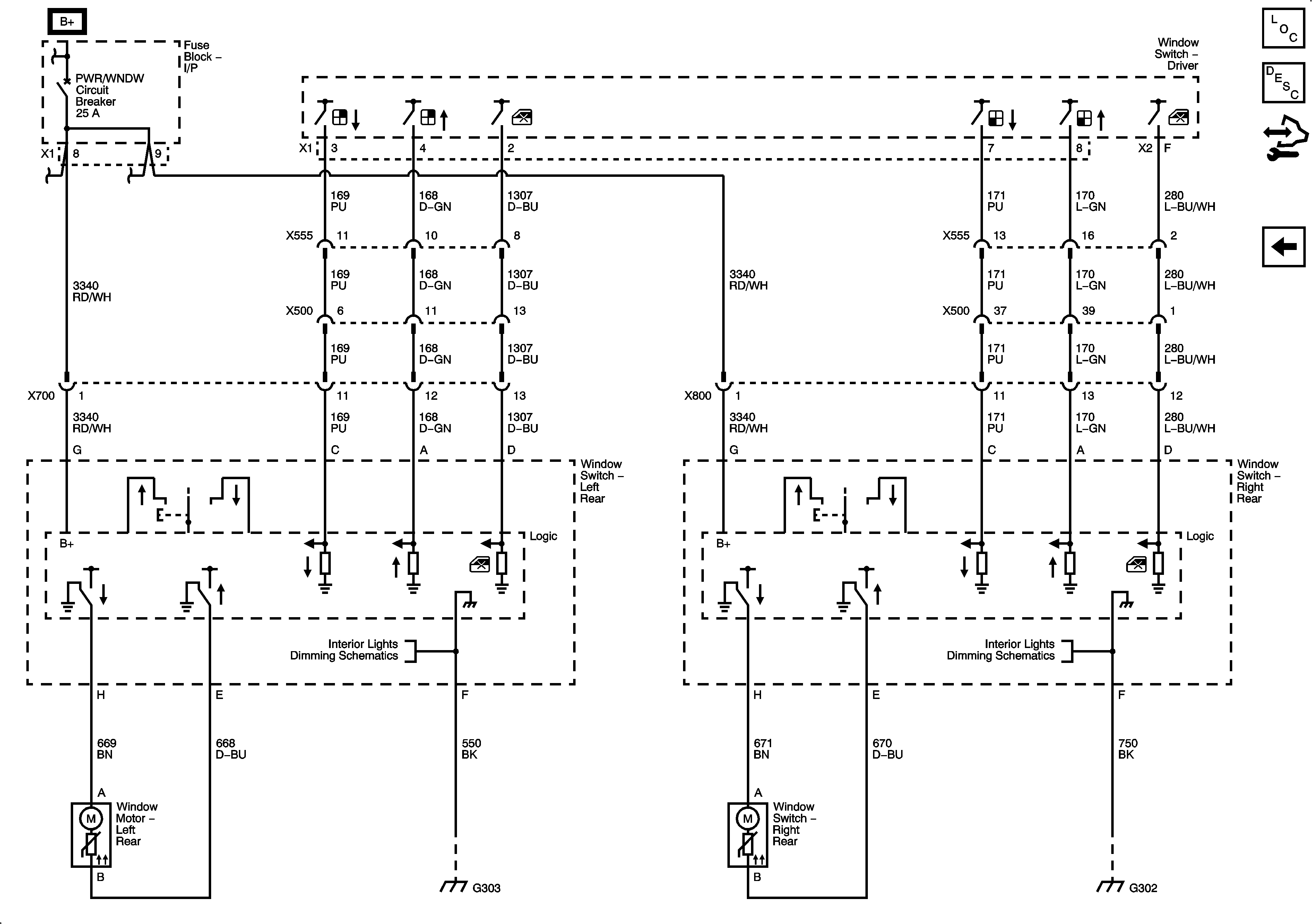
Figure
2:
Rear
Master Electrical Component List
Power Windows Description and Operation (W/O AXC/AXE)
Control Module References
Front
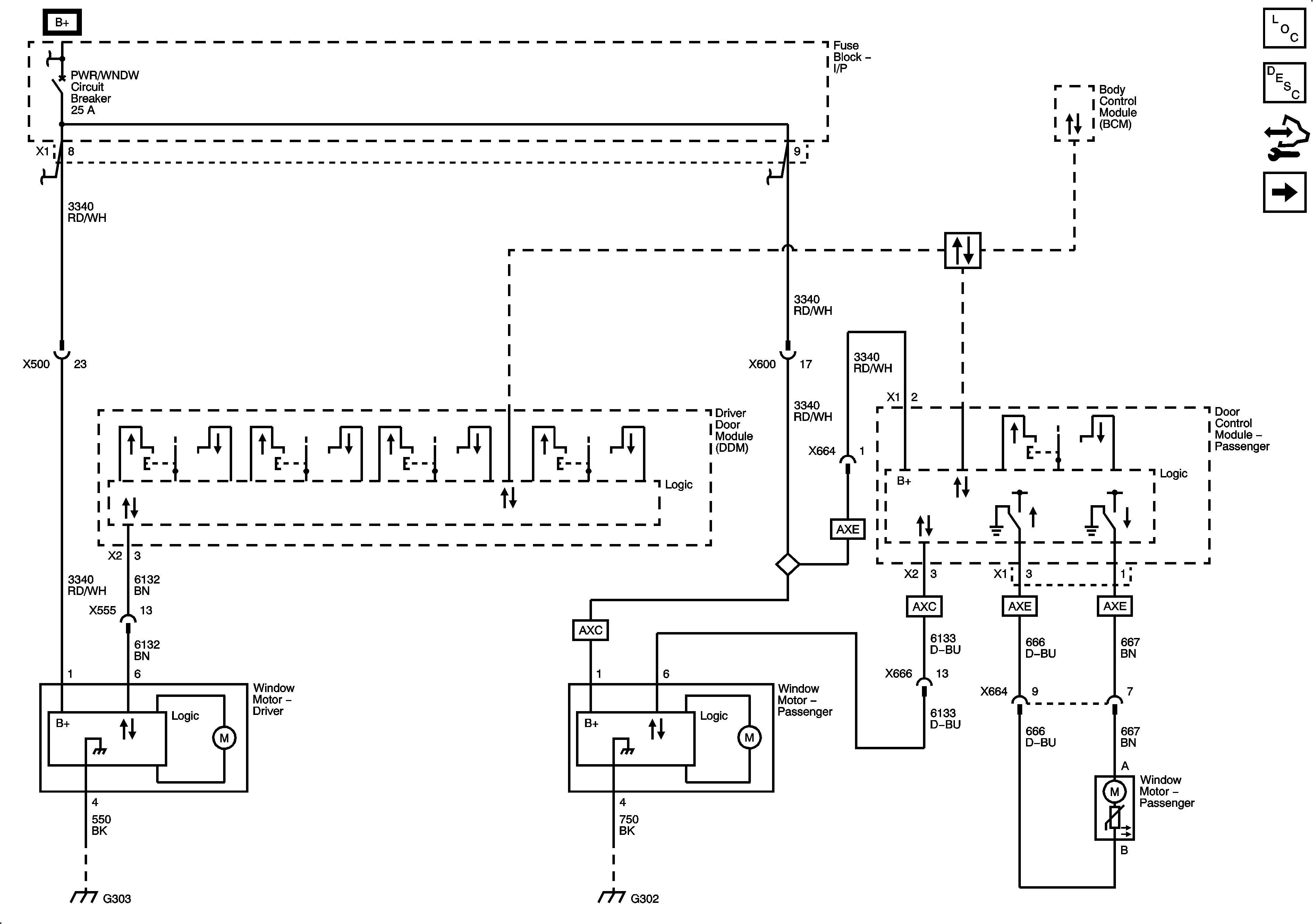
Moveable Window Schematics AXC/AXE
Figure
1:
Front
Master Electrical Component List
Power Windows Description and Operation (RPO AXC/AXE)
Control Module References
Rear
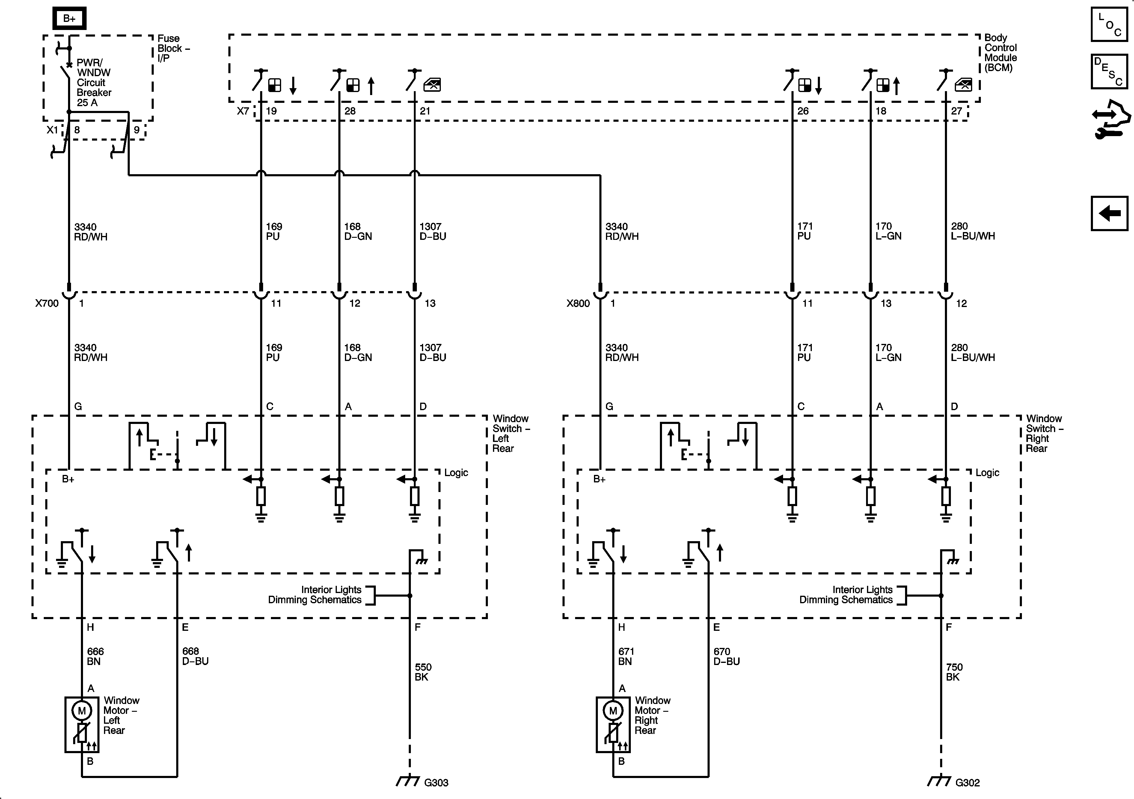
Figure
2:
Rear
Master Electrical Component List
Power Windows Description and Operation (RPO AXC/AXE)
Control Module References
Front