GM Service Manual Online
For 1990-2009 cars only
Makes
🢒
GMC_Truck
🢒
2008
🢒
Acadia - 2WD
🢒
Diagnostic Navigation
🢒
Vehicle Diagnostic Information
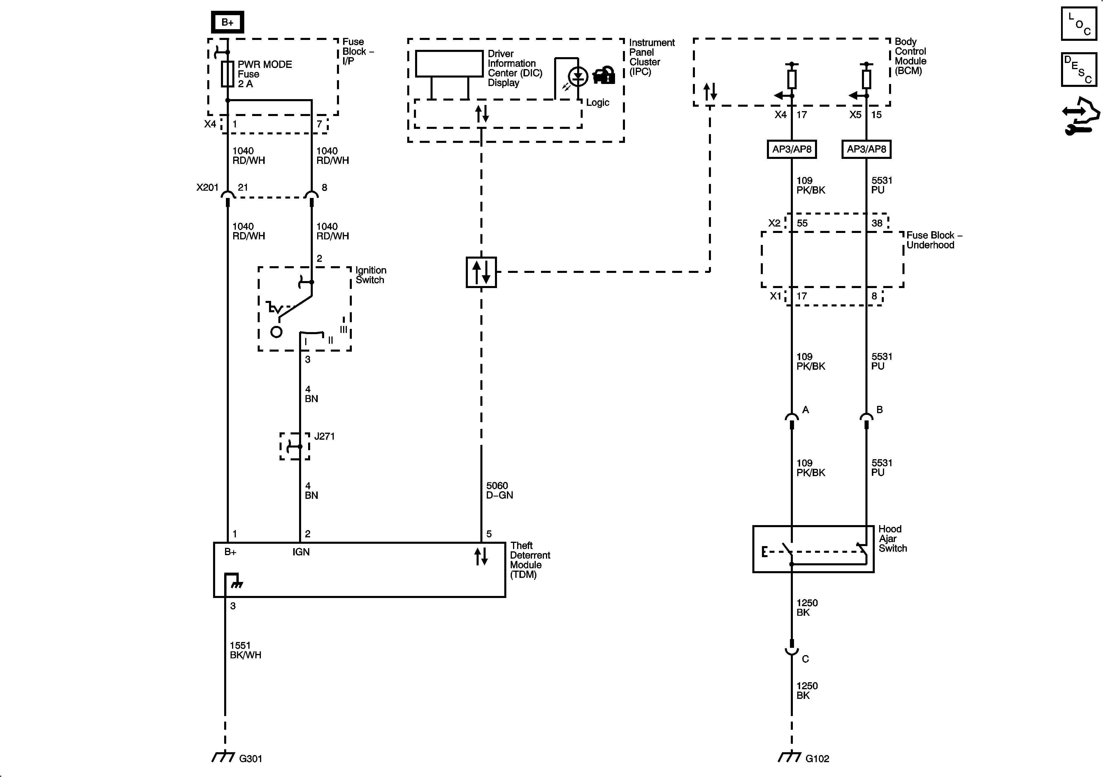
🢒 Immobilizer Schematics
Master Electrical Component List
Immobilizer Description and Operation
Control Module References