GM Service Manual Online
For 1990-2009 cars only
Figure 1:

Low Speed GMLAN


Object Number: 1882630  Size: FS
Master Electrical Component List
Data Link Communications Description and Operation
Control Module References
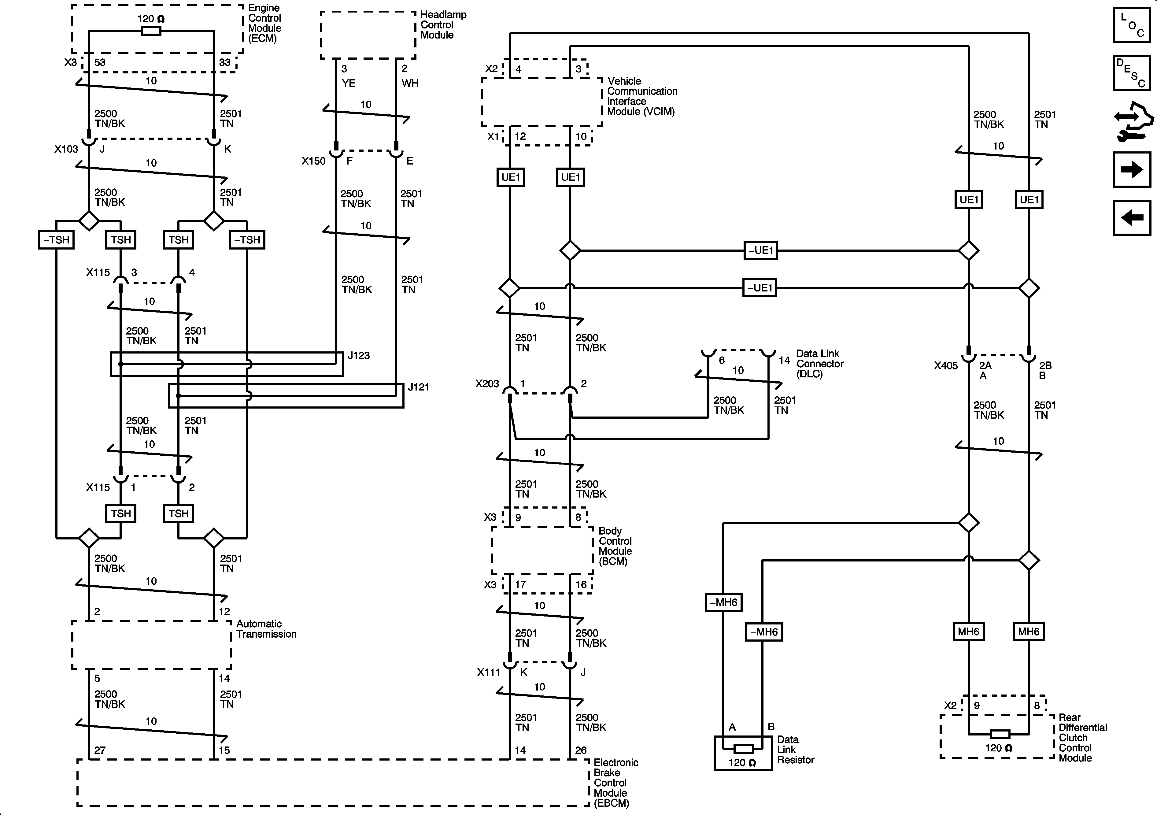
High Speed GMLAN - W49 Early Production
Figure 2:

High Speed GMLAN - W49 Early Production


Object Number: 1882632  Size: FS
Master Electrical Component List
Data Link Communications Description and Operation
Control Module References
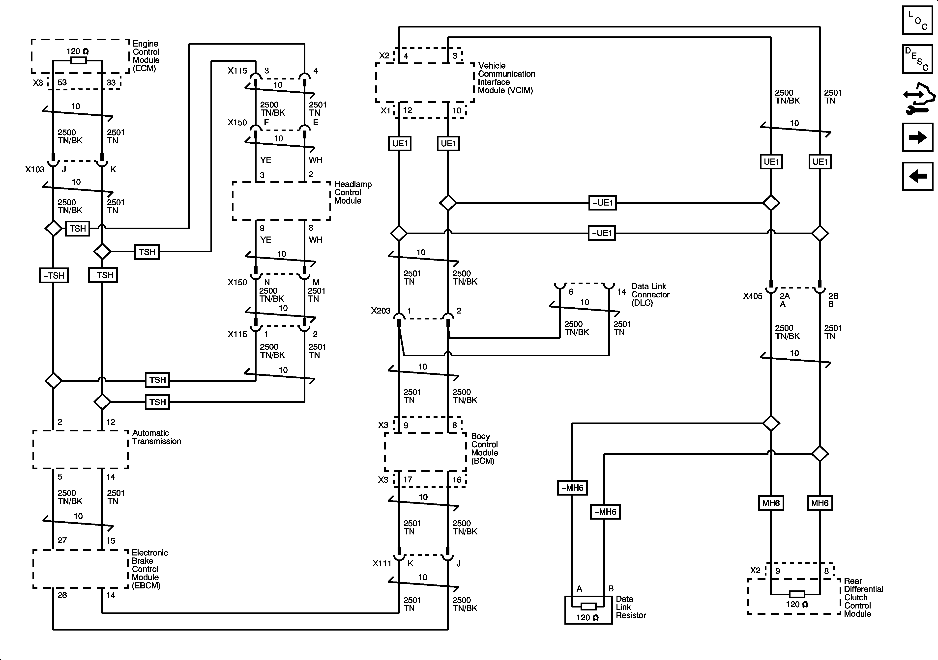
High Speed GMLAN - WDA or Z88 or W49 Late Production
Low Speed GMLAN
Figure 3:

High Speed GMLAN - WDA or Z88 or W49 Late Production


Object Number: 2088456  Size: FS
Master Electrical Component List
Data Link Communications Description and Operation
Control Module References
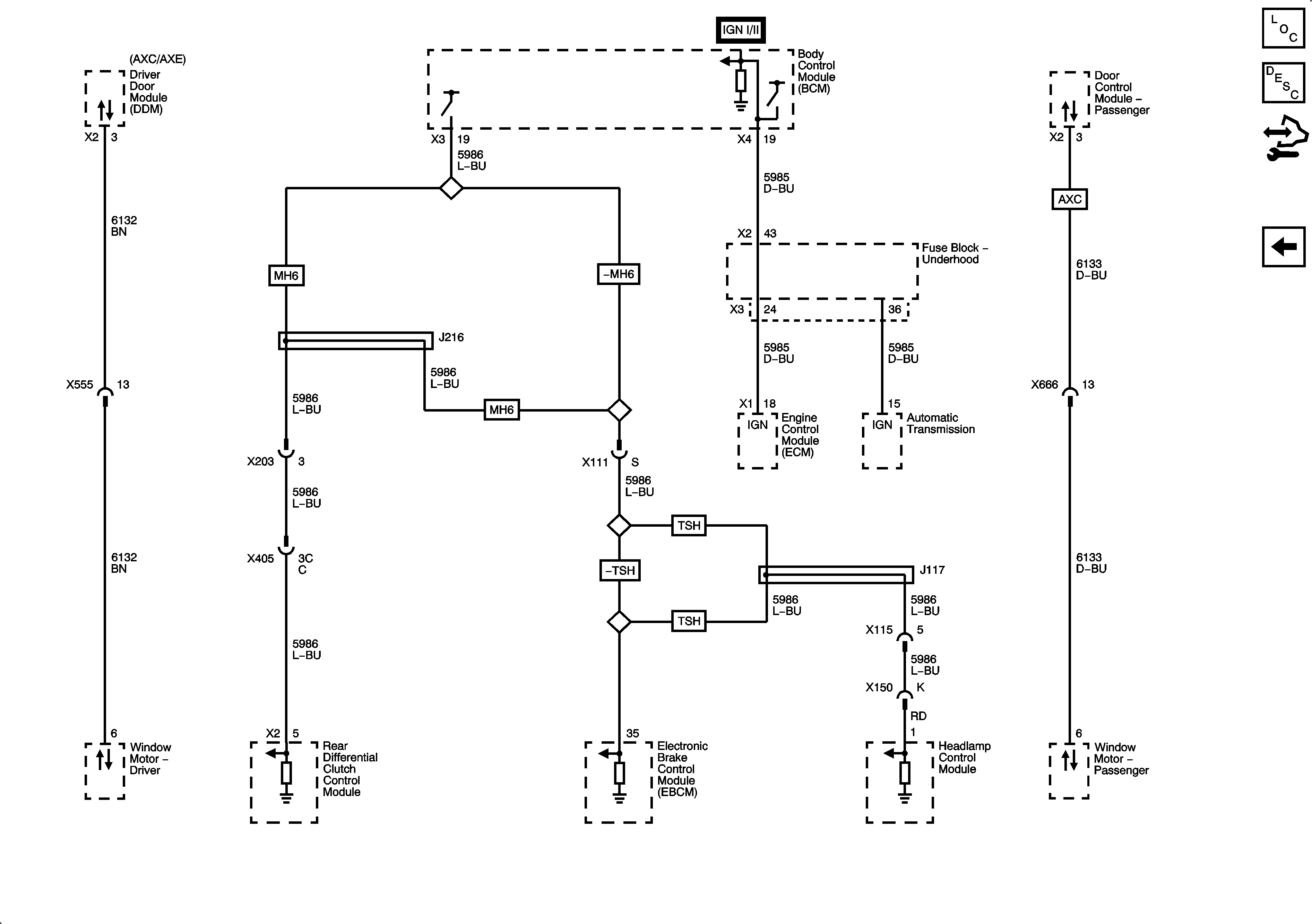
Communication Enable and Local Interconnect Network (LIN)
High Speed GMLAN - W49 Early Production
Figure 4:

Communication Enable and Local Interconnect Network (LIN)


Object Number: 1882637  Size: FS
Master Electrical Component List
Data Link Communications Description and Operation
Control Module References
High Speed GMLAN - WDA or Z88 or W49 Late Production