GM Service Manual Online
For 1990-2009 cars only
Makes
🢒
GMC_Truck
🢒
2008
🢒
Acadia - 2WD
🢒
Diagnostic Navigation
🢒
Vehicle Diagnostic Information
🢒 Power Moding Schematics
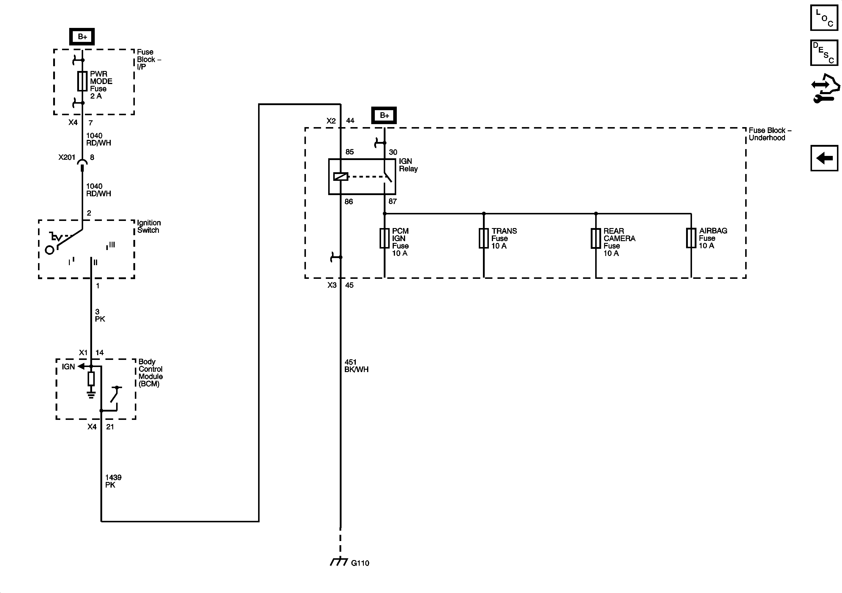
Figure
1:
IGN I/II
Master Electrical Component List
Power Mode Description and Operation
Control Module References
IGN II/III
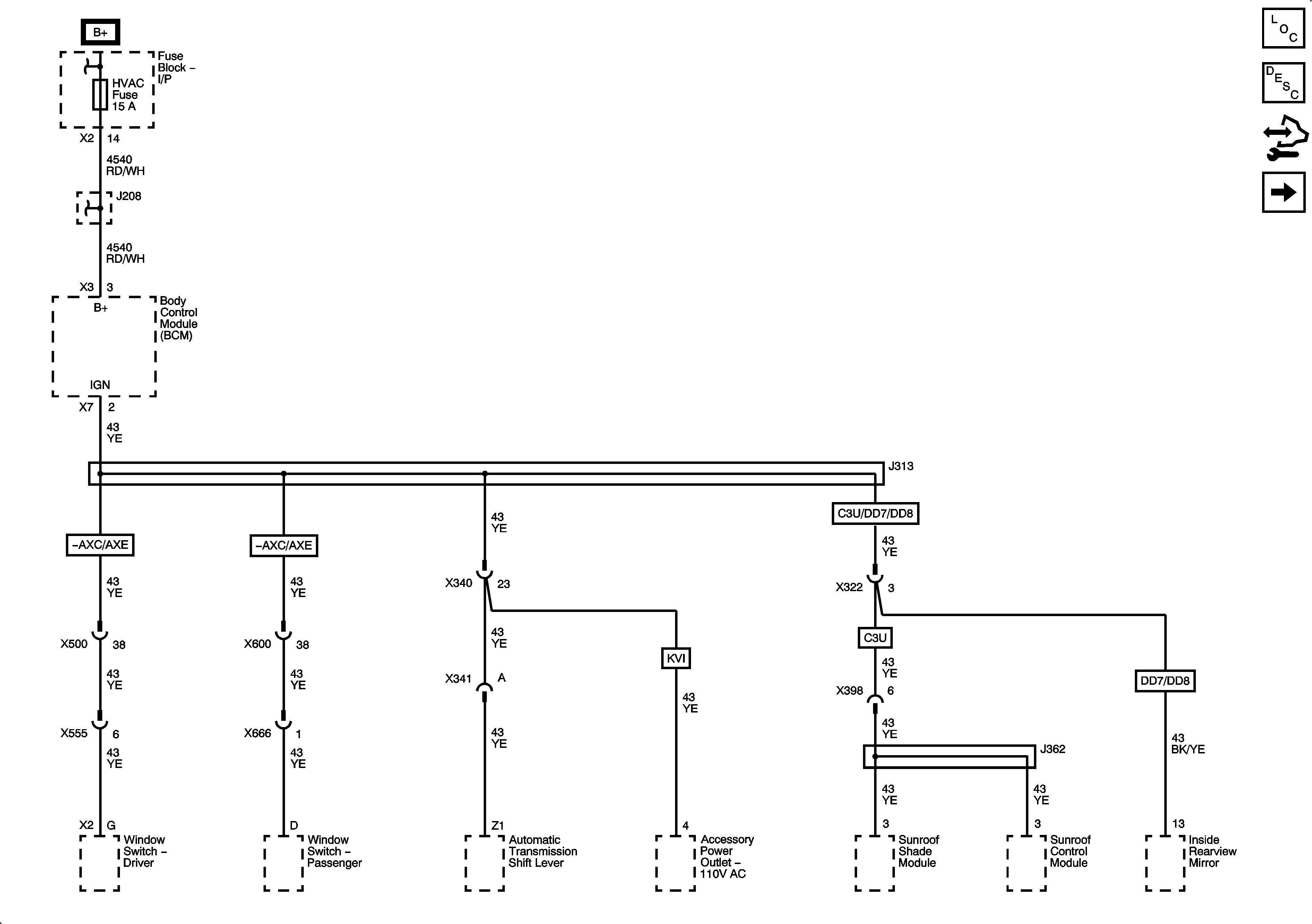
Figure
2:
IGN II/III
Master Electrical Component List
Power Mode Description and Operation
Control Module References
IGN I/II