GM Service Manual Online
For 1990-2009 cars only

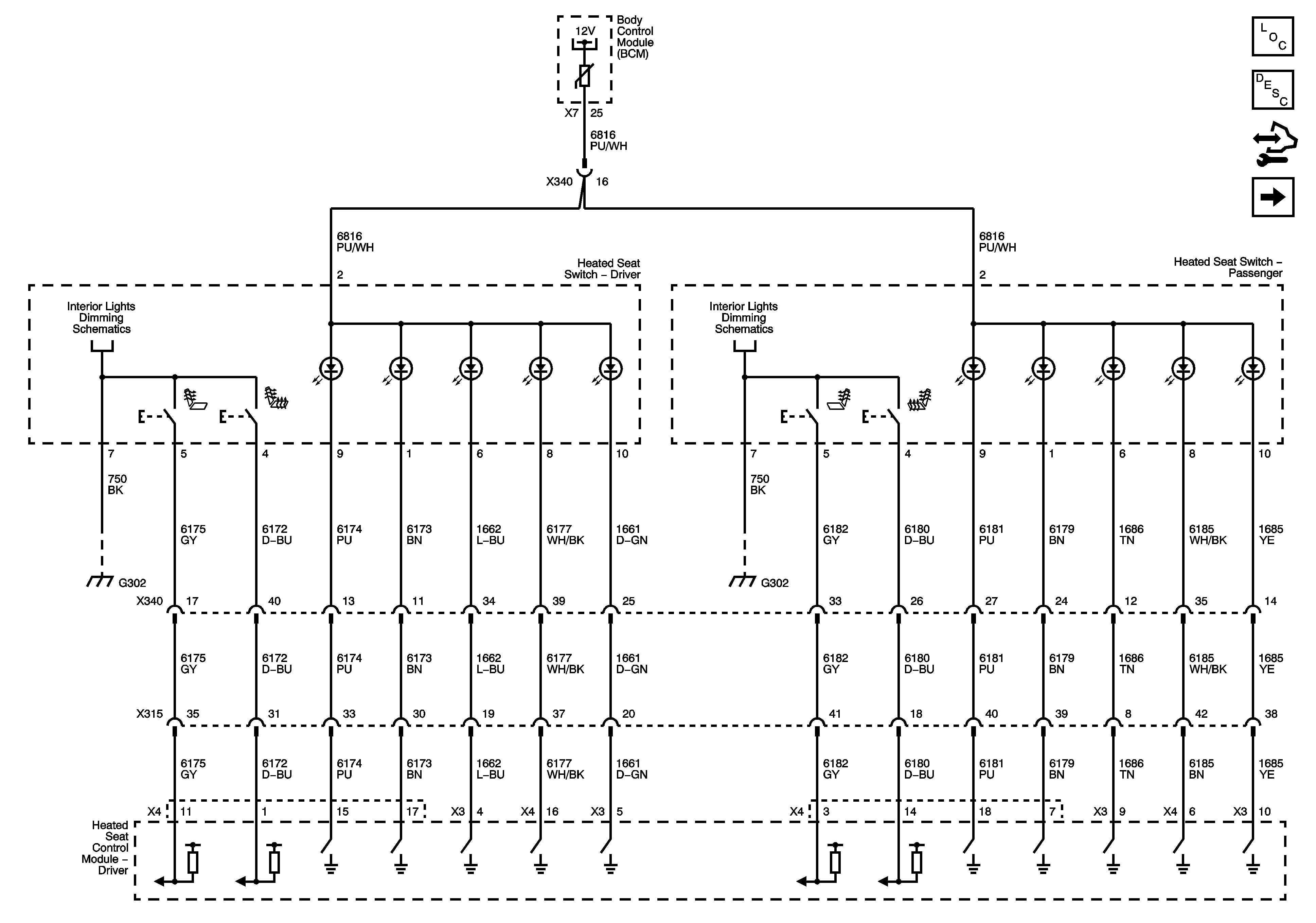
Heated/Cooled Seat Schematics Except A45

Figure 1:

Indicators and Switches


Object Number: 1883230  Size: FS
Master Electrical Component List
Heated Seats Description and Operation
Control Module References
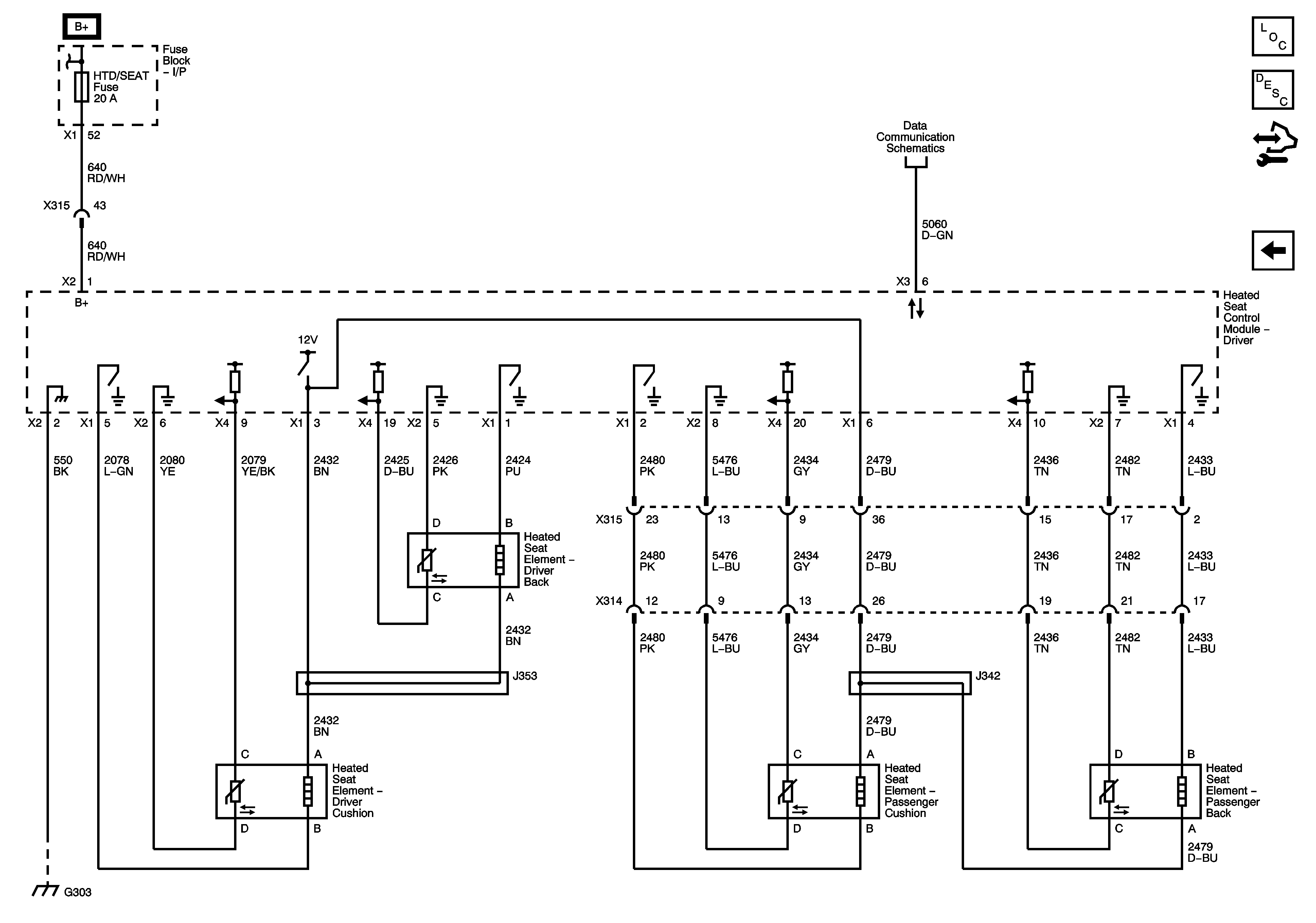
Heating Elements
Figure 2:

Heating Elements


Object Number: 1883231  Size: FS
Master Electrical Component List
Heated Seats Description and Operation
Control Module References
Indicators and Switches

Heated/Cooled Seat Schematics A45

Figure 1:

Indicators and Switches


Object Number: 1883232  Size: FS
Master Electrical Component List
Heated Seats Description and Operation
Control Module References
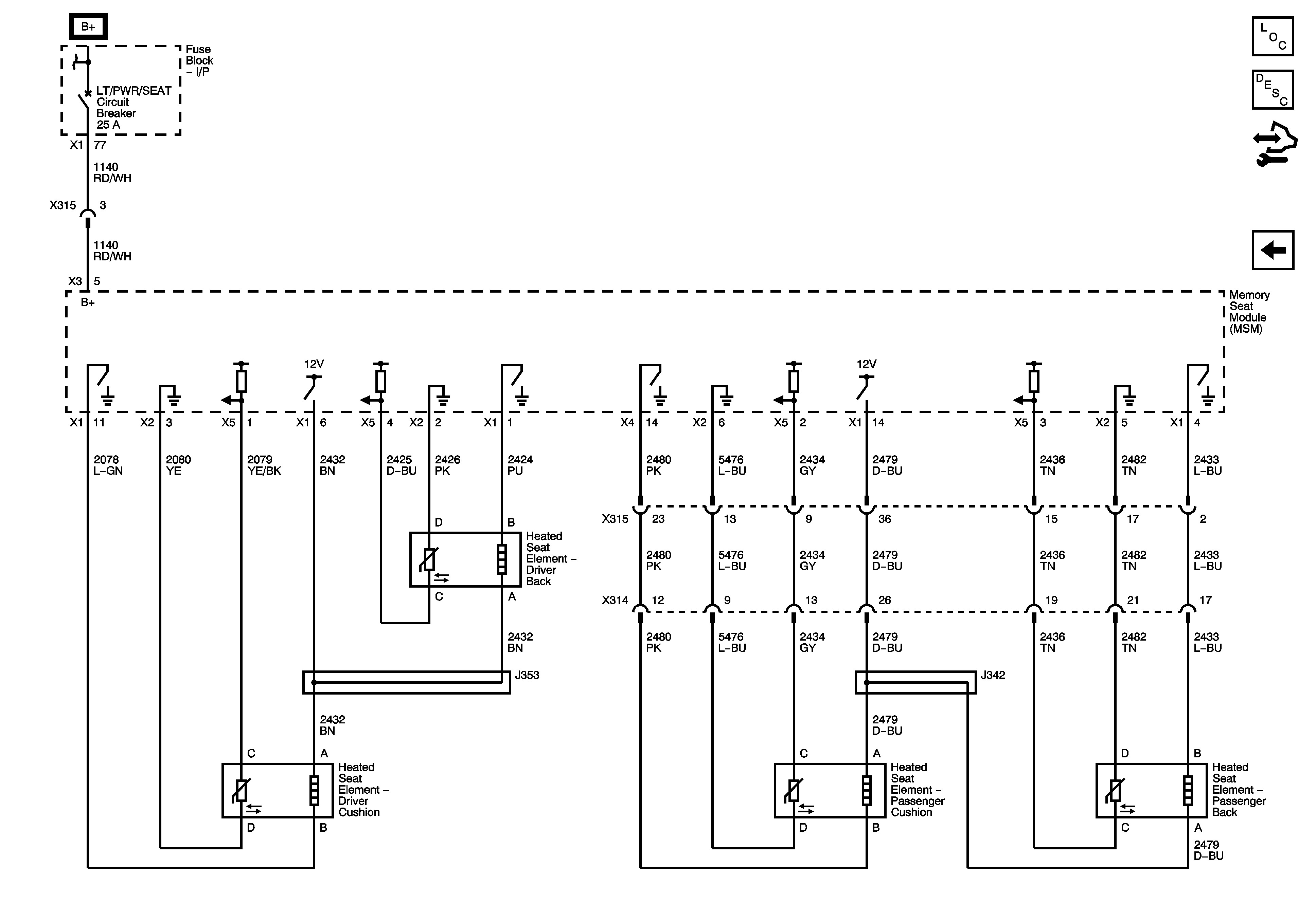
Heating Elements
Figure 2:

Heating Elements


Object Number: 1883233  Size: FS
Master Electrical Component List
Heated Seats Description and Operation
Control Module References
Indicators and Switches