GM Service Manual Online
For 1990-2009 cars only
Makes
🢒
GMC_Truck
🢒
2008
🢒
Acadia - 2WD
🢒
Diagnostic Navigation
🢒
Vehicle Diagnostic Information
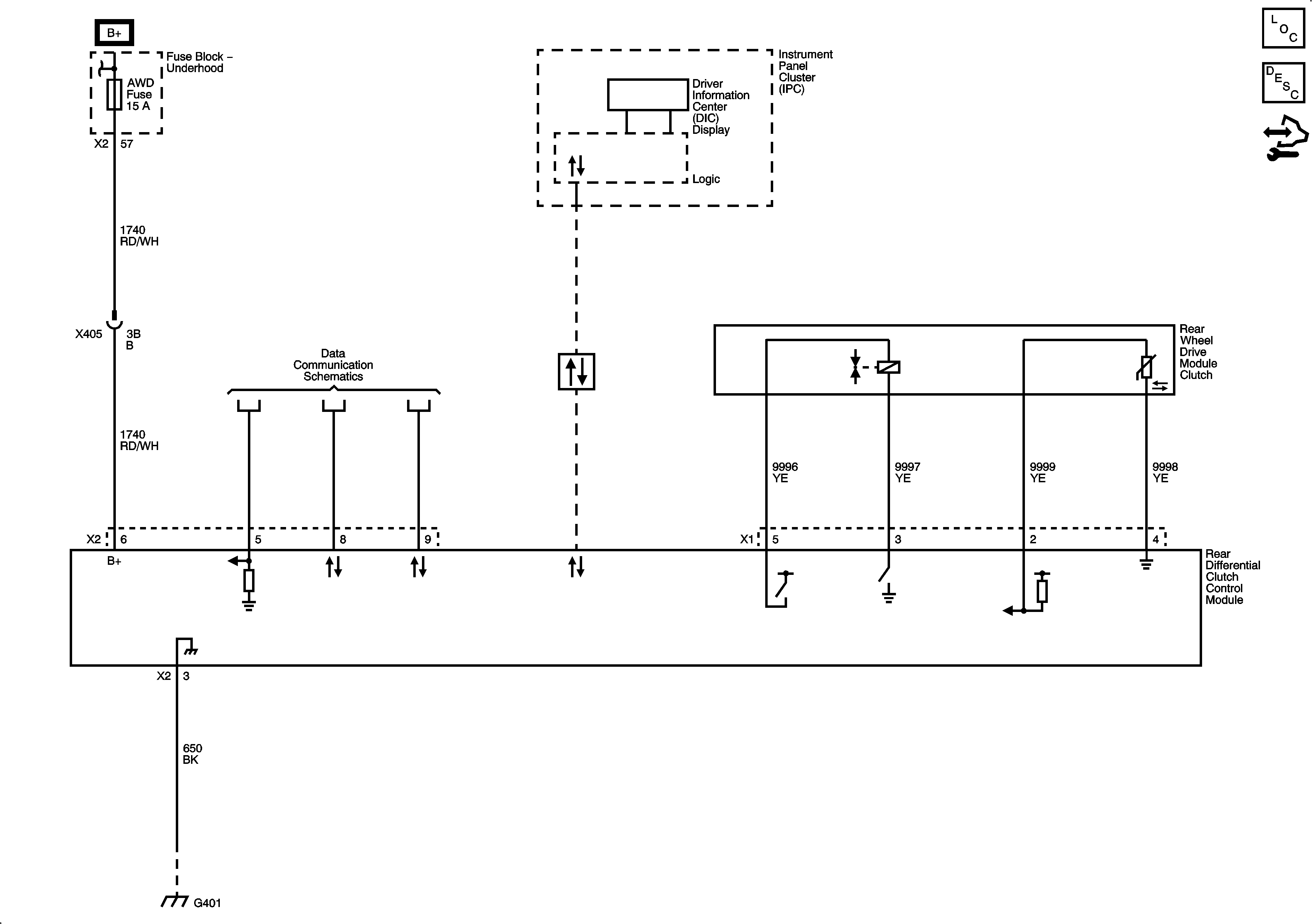
🢒 All-Wheel Drive Schematics
MH6
Master Electrical Component List
All-Wheel Drive Description and Operation
Control Module References