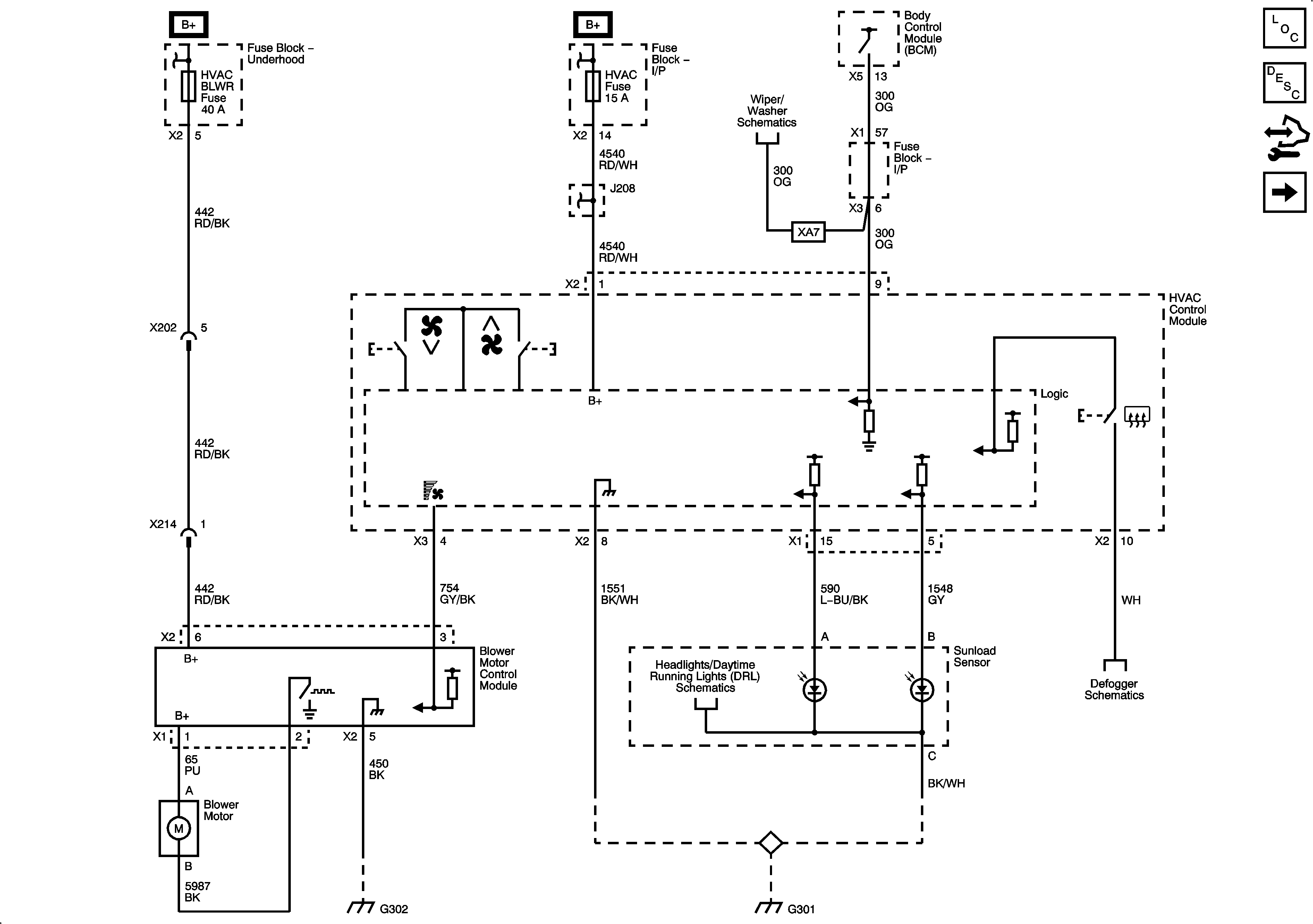
| Figure 1: |
Module Power and Ground, Blower Control, Data Communication and Sunload
|
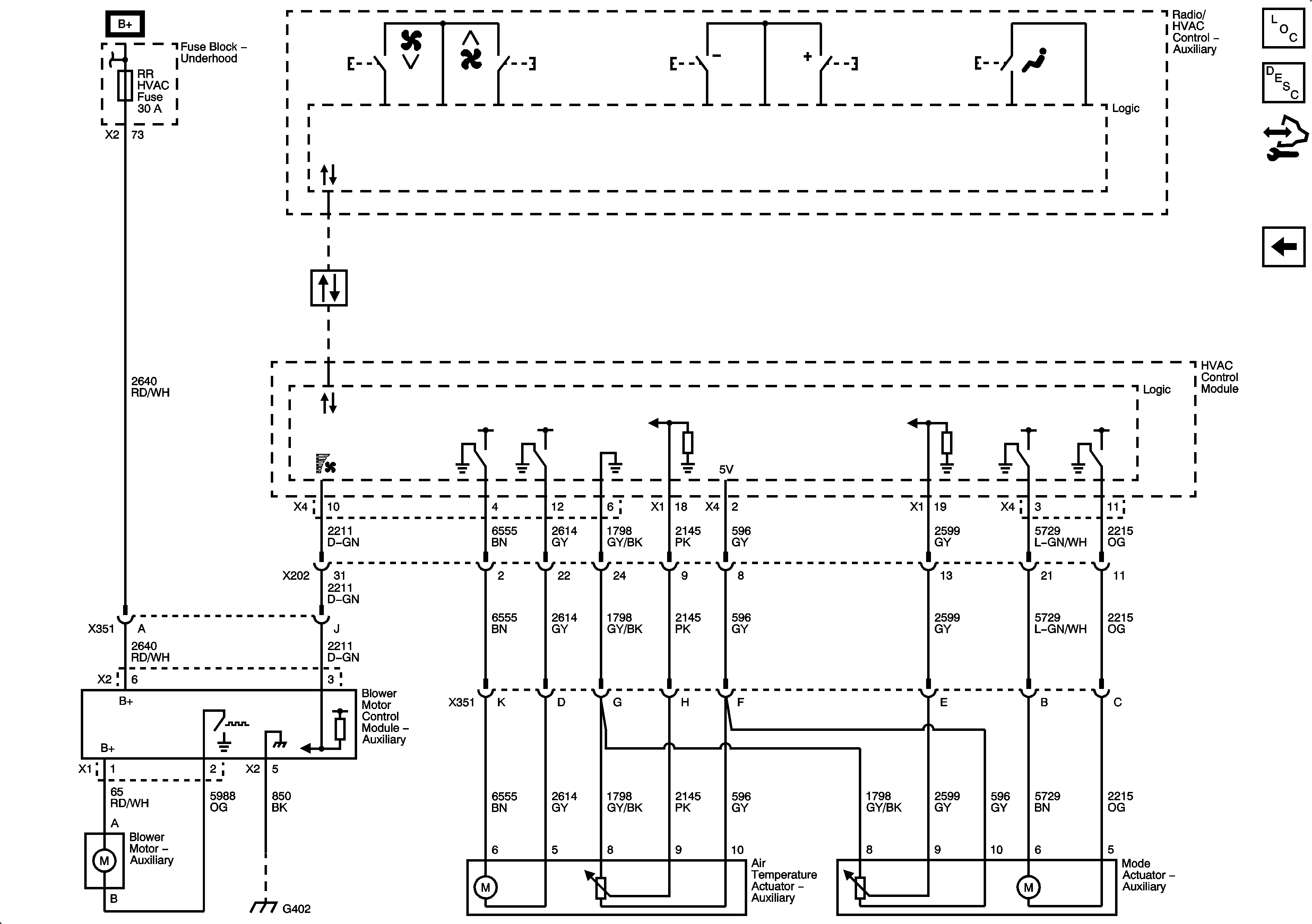
| Figure 2: |
Actuators
|
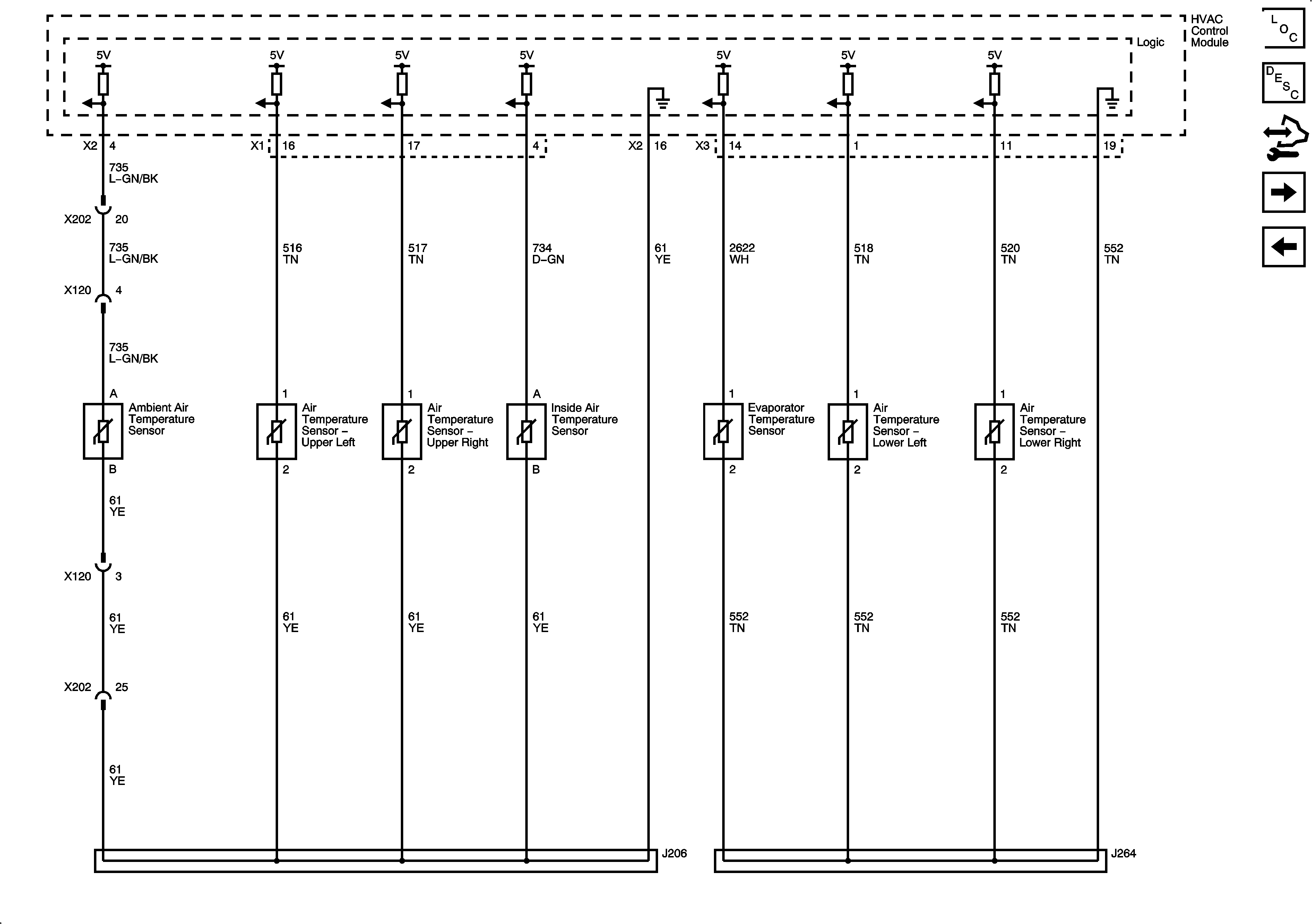
| Figure 3: |
Sensors
|
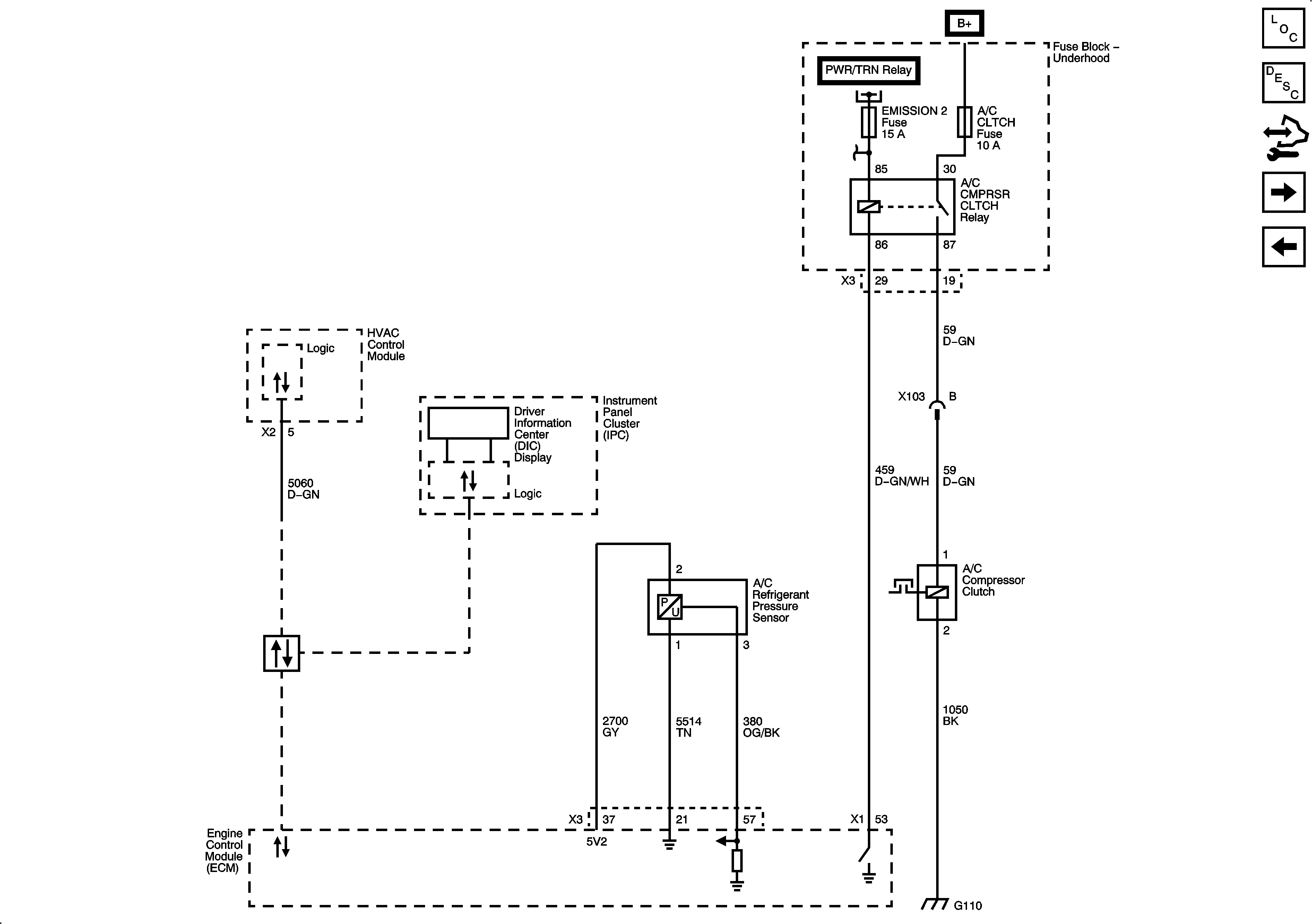
| Figure 4: |
Compressor Controls
|
| Figure 5: |
Rear HVAC without UK6
|
| Figure 6: |
Rear HVAC UK6
|