GM Service Manual Online
For 1990-2009 cars only
Makes
🢒
GMC_Truck
🢒
2008
🢒
Acadia - 2WD
🢒
Diagnostic Navigation
🢒
Vehicle Diagnostic Information
🢒 Interior Lights Schematics
Figure
1:
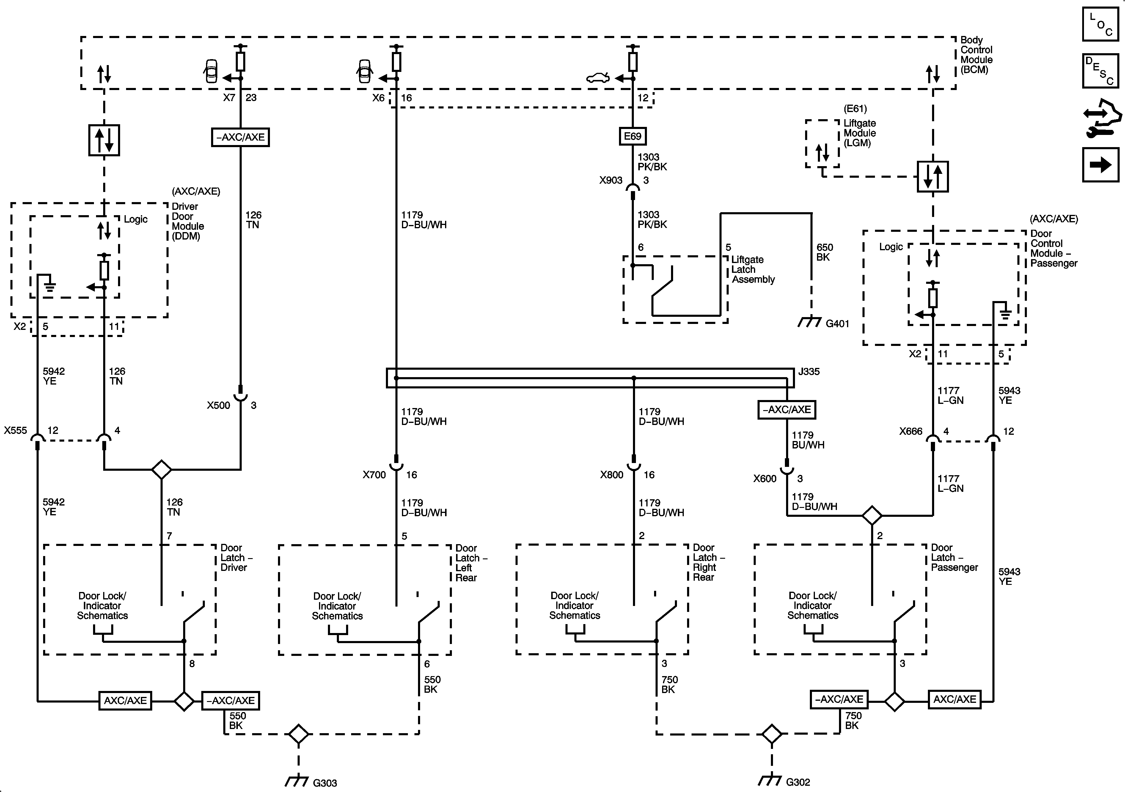
Door Open Switches
Master Electrical Component List
Interior Lighting Systems Description and Operation
Control Module References
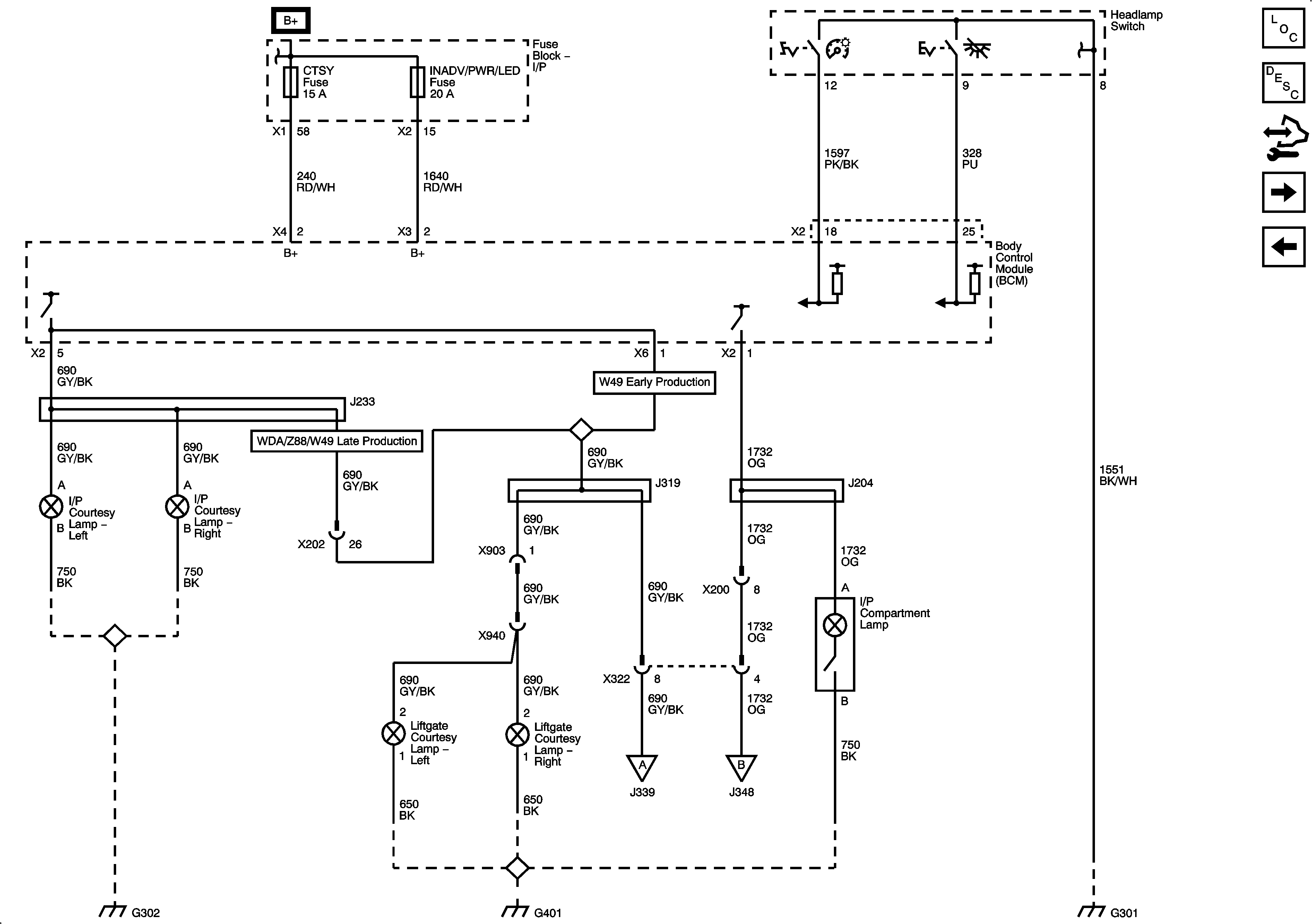
Headlamp Switch and Power, I/P, Footwell, and Liftgate Lamps
Figure
2:
Headlamp Switch and Power, I/P, Footwell, and Liftgate Lamps
Master Electrical Component List
Interior Lighting Systems Description and Operation
Control Module References
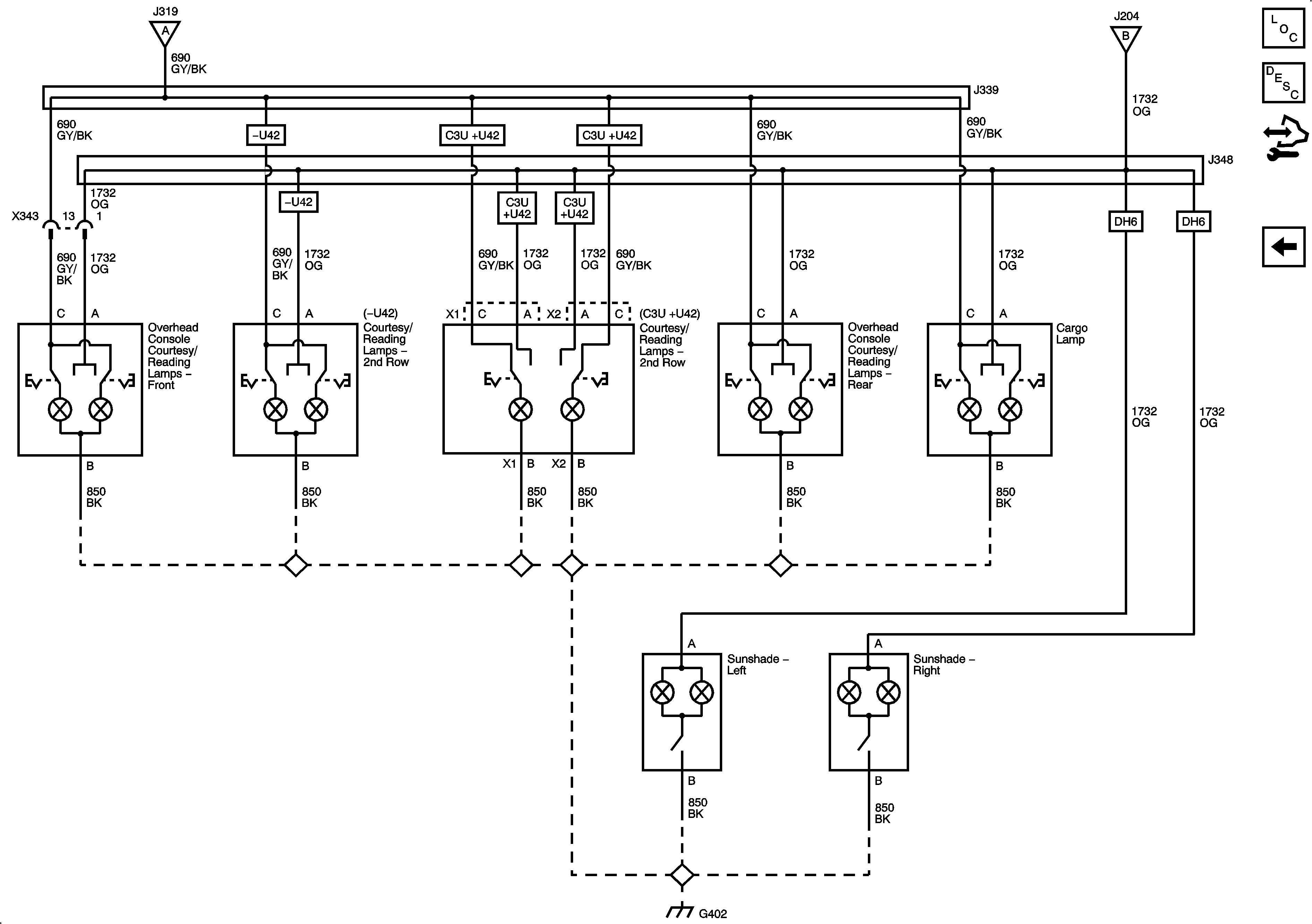
Roof
Door Open Switches
Figure
3:
Roof
Master Electrical Component List
Interior Lighting Systems Description and Operation
Control Module References
Headlamp Switch and Power, I/P, Footwell, and Liftgate Lamps